8-32 Rear Engine Rider
Product Information
- Model #: 56145
- Serial #: 5000001 - 5999999
- Product Type: Riding Products
Loading...
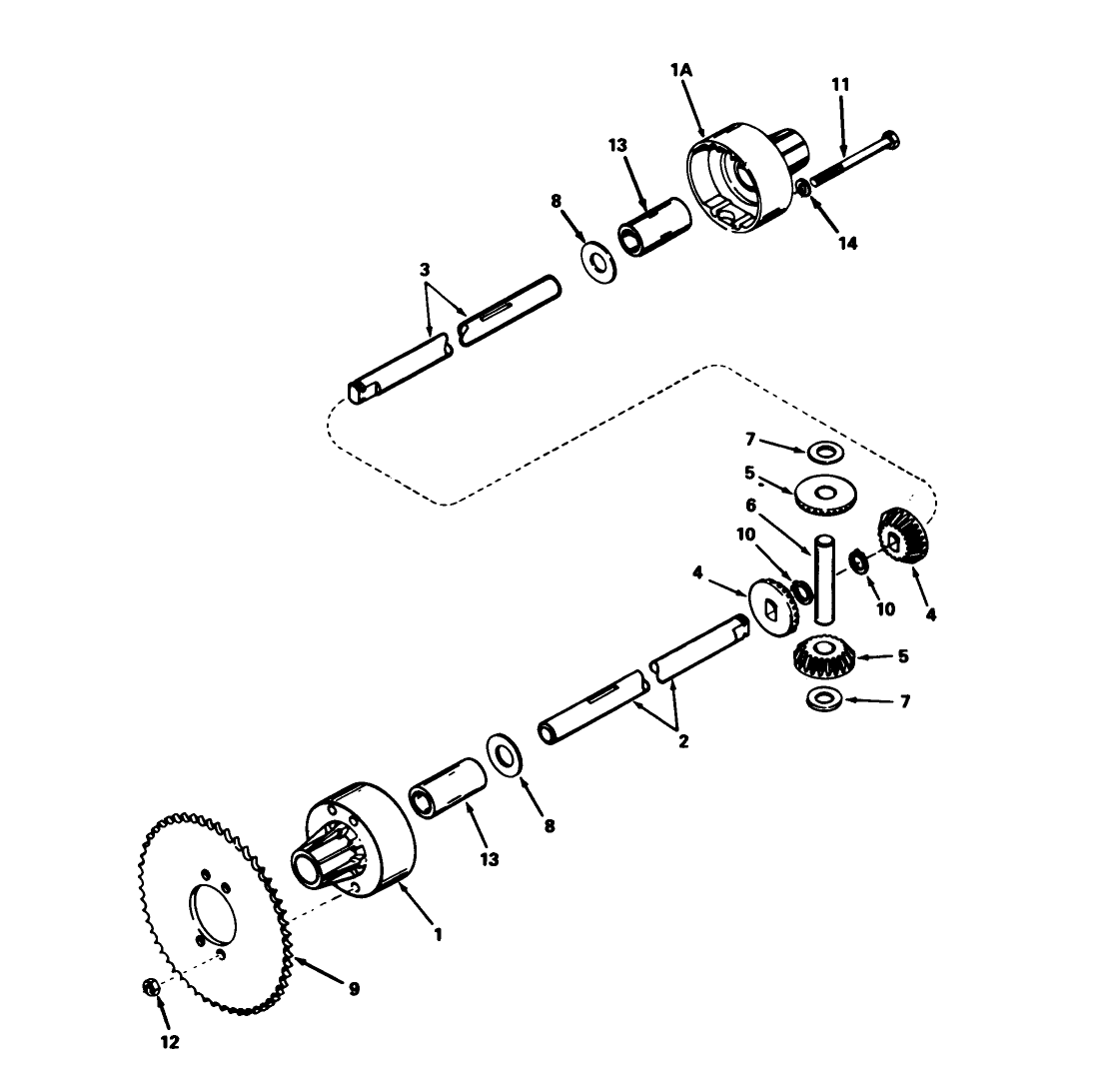
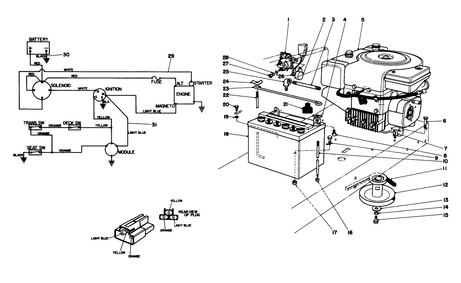
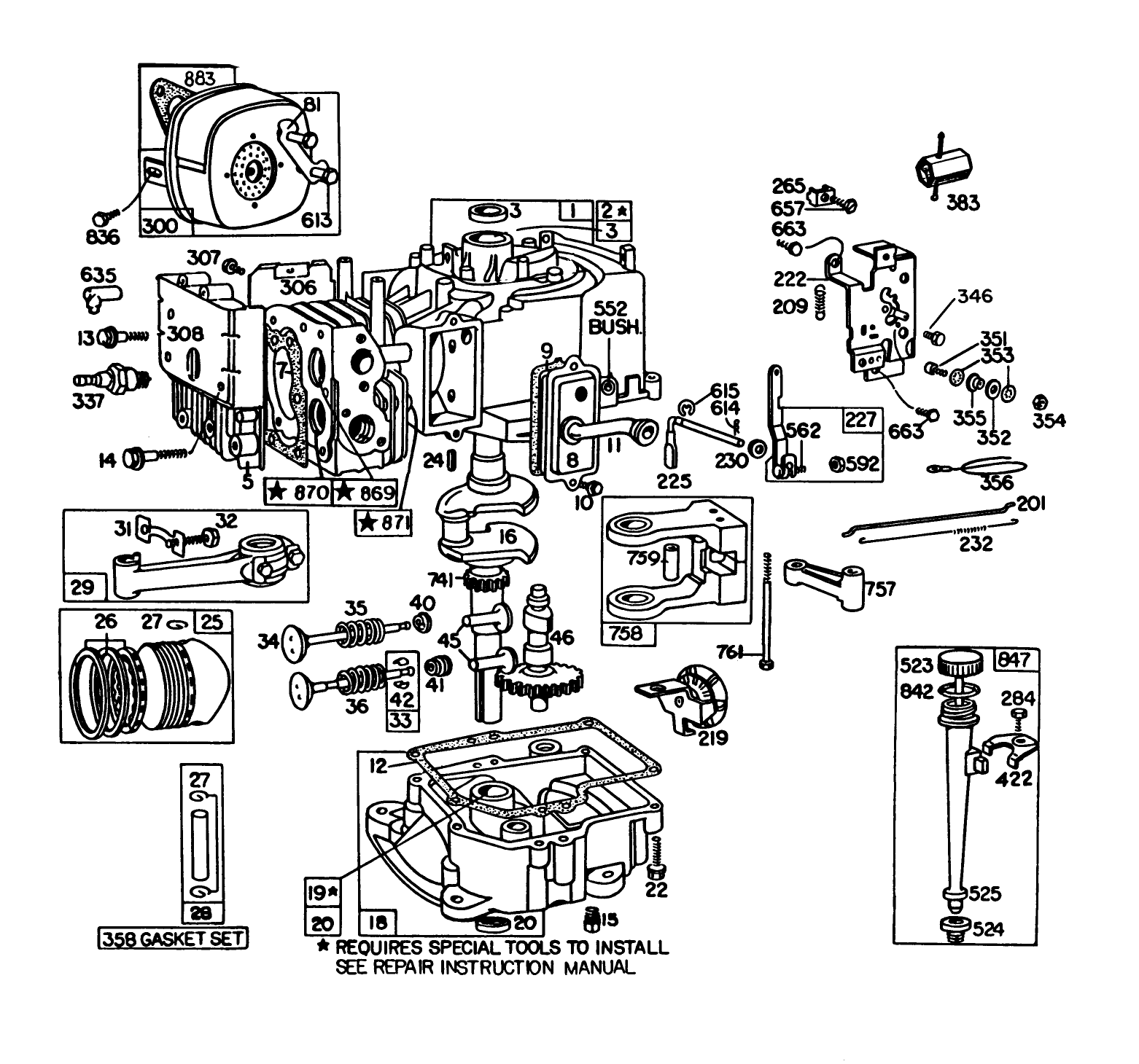
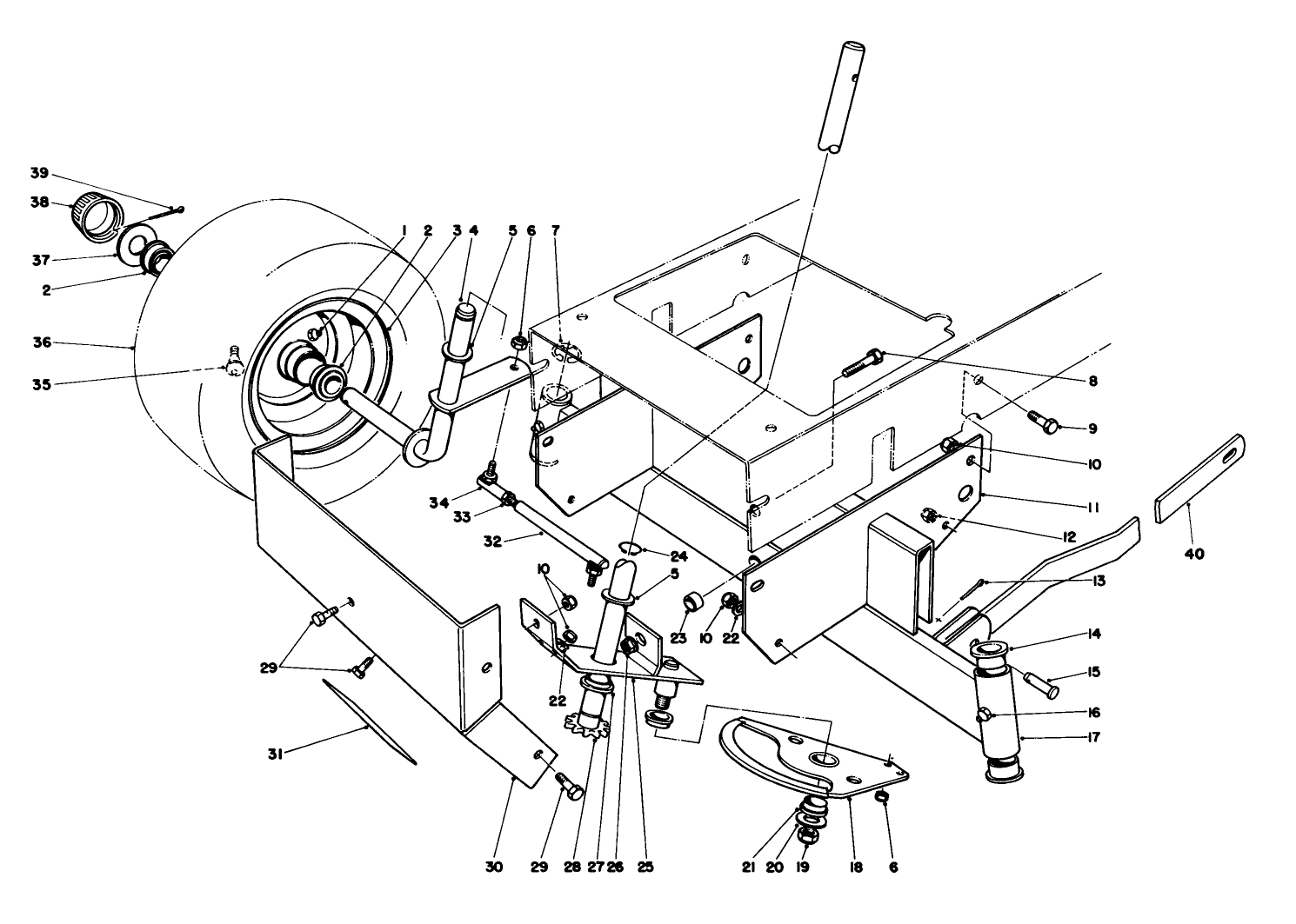
Assembly Drawings
Search for a part within assembly drawings:
-
Service Manual
-
Parts Catalog
(Part # All attachments are no longer available.)
-
Model #
56145 -
Serial #
5000001 - 5999999 -
Product Name
8-32 Rear Engine Rider -
Product Brand
Toro -
Product Type
Riding Products -
Product Series
Rear Engine Rider, 32" -
Swath
32 inch -
Discharge
Side -
Engine/Motor Manufacturer
Briggs & Stratton -
Engine/Motor Size
8 hp -
Engine/Motor Type
4 Cycle -
Engine Starter
Electric -
Transmission Type
Gear


















