21" Hydraulic Aerator
Product Information
- Model #: 33515
- Serial #: 313000001 - 313999999
- Product Type: Aerators
Loading...
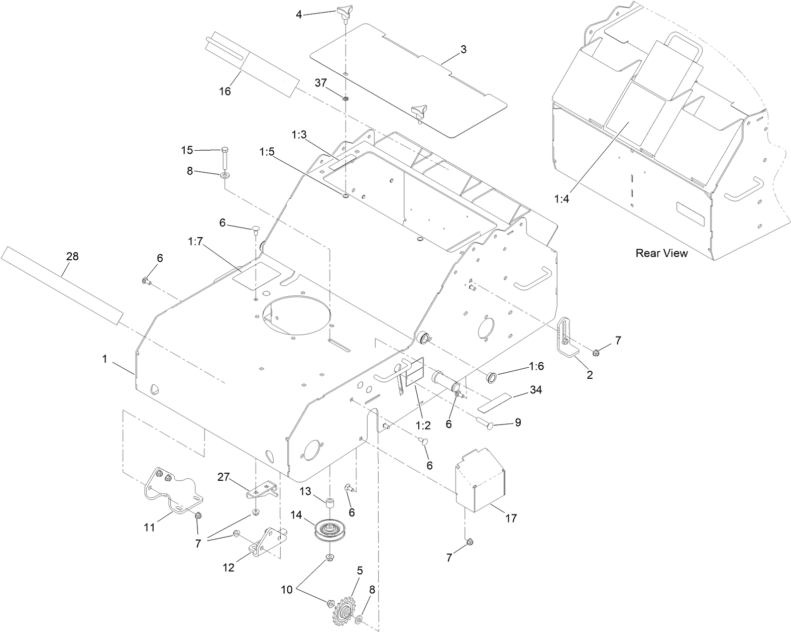
Assembly Drawings
Search for a part within assembly drawings:
-
Service Manual
-
Operator's Manual
-
Parts Catalog
-
Engine Evaporative Emission Warranty
-
Model #
33515 -
Serial #
313000001 - 313999999 -
Product Name
21" Hydraulic Aerator -
Product Brand
Toro -
Product Type
Aerators -
Product Series
Turf Maintenance Equipment -
Chassis Type
Walk Behind -
Swath
21 inch -
Engine/Motor Manufacturer
Kawasaki -
Engine/Motor Size
179cc -
Engine/Motor Type
4 Cycle -
Engine Starter
Recoil -
Transmission Type
Hydrostatic -
Traction Type
Front WD
-
Engine: Spark Plug
NGK BPR6ES -
Engine: Engine Oil Type
20 oz. (.6l) 30w or 10w-30 / API SH or higher -
Engine: Spark Plug Gap
.030"/ .76mm -
Engine: Engine Speed
3600 RPM -
Drive System: Gearbox Lubricant
65.9 oz. -
Drive System: Ground Speed
Fwd. 4.0 Rev. 2.2 mph -
Engine: Ignition Coil Air Gap
0.011in (0.3mm) -
Chassis: Tire Pressure
12-14psi (83-97kPa)





