25" Lawn Tractor
Product Information
- Model #: 57002
- Serial #: 9000001 - 9999999
- Product Type: Riding Products
Loading...
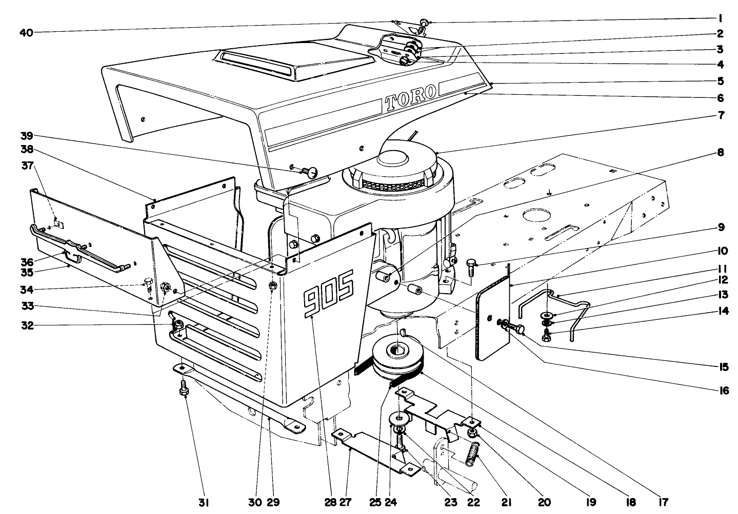
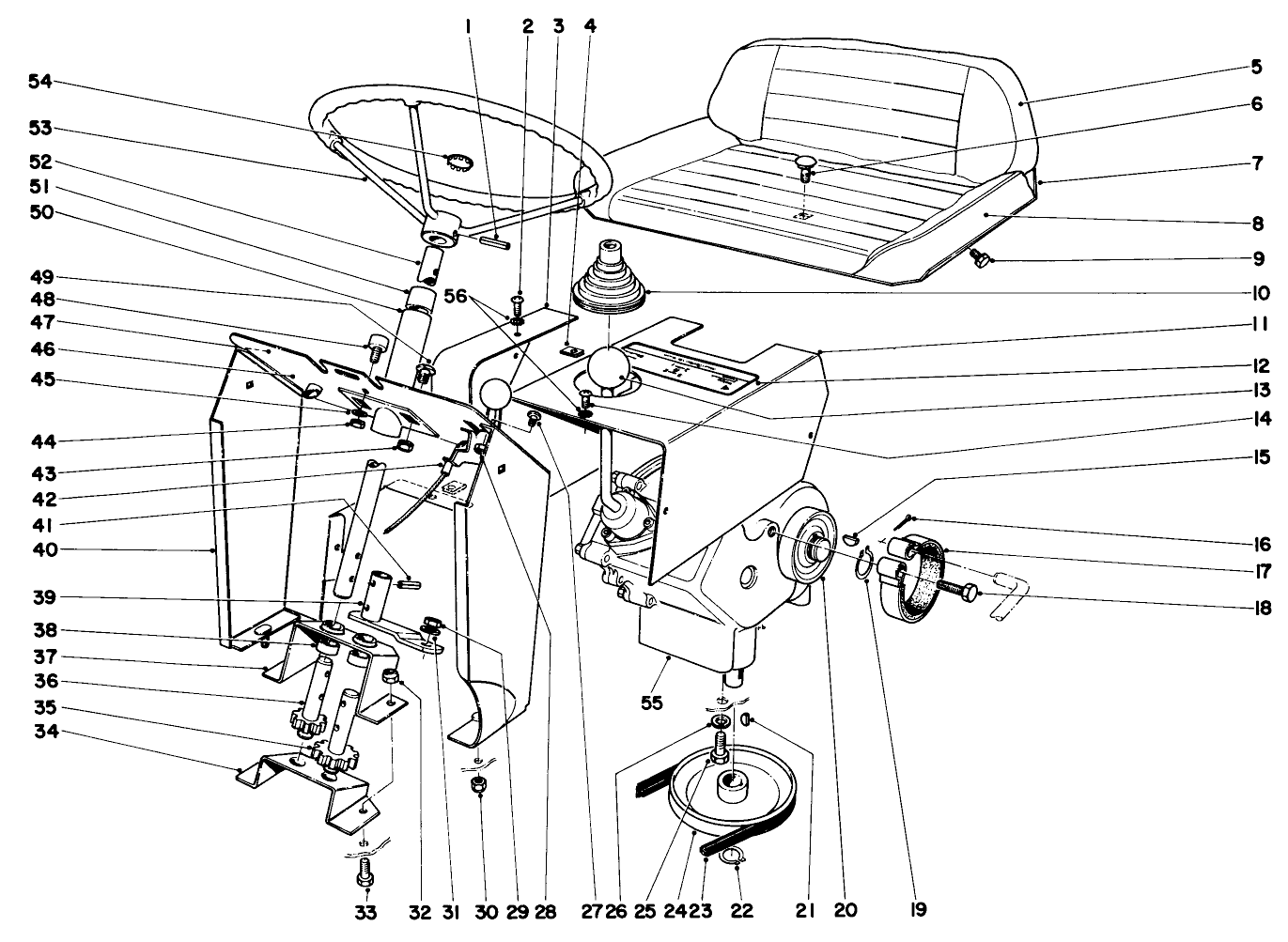
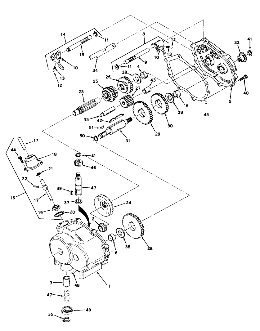
Assembly Drawings
Search for a part within assembly drawings:
-
Parts Catalog
Dump Cart, Heavy Duty (Part # 59003)
30" Snow Blade (Part # 59033)
Seeder-Spreader (Part # 59068)
Dump Cart, Light Duty (Part # 59070)
-
Model #
57002 -
Serial #
9000001 - 9999999 -
Product Name
25" Lawn Tractor -
Product Brand
Toro -
Product Type
Riding Products -
Product Series
Lawn Tractor, 25" -
Swath
25 inch -
Discharge
Side -
Engine/Motor Manufacturer
Briggs & Stratton -
Engine/Motor Size
5 hp -
Engine/Motor Type
4 Cycle -
Engine Starter
Recoil -
Transmission Type
Gear










