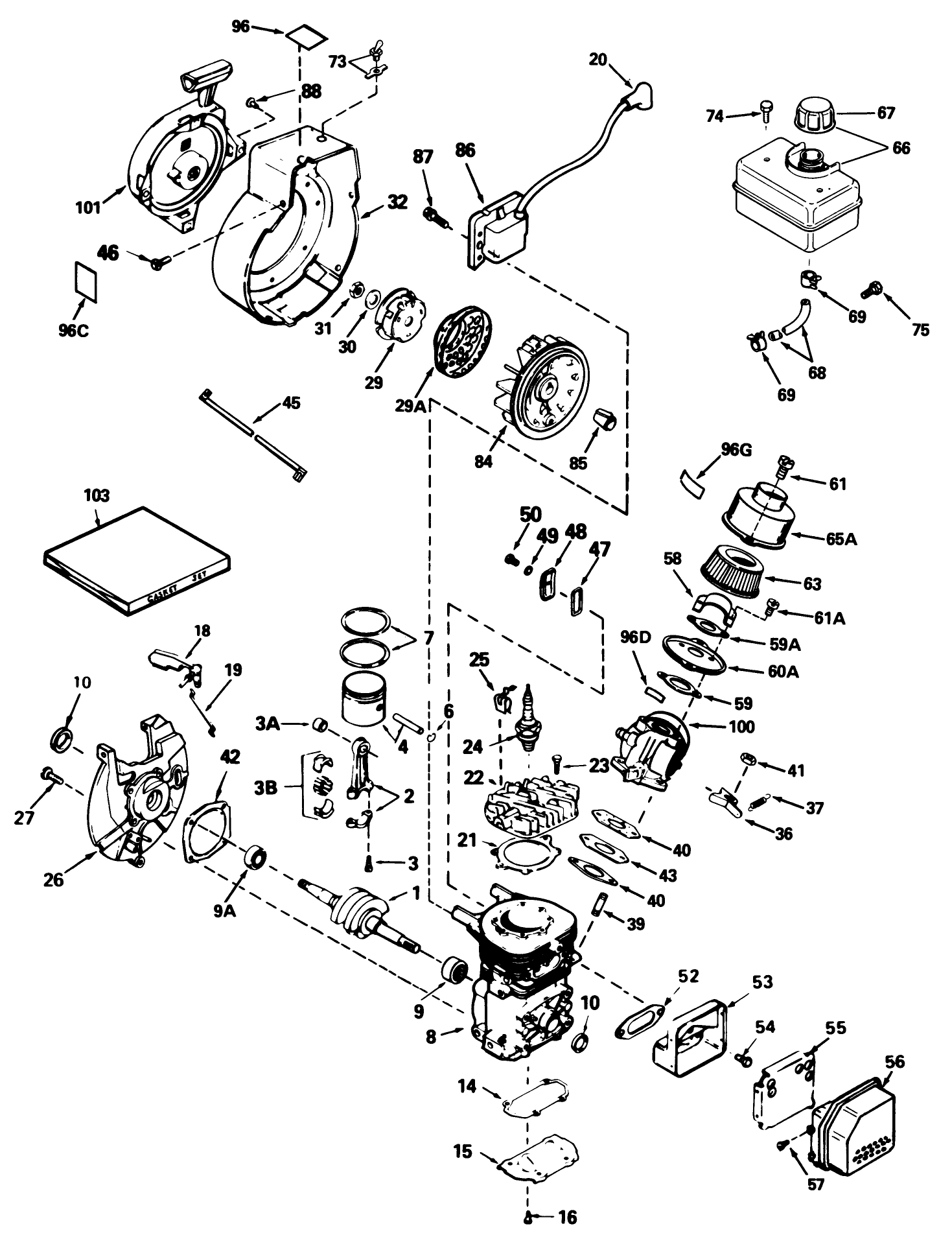
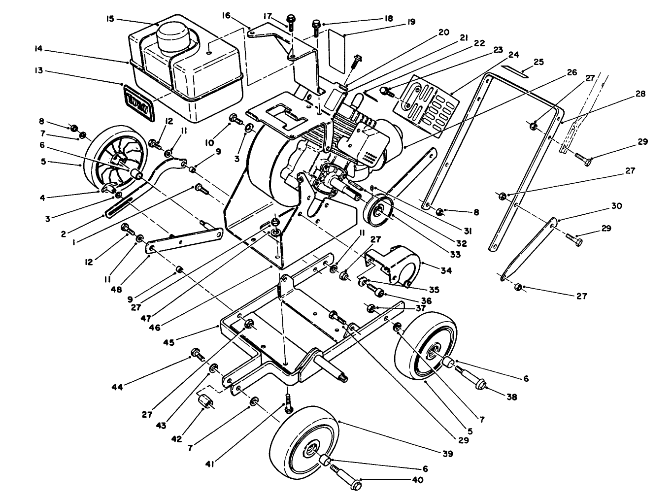
2-Cycle Edger
Product Information
- Model #: 58432
- Serial #: 9000001 - 9999999
- Product Type: Edgers
Loading...
Assembly Drawings
Search for a part within assembly drawings:
-
Operator's Manual
-
Parts Catalog
-
Model #
58432 -
Serial #
9000001 - 9999999 -
Product Name
2-Cycle Edger -
Product Brand
Toro -
Product Type
Edgers -
Product Series
Edgers -
Engine/Motor Manufacturer
Tecumseh -
Engine/Motor Size
3 hp -
Engine/Motor Type
2 Cycle -
Engine Starter
Recoil -
Transmission Type
Hand Push





