Super Recycler Lawn Mower
Product Information
- Model #: 20383
- Serial #: 315000001 - 315999999
- Product Type: Walk Behind Mowers
Loading...
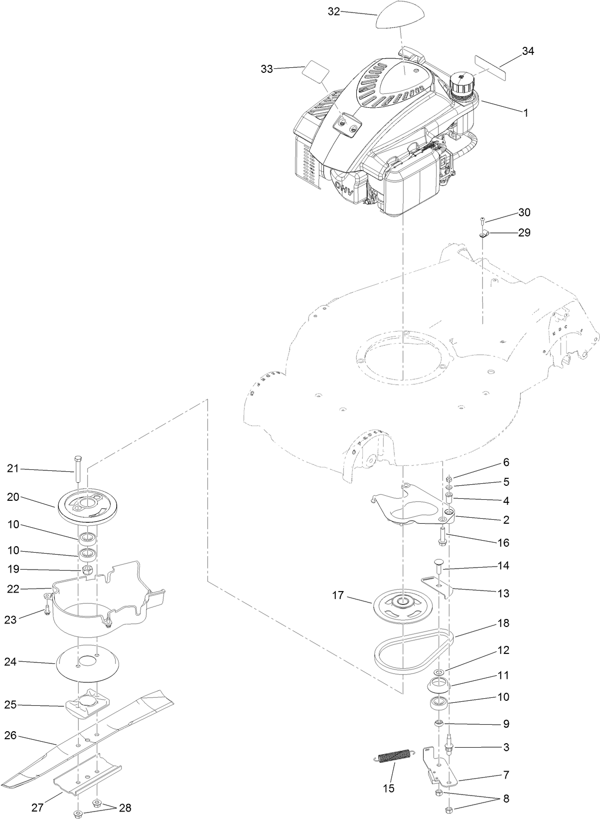
Assembly Drawings
Search for a part within assembly drawings:
-
Service Manual
-
Operator's Manual
-
Parts Catalog
21 Inch Standard Bagging Blade (Part # 108-3759-03)
Toro standard blade. Toro standard lawn blades have a straight and more aerodynamic body that cuts grass which then allow for either discharge or bagging of the clippings. This Toro blade has multiple applications. Be sure to verify model and serial number to ensure the correct part.
High Altitude Kit for Snow Blower (Part # 121-4242)
Toro genuine high altitude kit. Small engines may require a high altitude carburetor kit to ensure correct engine operation at altitudes above 1219 meters. Genuine Toro parts are designed specifically for your machine to offer quality, performance and value.
Toro Lawn Mower Engine Maintenance Kit (Part # 20240)
Keep your Toro walk power mower running smoothly season after season with this maintenance kit for mowers 2013 or newer. This kit contains an 18 oz. bottle of oil (#38916), an air filter (#119-1909), a spark plug (#121-4199), and a 0.5 oz. packet of fuel treatment. You can count on these essentials for routine maintenance on your walk power mower.
Cover for 20 to 22 Inch Walk-Behind Mowers (Part # 490-7462)
The Toro Walk Power Mower Cover for 20 in. to 22 in. Walk-Behind Mowers offers all-season protection. This cover is constructed from tough, waterproof, tear and abrasion resistant 600-denier polyester.
-
Model #
20383 -
Serial #
315000001 - 315999999 -
Product Name
Super Recycler Lawn Mower -
Product Brand
Toro -
Product Type
Walk Behind Mowers -
Product Series
21" Cast Deck -
Chassis Type
Cast Deck WPM -
Swath
21 inch -
Discharge
Recycler & Side Discharge with Rear Bag -
Engine/Motor Manufacturer
Toro -
Engine/Motor Type
4 Cycle -
Engine Starter
Recoil -
Transmission Type
Gear -
Traction Type
Rear WD
-
Engine: Engine Speed
3000±100 RPM -
Engine: Spark Plug Gap
.030"/ .76mm -
Chassis: Height of Cut Range
1.25-4.25", 1/2" increments -
Engine: Spark Plug
Champion RL87YC / NGK BPR6HS or 7HS / NHPS E7RTC (OEM China) -
Engine: Ignition Coil Air Gap
.010-.020" / .25-.5mm -
Engine: Engine Oil Type
20 oz. (.59L) SAE 30 or SAE 10W-30 / API SJ or higher












