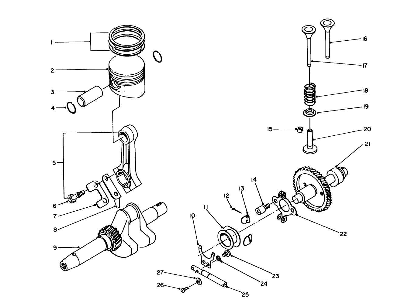
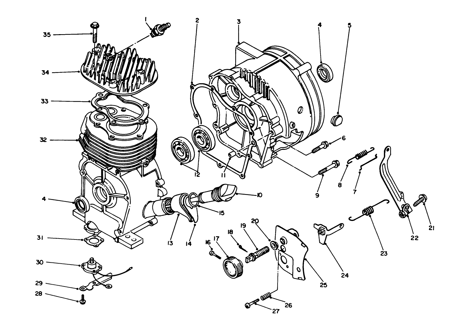
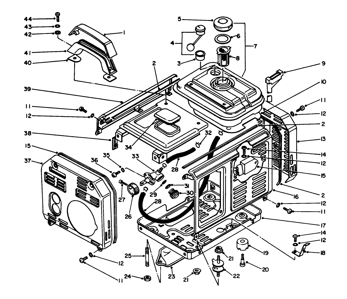
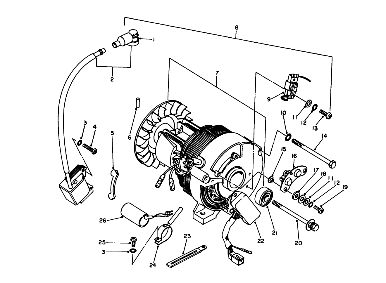
Generator, T500
Product Information
- Model #: 62005
- Serial #: 4000001 - 4999999
- Product Type: Misc
Loading...
Assembly Drawings
Search for a part within assembly drawings:
-
Parts Catalog
-
Model #
62005 -
Serial #
4000001 - 4999999 -
Product Name
Generator, T500 -
Product Brand
Toro -
Product Type
Misc -
Product Series
Generators -
Engine/Motor Manufacturer
Suzuki -
Engine/Motor Size
1 hp -
Engine/Motor Type
4 Cycle -
Engine Starter
Recoil






