Image Not Found

Product Information

  • Model #: 62005
  • Serial #: 5000001 - 5999999
  • Product Type: Misc

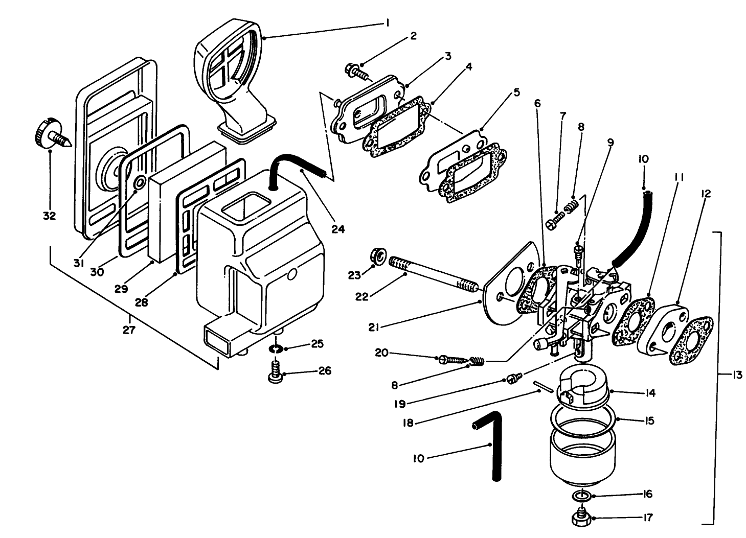
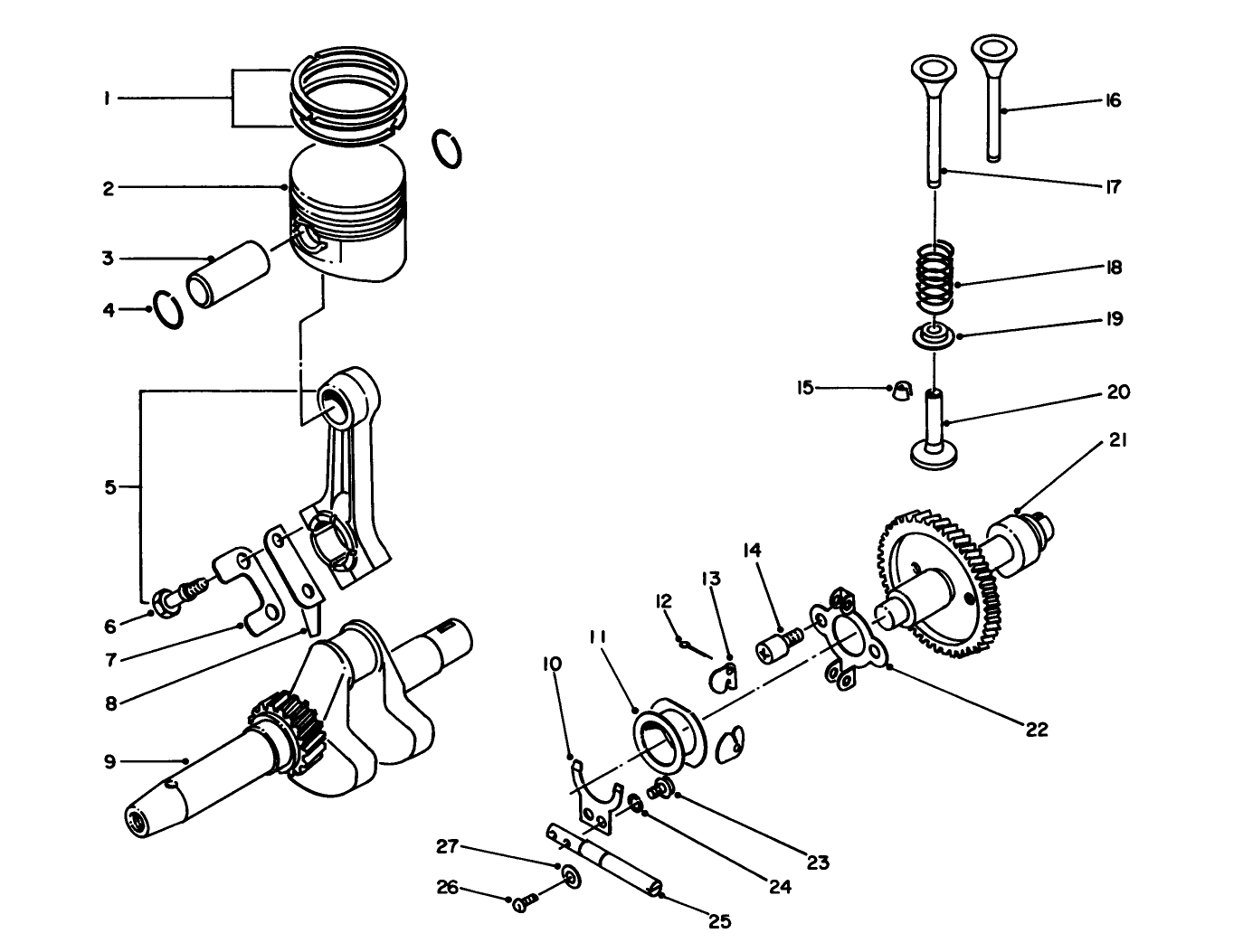
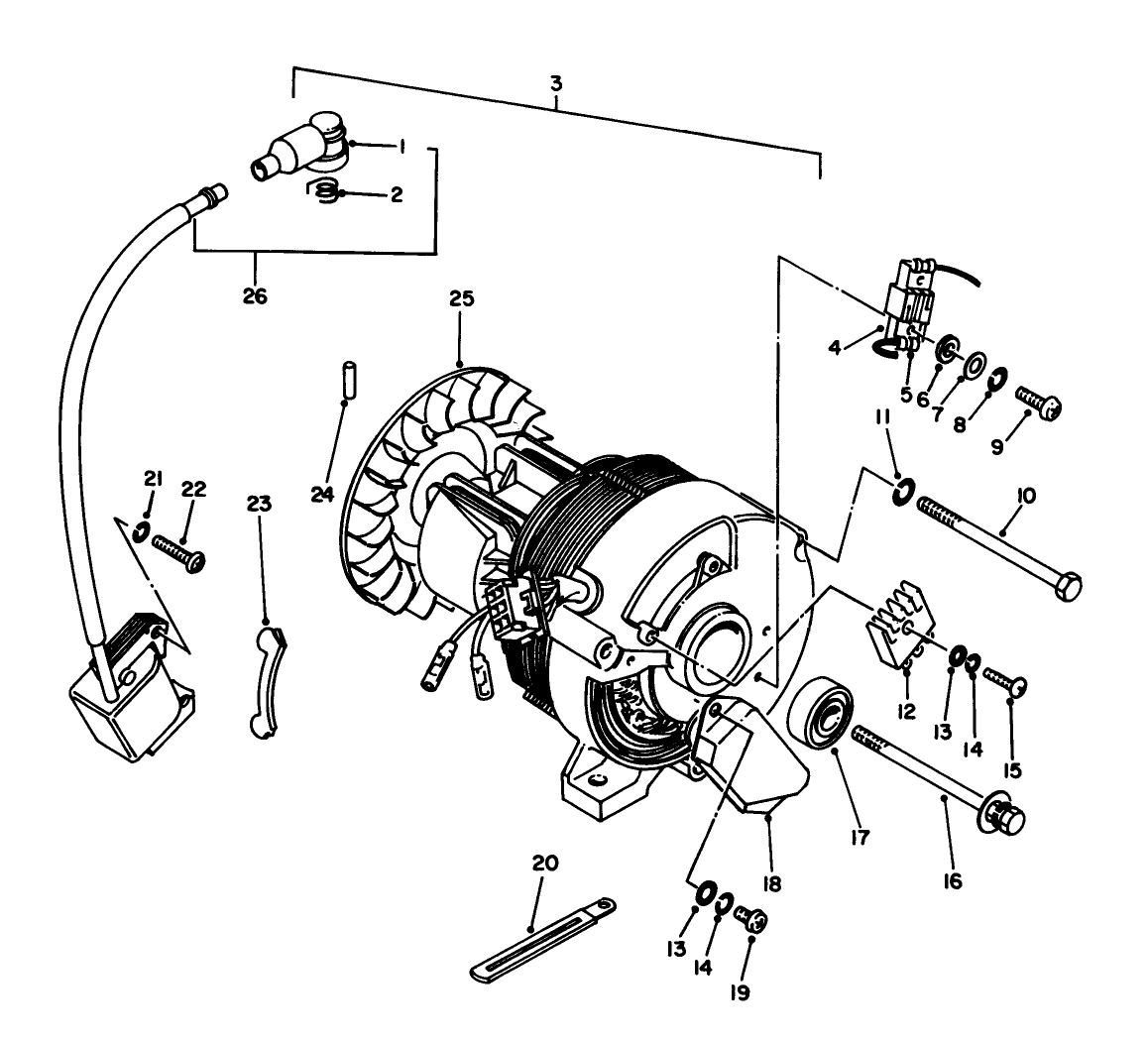
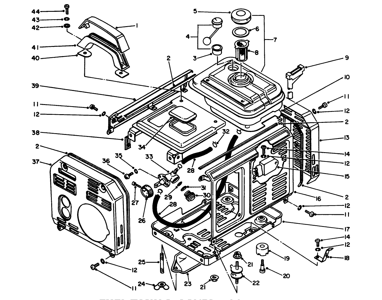
Assembly Drawings

Search for a part within assembly drawings:

  • Model #
    62005
  • Serial #
    5000001 - 5999999
  • Product Name
    Generator, T500
  • Product Brand
    Toro
  • Product Type
    Misc
  • Product Series
    Generators
  • Engine/Motor Manufacturer
    Suzuki
  • Engine/Motor Size
    1 hp
  • Engine/Motor Type
    4 Cycle
  • Engine Starter
    Recoil

Register your product

Registering your product will ensure notification of important updates and expedite warranty service should it be necessary.

Register Now