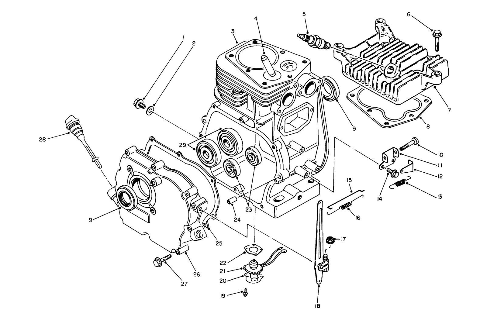
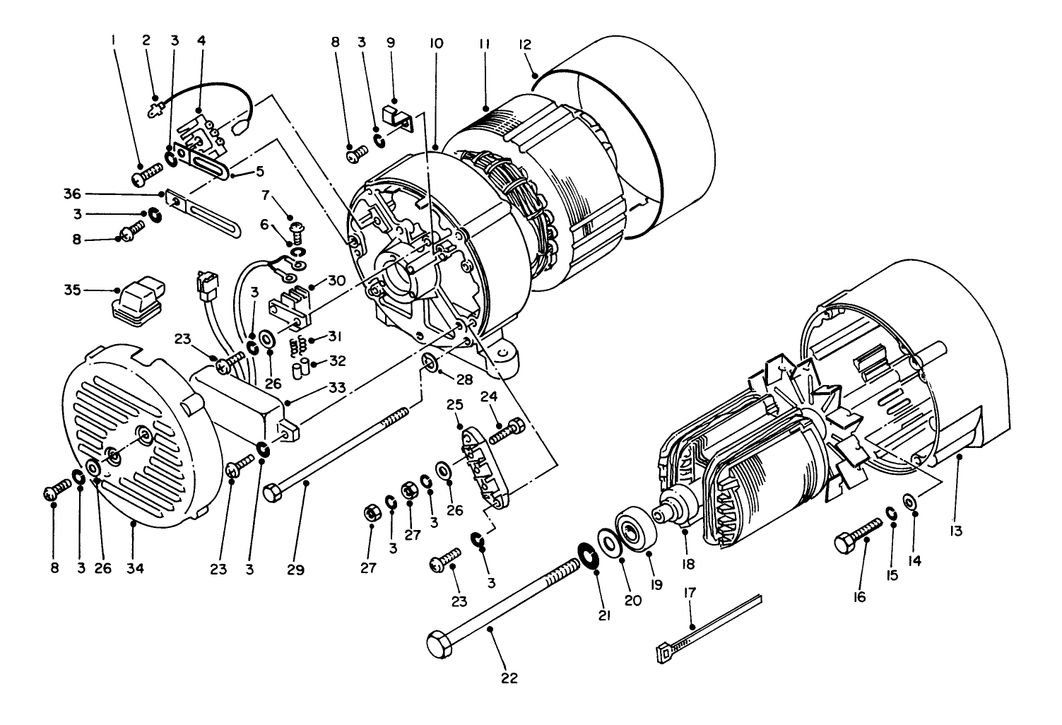
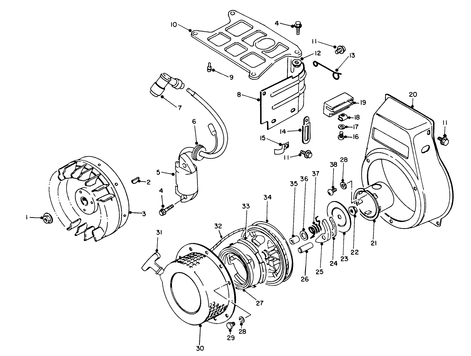
Generator, T2500
Product Information
- Model #: 62025
- Serial #: 5000001 - 5999999
- Product Type: Misc
Loading...
Assembly Drawings
Search for a part within assembly drawings:
-
Service Manual
-
Operator's Manual
-
Parts Catalog
-
Model #
62025 -
Serial #
5000001 - 5999999 -
Product Name
Generator, T2500 -
Product Brand
Toro -
Product Type
Misc -
Product Series
Generators -
Engine/Motor Manufacturer
Suzuki -
Engine/Motor Size
5 hp -
Engine/Motor Type
4 Cycle -
Engine Starter
Recoil







