Sand Pro® 2040Z
Product Information
- Model #: 08706
- Serial #: 400000000 - 400800000
- Product Type: Riding Products
Loading...
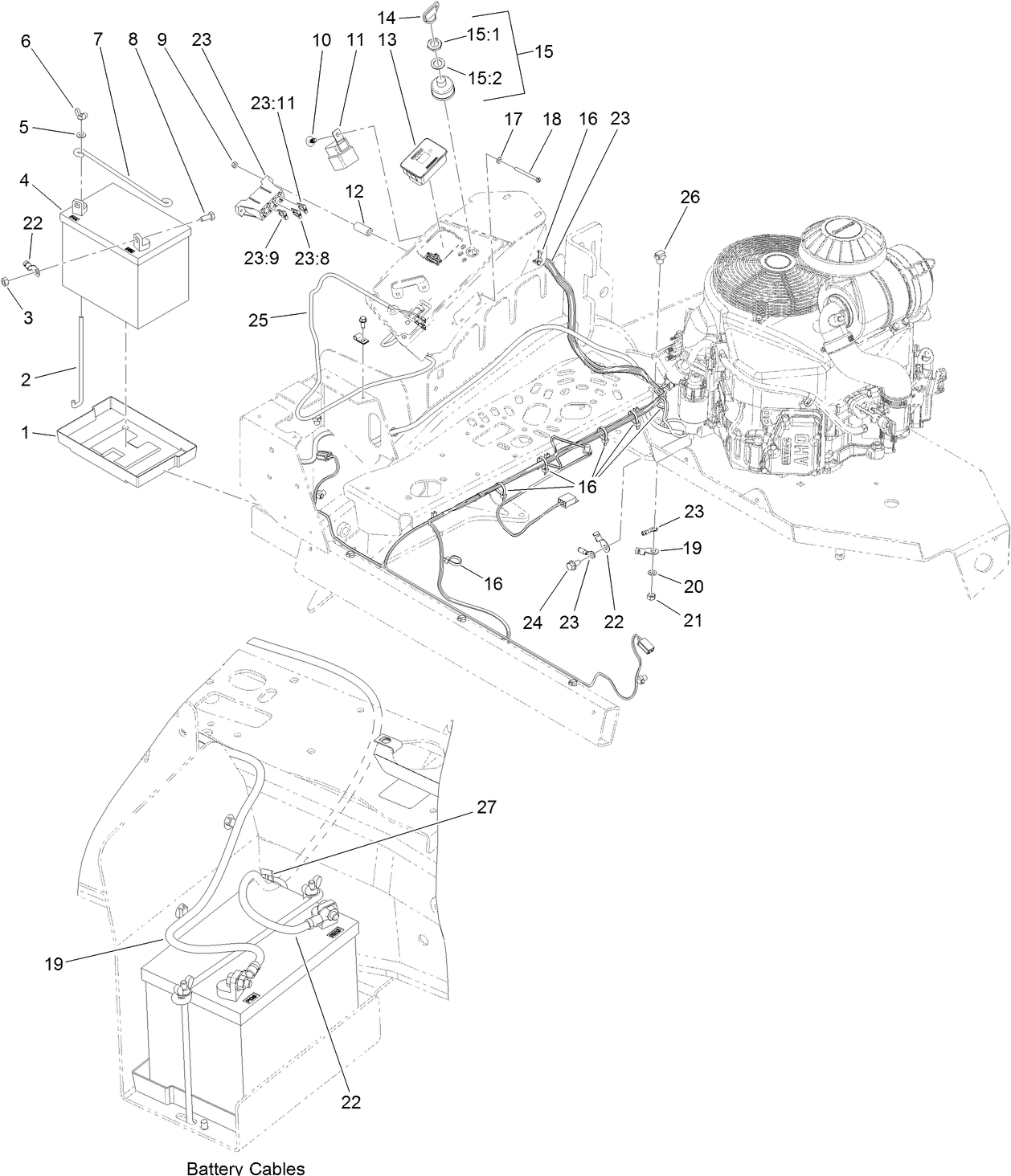
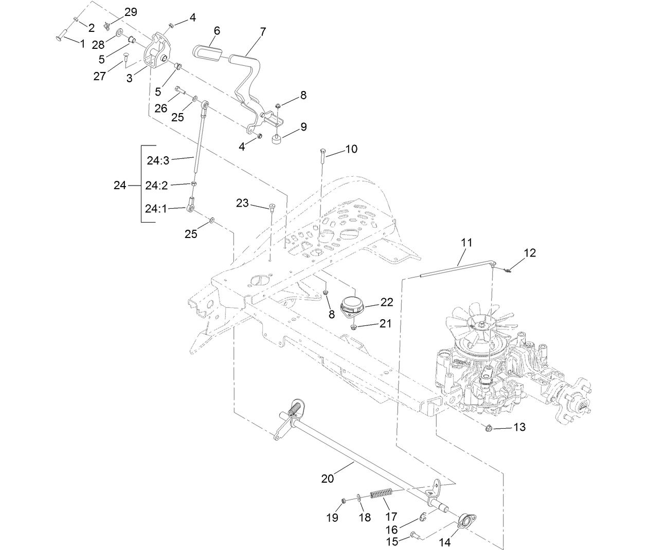
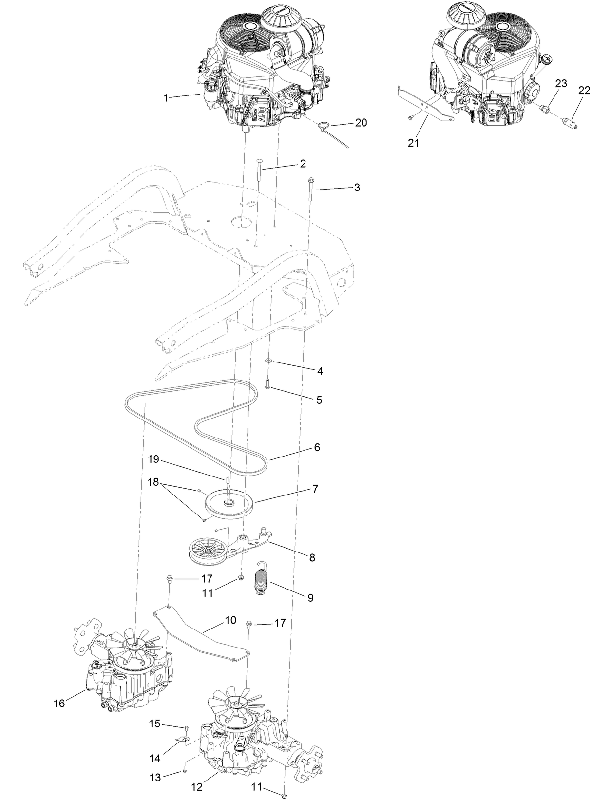
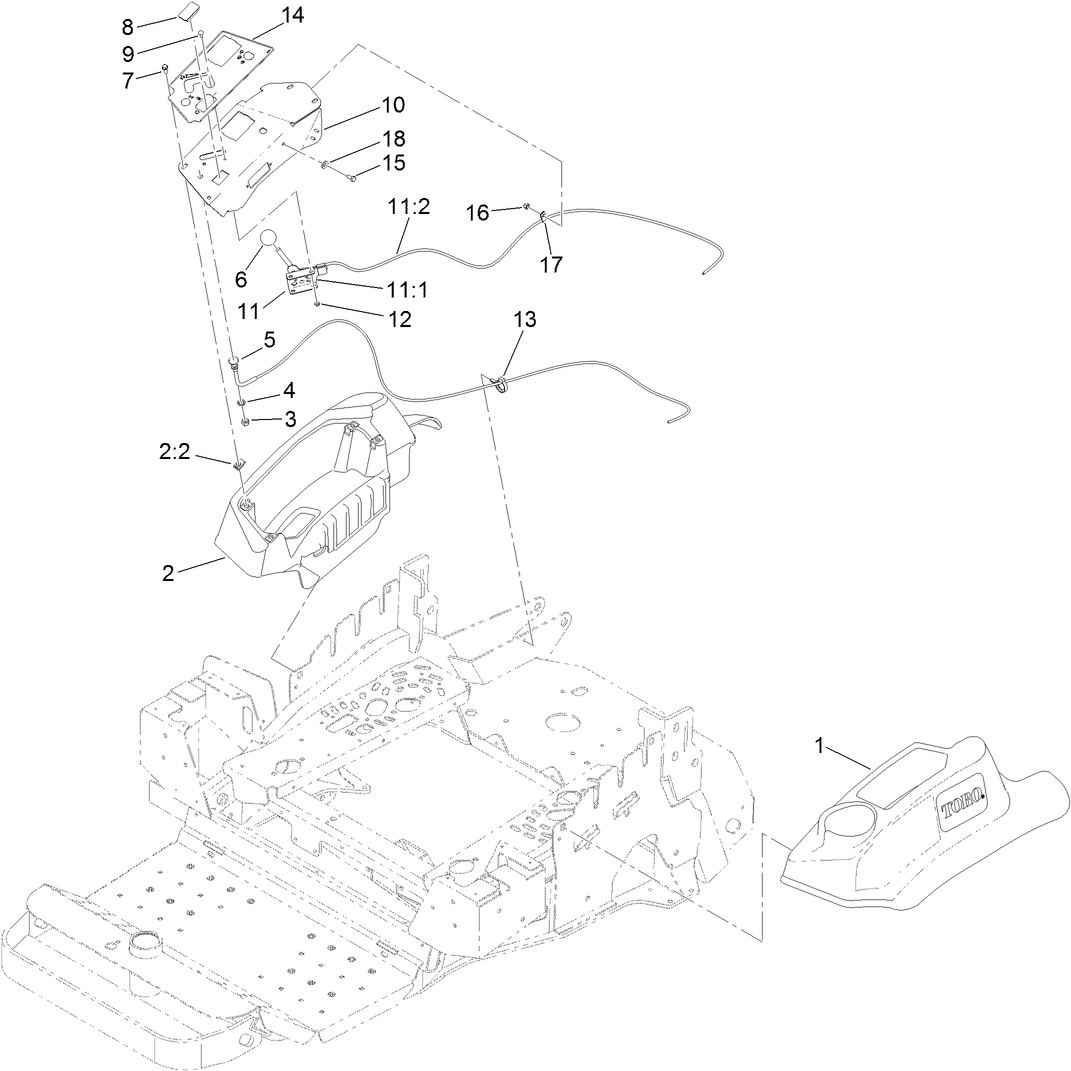
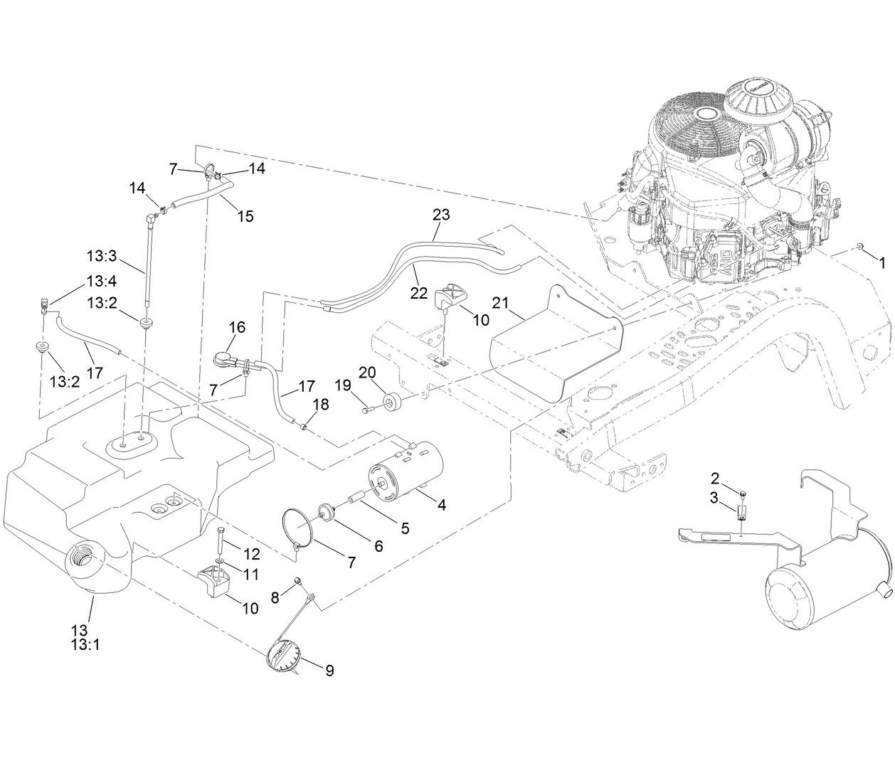
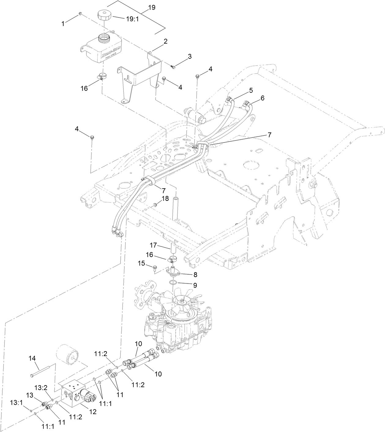
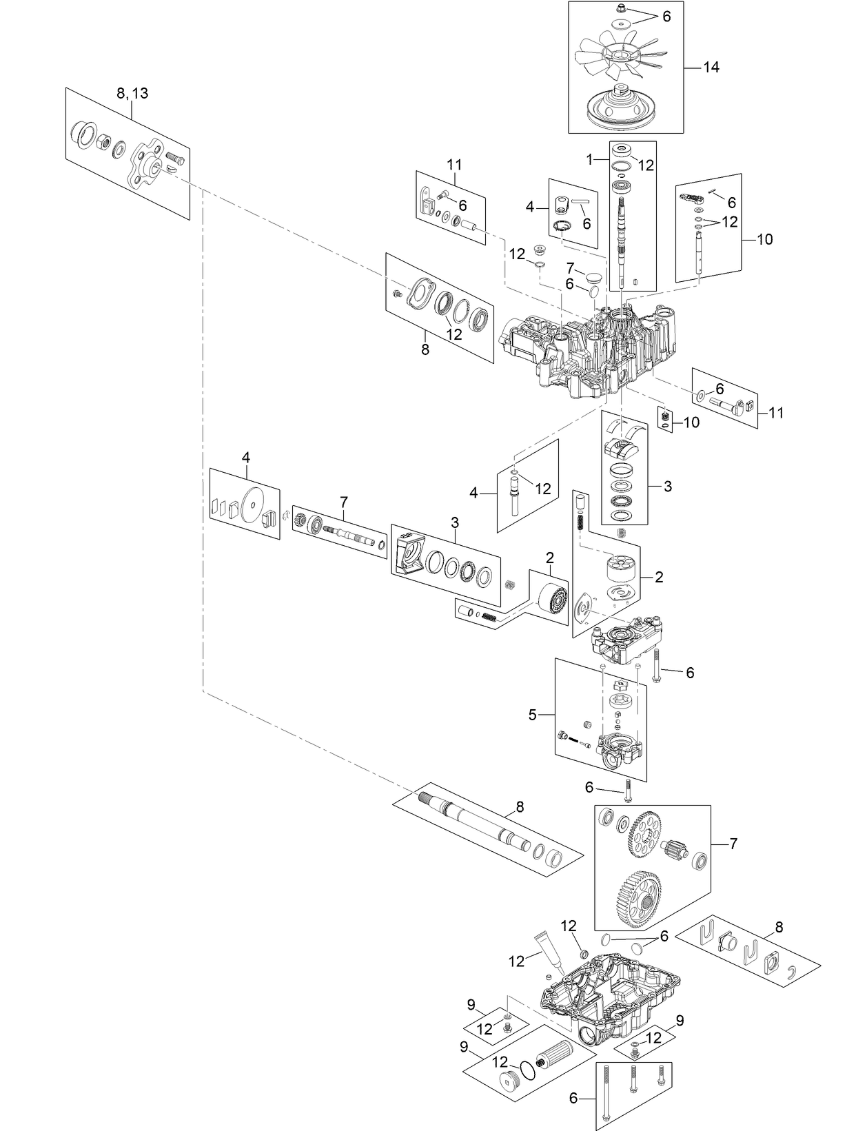
Assembly Drawings
Search for a part within assembly drawings:
-
Service Manual
-
Operator's Manual
-
Parts Catalog
-
EU Declaration of Conformity
-
Schematic Drawing - Electrical
-
Schematic Drawing - Hydraulic
Tooth Rake (Part # 08716)
Create a smooth surface and clear debris.
Nail Drag (Part # 08717)
Create a smooth surface and clear debris with extra strength.
Finishing Drag Mat Kit (Part # 08718)
Clear any bumps or imperfections and ensure a clean final look.
Finishing Brush Kit (Part # 08719)
Clear any bumps or imperfections and ensure a clean final look.
Speed Limiter Kit (Part # 08720)
Set a maximum speed to ensure safety.
Light Kit (Part # 08721)
Increase visibility and safety.
400 Hour MVP Kit Sand Pro 2040Z (Part # 08725)
Contains 114-3494 @ 2, 144-3842 @ 2, 119-5852 @ 5, 108-3811 @ 2, 115-7854 @ 2, 92-2153 @ 2
Spark Arrestor (Part # 104-6540)
Toro 55 Gallon Premium Transmission/Hydraulic Fluid (Part # 108-1183)
Toro 55 Gallon Premium Transmission/Hydraulic Fluid. Designed for use in Toro equipment created by Toro engineers. If you are unsure of your equipment needs, do a model extreme serial number search to verify that this is the correct oil type for your equipment.
Toro 5 Gallon Premium Transmission/Hydraulic Fluid (Part # 108-1184)
Toro 5 Gallon Premium Transmission/Hydraulic Fluid. Designed for use in Toro equipment created by Toro engineers. If you are unsure of your equipment needs, do a model extreme serial number search to verify that this is the correct oil type for your equipment.
Toro 14 oz. All-Purpose Grease (Part # 108-1190)
Toro 14 oz. All-Purpose Grease. Designed for use in Toro equipment created by Toro engineers. If you are unsure of your equipment needs, do a model extreme serial number search to verify that this is the correct oil type for your equipment.
Air Filter (Part # 108-3811)
Toro OEM Air Filter. Genuine Toro air filters give you consistent performance over the life of your machine.
Bimini Folding Sunshade Assembly (Part # 115-4510)
Toro genuine Optional fabric sun shade provides protection and comfort by shielding the operator from the elements.
Toro Premium Fuel Treatment - .4 oz. (Part # 117-0089)
Genuine OEM Part
Toro Premium Fuel Treatment - 16 oz. (Part # 117-0090)
Genuine OEM Part
Oil Filter (Part # 119-5852)
Your Toro engine’s oil filter removes waste, captures harmful debris, dirt, and metal fragments in your motor oil to keep the engine running smoothly. Without the oil filter, harmful particles can get into your motor oil and damage the engine. Installing genuine Toro engine oil filters on a regular service intervals keeps your Toro equipment running at its best!
Fuel Filter (Part # 121-4570)
The fuel filter prevents dust particles and fuel contaminants from entering the engine which could damage the cylinders, pistons and other components that will result in the need of costly repairs. Replacing these filters with a genuine Toro fuel filter prevents problems and ensures longer engine life.
Toro 5 Gallon Premium Engine Oil 10W-30 (Part # 121-6393)
Toro 5 Gallon Premium Engine Oil 10W-30. Designed for use in Toro equipment created by Toro engineers. If you are unsure of your equipment needs, do a model extreme serial number search to verify that this is the correct oil type for your equipment.
Tire ASM (Part # 125-6462)
Seat Isolation Kit, Sand Pro 2040Z Traction Unit (Part # 125-6469)
Bag Kit (Part # 127-0359)
Convenient spot for drinks or other tools.
Rubber Trowel Kit (Part # 130-2629)
Rake Holder Kit, Sand Pro 2040Z Traction Unit (Part # 130-7876)
Speed Plate Kit, Sand Pro 2040Z Traction Unit (Part # 130-7877)
Spark Plug (Part # 92-2153)
Replacement part.
Toro Filter Gauge for Kohler Engines (Part # 99-4664)
Toro genuine filter gauge. This Toro filter gauge shows when filters are nearing restriction limits, graduated indicators help you maximize filter life and effectively schedule service intervals. Toro would like to remind you that fitment can vary by sub model, serial number, and/or production date of your equipment. Please refer to the original owners manual in order to verify this is correct part for your machine.
-
Model #
08706 -
Serial #
400000000 - 400800000 -
Product Name
Sand Pro® 2040Z -
Product Brand
Toro -
Product Type
Riding Products


















