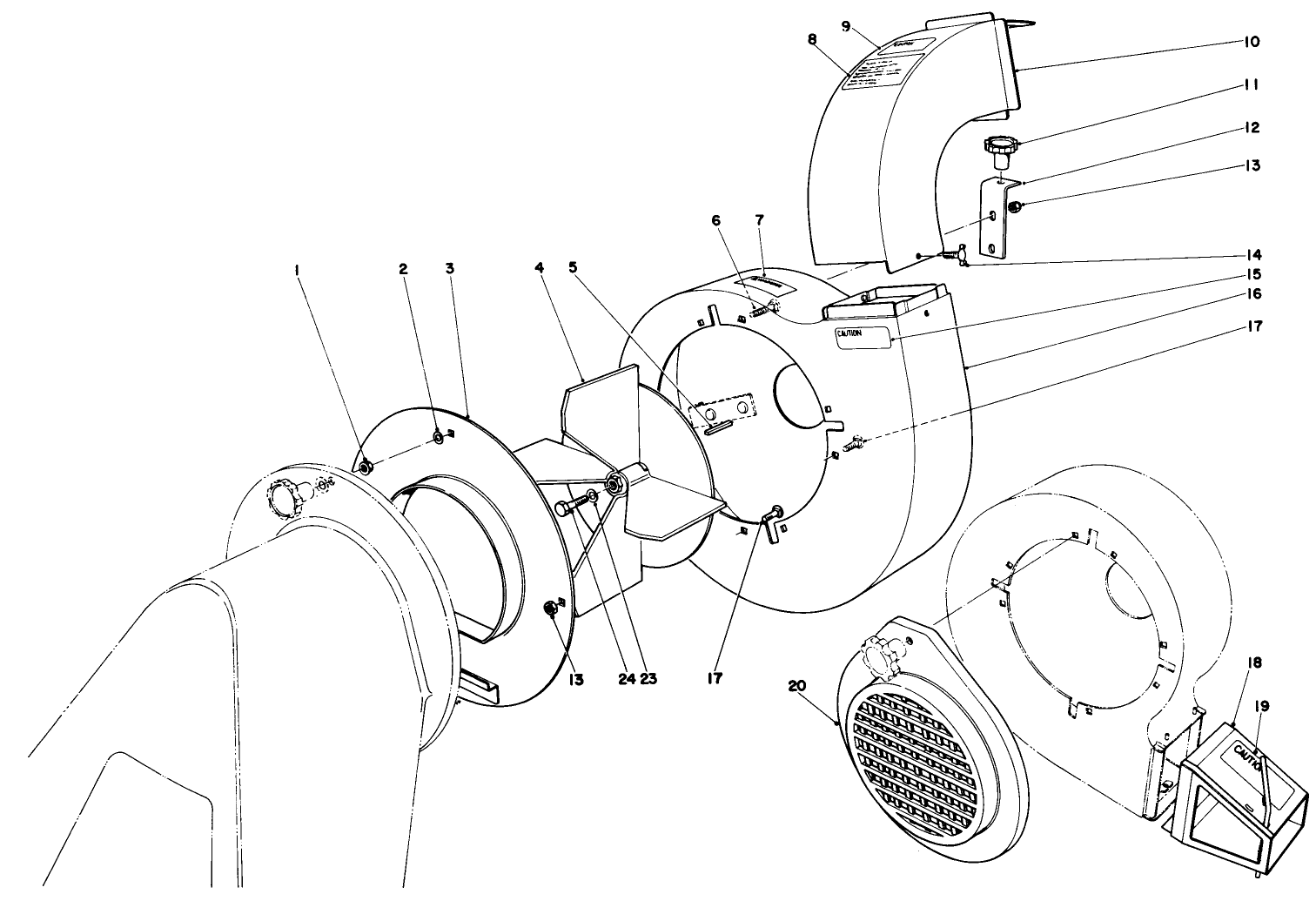
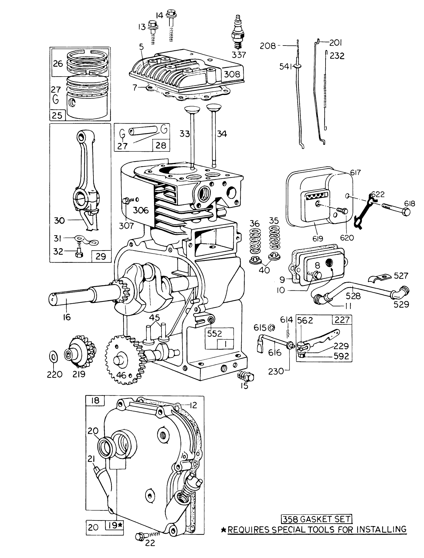
5 hp Lawn Vacuum
Product Information
- Model #: 62923
- Serial #: 9000001 - 9999999
- Product Type: Blowers/Vacuums
Loading...
Assembly Drawings
Search for a part within assembly drawings:
-
Model #
62923 -
Serial #
9000001 - 9999999 -
Product Name
5 hp Lawn Vacuum -
Product Brand
Toro -
Product Type
Blowers/Vacuums -
Product Series
Lawn Vacuum / Sweeper / Blower, Gas Powered -
Chassis Type
Gas Debris Equipment -
Engine/Motor Manufacturer
Briggs & Stratton -
Engine/Motor Size
5 hp -
Engine/Motor Type
4 Cycle -
Engine Starter
Recoil -
Transmission Type
Capstan











