Dingo® TX 427 Track Loader, Narrow
Product Information
- Model #: 22321
- Serial #: 402000000 - 404684849
- Product Type: Compact Utility Loaders
Loading...
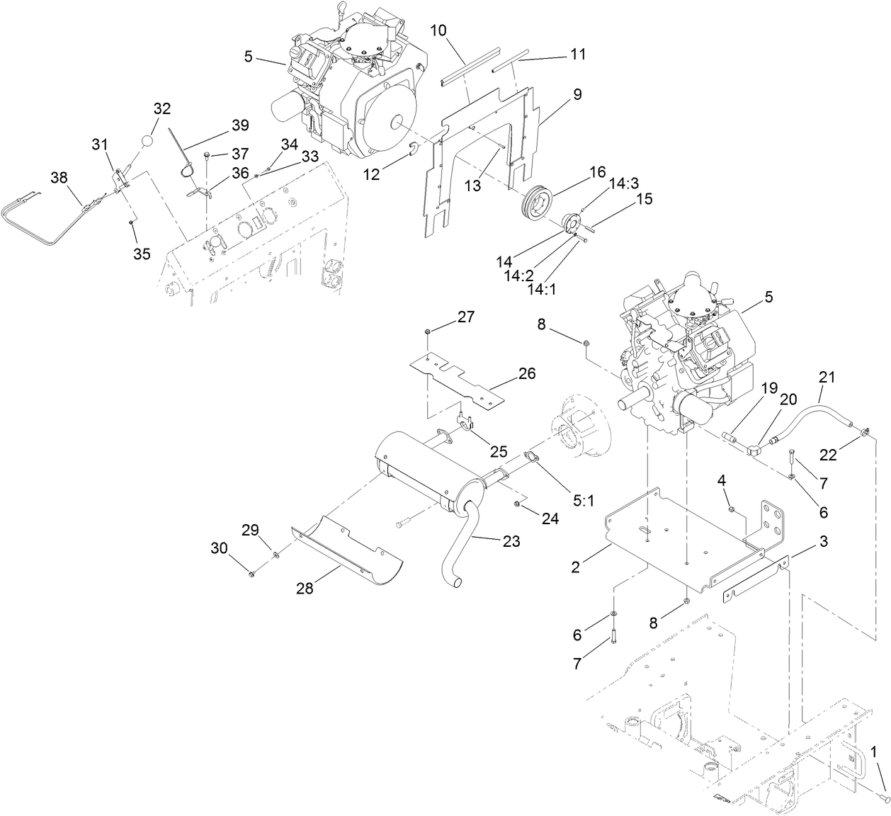
Assembly Drawings
Search for a part within assembly drawings:
-
Operator's Manual
-
Parts Catalog
-
Product Warranty
-
EU Declaration of Conformity
-
Setup Instructions
-
Schematic Drawing - Electrical
-
Schematic Drawing - Hydraulic
Light Kit for Dingo 323, TX 427, TX 525 (Part # 100-8840)
Light kit fits: Dingo 323, TX 427, TX 525 - LAMP 12V
Track Kit, Dingo TX 413 and 420 Compact Utility Loader (Part # 104-6106)
TX Road wheel kit (Part # 106-7620)
Road Wheel Kit for TX 427 and 525 models.
Reference Guide Kit, Dingo TX Compact Utility Loaders (Part # 107-9310)
TRACK-AGGRESSIVE TREAD, NARROW (Part # 108-5640)
Toro 5 Gallon PX Extended Life Hydraulic Fluid (Part # 133-8086)
Toro 5 Gallon PX Extended Life Hydraulic Fluid. Designed for use in Toro equipment created by Toro engineers. If you are unsure of your equipment needs, do a model extreme serial number search to verify that this is the correct oil type for your equipment.
Toro 55 Gallon PX Extended Life Hydraulic Fluid (Part # 133-8087)
Toro 55 Gallon PX Extended Life Hydraulic Fluid. Designed for use in Toro equipment created by Toro engineers. If you are unsure of your equipment needs, do a model extreme serial number search to verify that this is the correct oil type for your equipment.
Dingo TX 427 50-hour filter kit (Part # 136-4774)
Dingo TX 427 50-hour filter kit includes:
• oil filter (hydraulic) 86-3010
• air filter 108-3811
• engine oil filter 108-3847
• oil filter (hydraulic) 86-3010
• air filter 108-3811
• engine oil filter 108-3847
Dingo TX 427 200-hour filter kit (Part # 136-4775)
Dingo TX 427 50-hour filter kit includes:
• oil filter (hydraulic) 86-3010
• air filter 108-3811
• engine oil filter 108-3847
• oil filter (hydraulic) 86-3010
• air filter 108-3811
• engine oil filter 108-3847
Toro Full Synthetic 10W-30 Engine Oil (32 oz.) (Part # 138-6053)
Toro full synthetic 10W-30 engine oil. The easy engine oil choice for any outdoor power equipment
to increase performance and reliability.
Toro PX Extended Life Hydraulic Fluid - 1 Gallon/4pack (Part # 138-9460)
Toro PX Extended Life Hydraulic Fluid. Designed for use in Toro equipment created by Toro engineers. If you are unsure of your equipment needs, do a model extreme serial number search to verify that this is the correct oil type for your equipment.
SPOT 2 GPS KIT (Part # 161-6885)
Loader Bucket Attachment (Part # 22409)
Use this standard bucket for moving rock, dirt, sand or other materials off and around the job site. The hardened steel cutting edge offers improved cutting and digging capability for better performance to handle tough digging conditions and affords superior wear. Capacity = 4 cubic feet (1 cu. m.).
Light Materials Loader Bucket Attachment (Part # 22410)
Designed for moving light materials like chip-bark, mulch, snow and loam. The larger capacity bucket, 6.4 cubic feet (.2 cu. m.), is great for handling larger loads of lighter materials. The hardened steel cutting edge allows for improved cutting and digging capability for better performance to handle tough digging conditions and affords superior wear.
Utility Blade Attachment (Part # 22414)
The Toro Dingo hydraulic blade greatly increases the versatility of your Dingo system. This incredibly versatile attachment can be used for a variety of earth or snow moving jobs. Fill trenches where rows of trees have been planted or irrigation pipes have been installed. Keep your hydraulic blade working in the winter by pushing snow from sidewalks in one pass.
Rotary Broom, Dingo (Part # 22415)
Bore Drive Head Attachment (Part # 22420)
The Toro® Dingo® boring unit allows you to dig under sidewalks and driveways to simplify irrigation and cable installations. Shorter rod lengths and the ability to lower the bore head below grade allow you to work in both confined and open areas, increasing your productivity.
Rod and Reamer Kit (Part # 22421)
Easily bore under driveways and sidewalks to simplify irrigation and cable installations. Use with Bore Drive Head attachment model 22420. Working depth: 19". Bits and reamers up to 3.5" in diameter.
Multi-Purpose Tool, Dingo (Part # 22423)
Power Box Rake, Dingo Compact Utility Loader (Part # 22425)
Stump Grinder Attachment (Part # 22429)
The Toro® Dingo® Stump Grinder easily attaches to either Dingo or Dingo TX compact utility loaders. Make grinding stumps quicker and more productive with the stump grinder attachment for your Toro Dingo.
Tree Fork Attachment (Part # 22438)
The Toro Dingo hydraulic tree forks can help you plant trees and large shrubs quickly and effortlessly, plus move all sorts of materials around your garden center or nursery. The Dingo Compact Utility Loader is especially easy to maneuver, helping you transport and position trees or shrubs exactly where you want them.
Cement Mixer Attachment (Part # 22442)
This unique attachment will mix and pour up to 200 pounds (90.7 kg) of dry cement. The specially designed auger flighting inside the cement bowl keeps the cement in the bowl during mixing. This same auger design permits cement to be poured into fence post holes with the posts in place!
Tiller Attachment (Part # 22445)
The Toro Dingo tiller attachment greatly increases the productivity and performance of your Dingo system. Break through hard soil conditions up to 6" (15.2 cm) deep. Avoid clogging the tiller by using one easy hand control to reverse the direction of the tiller to clear jams from rocks and debris.
Snowthrower, Dingo and Dingo TX (Part # 22456)
Trencher Crumber (Part # 22464)
Spring design, trencher accessory to help clean out trenches
Trench Backfiller Attachment (Part # 22472)
Designed for time and money-saving efficiency, this attachment lets operators fill trenches in a single pass. Two sets of opposing augers direct the spoils from the sides of the trench back into the hole, while the filler levels off the work area and fluffs the turf on each side of the trench minimizing its footprint
High Torque Trencher Attachment (Part # 22473)
High-torque trencher head with heavy-duty drive system guarantees performance in the toughest soil conditions from rock to caliche. Dig trenches up to 50" (127 cm) below grade. Heavy-duty nose roller bearing and reversible abrasion-resistant boom give you years of dependable use.
High Speed Trencher Attachment (Part # 22474)
Ideal for fast, efficient trenching in most soil conditions. Great for cable, pipe or irrigation installations.
TX Platform, Gasoline-Powered TX Compact Utility Loader (Part # 22475)
Narrow Loader Bucket Attachment (Part # 22520)
Handle compact construction and remodeling sites by moving through 36" (91.4 cm) gates without a problem. This 35" (88 cm) wide bucket allows you to get through narrow spaces, including gates and doorways. Move rock, dirt, sand or other materials off and around the job site. Great for use on any Dingo® model equipped with narrow wheels and tires.
Grapple Rake, Compact Utility Loaders (Part # 22521)
30" Floor Scraper Attachment (Part # 22673)
Discover the ultimate solution for effortless flooring removal - the Toro 30” Floor Scraper. Crafted with a laser-cut, all-steel construction frame, this tool ensures high performance and durability. At just under 30” width, the floor scraper effortlessly maneuvers through doorways and tight spaces, streamlining your flooring removal tasks.
Operational efficiency is a priority, which is why the frame is specifically designed to allow operators clear visibility of the blade, enhancing precision and effectiveness.
The Toro 30” Floor Scraper tackles any challenge with ease. From vinyl, quarry, and ceramic tiles to carpet squares, paint, glue, and more, no stubborn flooring material stands a chance against its power. Say farewell to tedious and time-consuming removal processes.
Operational efficiency is a priority, which is why the frame is specifically designed to allow operators clear visibility of the blade, enhancing precision and effectiveness.
The Toro 30” Floor Scraper tackles any challenge with ease. From vinyl, quarry, and ceramic tiles to carpet squares, paint, glue, and more, no stubborn flooring material stands a chance against its power. Say farewell to tedious and time-consuming removal processes.
High Torque Auger Attachment (Part # 22805)
In any drive head, there is a tradeoff between torque (power) and speed (revolutions per minute). The high torque head provides a large amount of torque to the auger at a slower speed. The high torque translates into the Dingo's capability to dig 30" (76.2 cm) holes up to 6' (1.8 m) deep in clay, gravel, sandstone and many other conditions where lower torque heads get stuck.
Track Loader Auger Attachment (Part # 22806)
This attachment swivels in all directions to create plumb holes on uneven terrain. The higher speed of this auger power head is ideal for augers up to 24" (61cm) in diameter. Quickly change between auger bit sizes to dig holes for fence posts, footings, irrigation heads and more!
Vibratory Plow Attachment (Part # 22911)
The Toro® Dingo® vibratory plow attachment greatly reduces a contractor's time spent on irrigation and cable installations. Exclusively designed and built by Toro specifically for use on the Dingo, the vibratory plow optimizes pipe-pulling performance while minimizing turf damage during an installation. Also, use the chuted blade and spool carrier to install wire or cable.
Soil Cultivator, Dingo Compact Utility Loader (Part # 23101)
Concrete Breaker, Dingo Compact Utility Loaders (Part # 23135)
Dingo TX Unit Fit-up Kit (Part # 23162)
Allows 23126 to fit to Dingo TX units 22321, 22322, 22323, 22324, 22327, and 22328.
Backhoe, Dingo Compact Utility Loader (Part # 23163)
Adjustable Forks, Dingo Compact Utility Loader (Part # 23164)
Leveler Attachment (Part # 23165)
This versatile and highly productive tool is a must have attachment for all job sites. Use to grade, finish, and spread landscape materials, backfill trenches, and break up the turf. Also great for carrying and transporting materials around the job site.
30" Standard Bucket (Part # 23174)
The 30" Standard Bucket is a powerhouse when it comes to moving concrete, rock, dirt, sand, or any other materials around the job site. Its slim 30" width allows for easy navigation through doorways and tight spaces, optimizing efficiency.
Designed with a hardened steel cutting edge, this bucket delivers exceptional cutting and digging capabilities, ensuring top-notch performance even in challenging digging conditions. Its superior wear resistance guarantees long-lasting durability.
With a generous capacity of just under 3 cubic feet (0.08 cu. m.), the 30" Standard Bucket is the perfect tool to tackle various material handling tasks on your project.
Designed with a hardened steel cutting edge, this bucket delivers exceptional cutting and digging capabilities, ensuring top-notch performance even in challenging digging conditions. Its superior wear resistance guarantees long-lasting durability.
With a generous capacity of just under 3 cubic feet (0.08 cu. m.), the 30" Standard Bucket is the perfect tool to tackle various material handling tasks on your project.
30” Adjustable Forks Attachment (Part # 23175)
Unlock the full potential of your Dingo system with the Toro Dingo 30” Adjustable Forks. Tailored specifically for the eDingo 500, these forks are the ultimate solution for seamless maneuvering through tight spaces during indoor construction and demolition tasks, elevating your productivity to new heights.
Versatility is the key to success, and these adjustable forks deliver just that. Perfectly suited for a wide range of material handling jobs, effortlessly move debris, pallets, and more around the job site with ease and efficiency. It's like having a reliable roving workstation that effortlessly transports heavy materials without causing fatigue.
Compatible with all Dingo models, except Dingo TXL 2000, our 30” Adjustable Forks are designed to integrate seamlessly with your existing equipment, saving you valuable time and effort.
Versatility is the key to success, and these adjustable forks deliver just that. Perfectly suited for a wide range of material handling jobs, effortlessly move debris, pallets, and more around the job site with ease and efficiency. It's like having a reliable roving workstation that effortlessly transports heavy materials without causing fatigue.
Compatible with all Dingo models, except Dingo TXL 2000, our 30” Adjustable Forks are designed to integrate seamlessly with your existing equipment, saving you valuable time and effort.
30" Grapple Bucket (Part # 23176)
The 30” Grapple Bucket is designed for contractors looking for a bucket to grab, drag, lift and remove demolition debris and materials on residential, commercial and demolition sites. With its slim 30” width, the bucket effortlessly maneuvers through doorways and tight spaces, streamlining your material handling tasks. Compatible with all Dingo models, except Dingo TXL 2000, our 30” Grapple Bucket is designed to integrate seamlessly with your existing equipment, saving you valuable time and effort.
10W30 4-Cycle Engine Oil - 32 oz. Bottle (Part # 38280)
The Toro 38280 Premium 4-Cycle Lawn Mower Engine Oil 10W-30 is specially formulated to meet specific 4-cycle engine manufacturer requirements calling for 10W-30. This lawn mower engine oil provides the ultimate protection for all 4-cycle OPE engines. The lawn mower engine oil is developed with Toro engineering to meet the standards for all air-cooled, liquid-cooled and diesel engines. To maximize the performance of your Toro lawn mower, we highly recommend using this Toro lawn mower engine oil, which has been specifically formulated for best results. The lawn mower engine oil provides extreme performance in all temperatures, enhancing the life of your lawn mower's engine.
Z-Master Spark Arrestor (Part # 75-6880)
Toro OEM spark arrestor prevents carbon build ups from being ejected from the engine and igniting a fire.
-
Model #
22321 -
Serial #
402000000 - 404684849 -
Product Name
Dingo® TX 427 Track Loader, Narrow -
Product Brand
Toro -
Product Type
Compact Utility Loaders -
Engine/Motor Manufacturer
Kohler -
Engine/Motor Size
27 hp -
Engine/Motor Type
4 Cycle -
Engine Starter
Electric -
Transmission Type
Hydrostatic





























