21” (53 cm) Personal Pace® SMARTSTOW® Super Recycler® Mower
Product Information
- Model #: 21386
- Serial #: 400000000 - 407799999
- Product Type: Walk Behind Mowers
Loading...
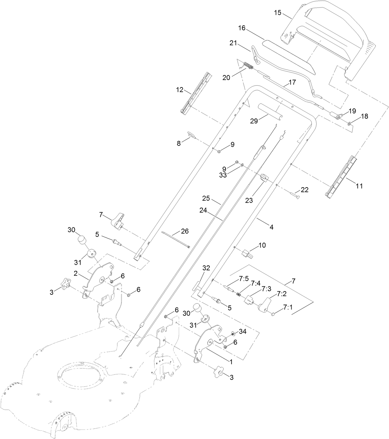
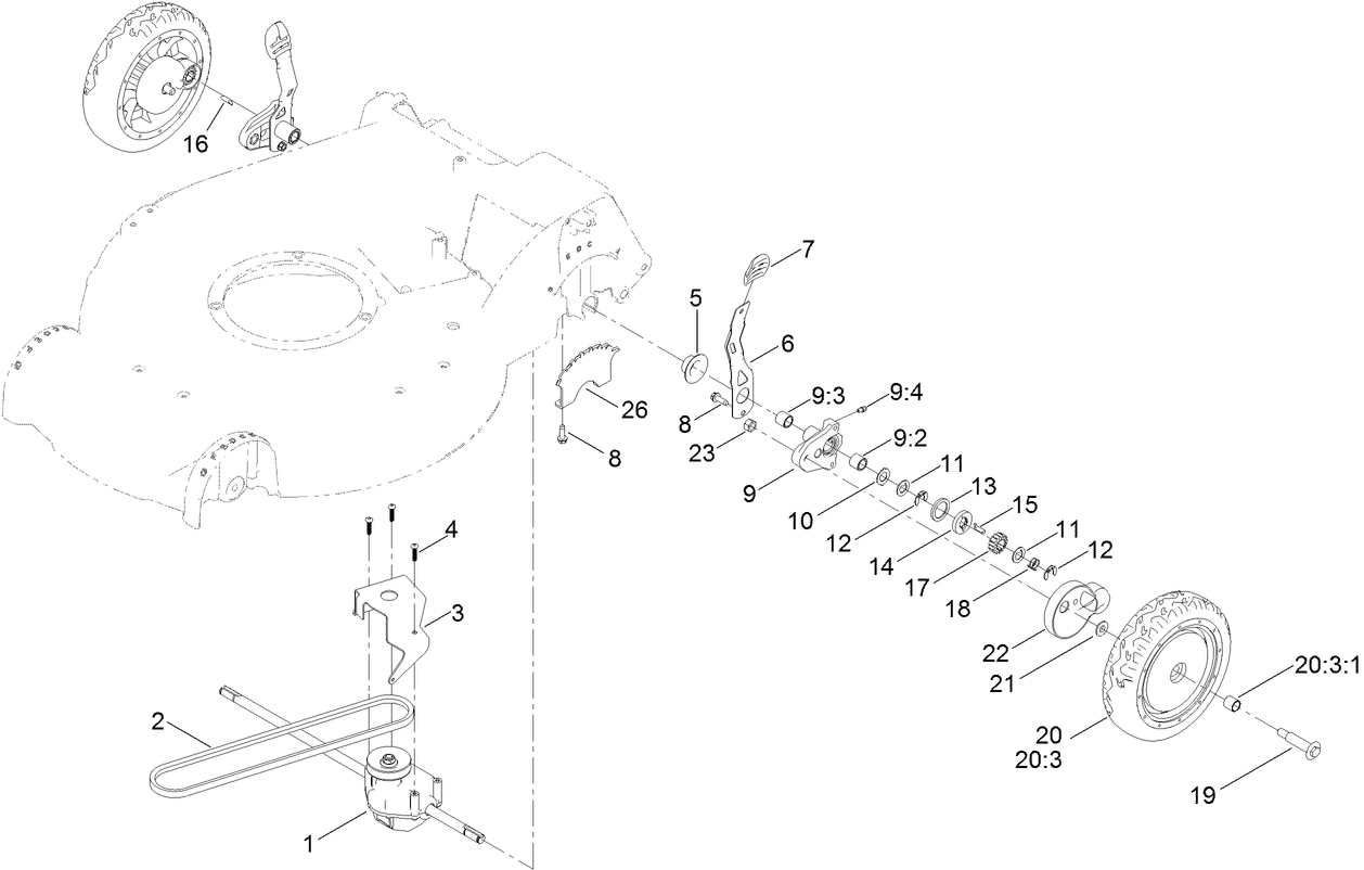
Assembly Drawings
Search for a part within assembly drawings:
-
Operator's Manual
-
Parts Catalog
-
Product Warranty
-
Quick Start Guide
21 Inch Standard Bagging Blade (Part # 108-3759-03)
Toro standard blade. Toro standard lawn blades have a straight and more aerodynamic body that cuts grass which then allow for either discharge or bagging of the clippings. This Toro blade has multiple applications. Be sure to verify model and serial number to ensure the correct part.
Briggs & Stratton EXi Engine Maintenance Kit (Part # 130-8148)
Keep your mower running like new, season after season. Kit is designed for Toro lawn mowers with Briggs & Stratton EXi 163cc engine and serial number of 400000000 or greater. Includes 18 oz. bottle of 4-cycle engine oil (part # 38916), one spark plug (part # 130-8167), one air filter (part # 130-8165) and a .05 oz. packet of fuel treatment (part # 130-2393)
All Season 4-Cycle Fuel for Lawn Mowers and Snow Blowers 32 oz. (Part # 131-3823)
4-cycle ethanol free fuel, engineered for maximum performance. Highly recommended for gas engines to maintain smooth performance. Advantages include cleaner fuel system, better fuel economy, longer shelf life and less wear and tear on internal engine parts. 92 plus octane for fast starts and optimal equipment performance.
Traction Assist Handle (Part # 131-4590)
The traction assist handle allows you to use your hands to control the speed of Personal Pace mowers, instead of your walking speed. The fixed assist handle allows you to squeeze the traction bar to adjust the mower speed without changing walking speed. It is helpful in situations when turning tight corners and mowing on hills. When it comes to reliability, Toro delivers replacement parts designed to the exact engineering specifications of our equipment. For peace of mind, insist on Toro genuine parts.
Premium Fuel Treatment (12 oz.) (Part # 131-6572)
Toro Premium Fuel Treatment helps ensure clean, reliable engine performance and protection. Good for your lawnmowers, snow blowers, weed whackers, leaf blowers and other small engine power equipment. Using Toro Fuel Treatment with every fill up provides protection for two and four cycle small engines.
Please contact your local dealer
Toro Full Synthetic 10W-30 Engine Oil (32 oz.) (Part # 138-6053)
Toro full synthetic 10W-30 engine oil. The easy engine oil choice for any outdoor power equipment
to increase performance and reliability.
SAE 30 4-Cycle Lawn Mower Engine Oil 32 oz (Part # 38903)
Toro SAE 30 4-cycle engine oil passed the strictest requirements in thousands of hours of testing in hundreds of engines before you filled your lawn mower. This oil meets or exceeds performance requirements of all OEM engines (Toro, Briggs & Stratton, KOLHER, Honda, and Tecumseh). The use of Toro SAE 30 4-cycle lawn mower oil minimizes molecular shearing for extended life in hot-air-cooled applications vs multi-grades (i.e., 10W-30).
SAE 30 4-Cycle Summer Engine Oil 18 oz. (Part # 38916)
Toro SAE 30 4-Cycle engine oil isn't your average SAE 30 engine oil. This Genuine Toro Oil passed the strictest requirements in thousands of hours of testing in hundreds of engines. Toro's SAE 30 oil is the perfect choice for your mower's annual oil change.
Small Walk-Behind Mesh Bag (Part # 490-7318)
Use Toro mesh utility bags for personal storage or picking up trash while you mow. Equipped with on/off straps, the bag hangs conveniently behind your lawn mower.
Cover for 20 to 22 Inch Walk-Behind Mowers (Part # 490-7462)
The Toro Walk Power Mower Cover for 20 in. to 22 in. Walk-Behind Mowers offers all-season protection. This cover is constructed from tough, waterproof, tear and abrasion resistant 600-denier polyester.
-
Model #
21386 -
Serial #
400000000 - 407799999 -
Product Name
21” (53 cm) Personal Pace® SMARTSTOW® Super Recycler® Mower -
Product Brand
Toro -
Product Type
Walk Behind Mowers -
Product Series
21" Cast Deck -
Chassis Type
Cast Deck WPM -
Swath
21 inch -
Discharge
Recycler & Side and Rear Discharge & Rear Bag -
Engine/Motor Manufacturer
Briggs & Stratton -
Engine/Motor Size
163cc -
Engine/Motor Type
4 Cycle -
Engine Starter
Recoil -
Traction Type
Rear WD
-
Engine: Engine Speed
2900±100 RPM -
Engine: Spark Plug Gap
.030"/ .76mm -
Chassis: Height of Cut Range
1.25-4.25", 1/2" increments -
Engine: Engine Oil Type
15 oz. (.44L) SAE 30 or SAE 10W-30 / API SJ or higher






