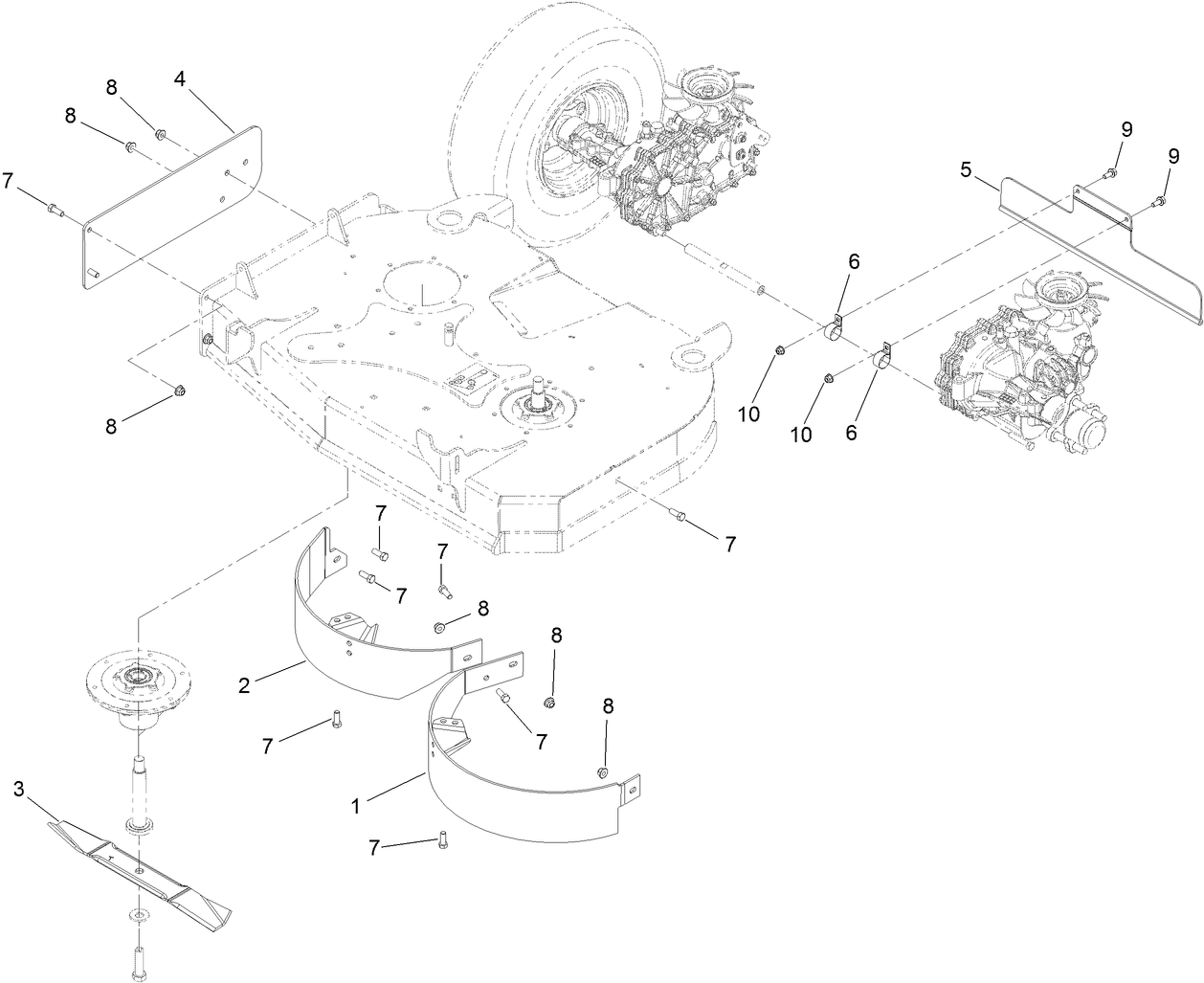
36 inch Recycler Kit
Product Information
- Model #: 140-1913
- Serial #: None - None
- Product Type: Walk Behind Mowers
Loading...
Assembly Drawings
Search for a part within assembly drawings:
-
Parts Catalog
-
Installation Instructions
-
Model #
140-1913 -
Serial #
None - None -
Product Name
36 inch Recycler Kit -
Product Brand
Toro -
Product Type
Walk Behind Mowers
