Ultra Buggy® 2500-TS
Product Information
- Model #: 68141
- Serial #: 400000000 - 408899999
- Product Type: Concrete Equipment
Loading...
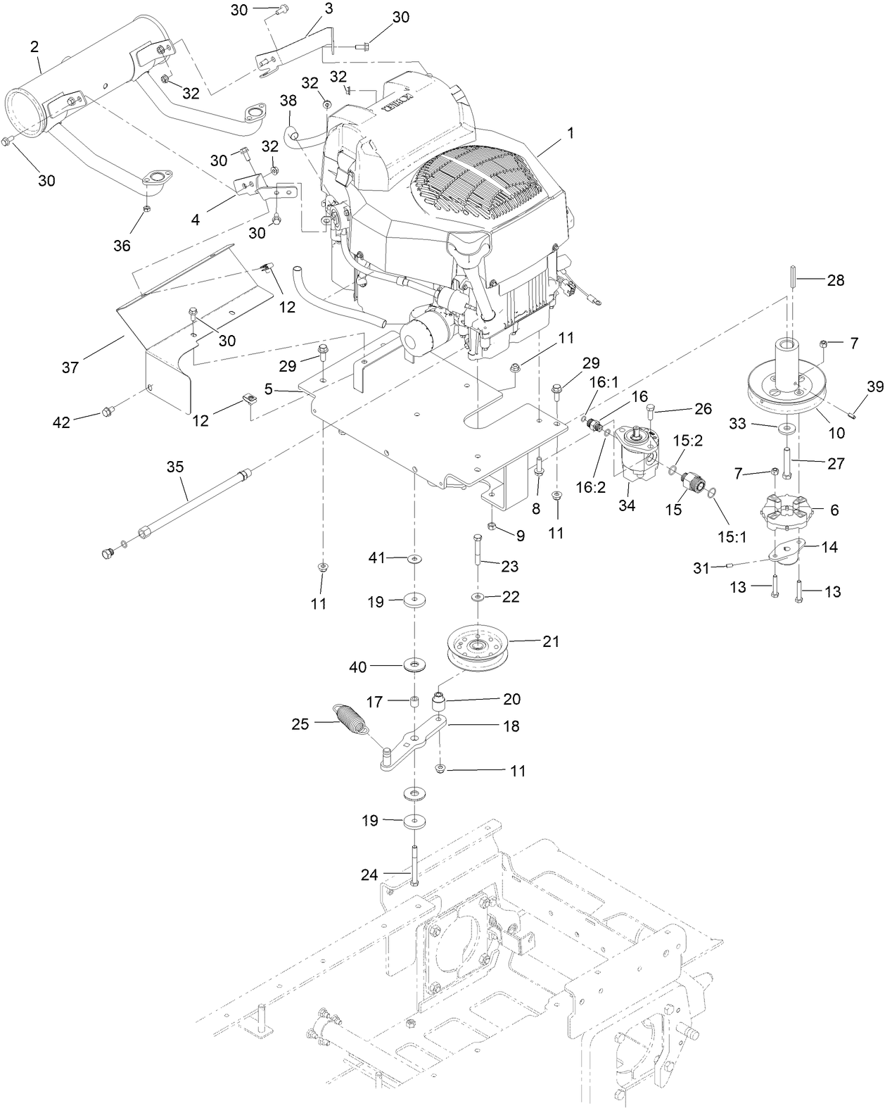
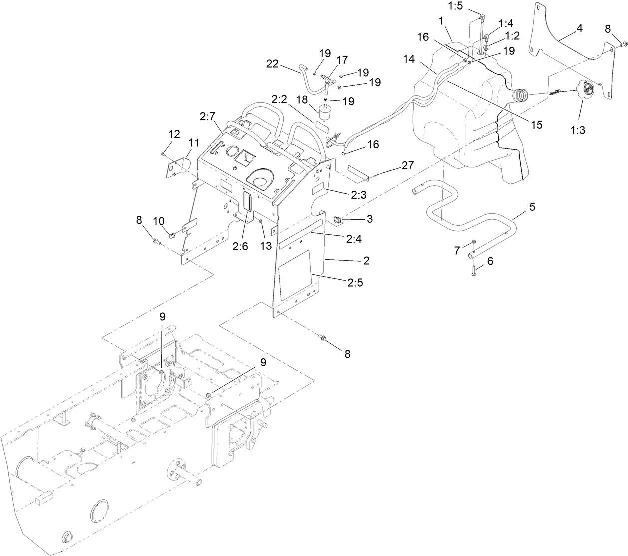
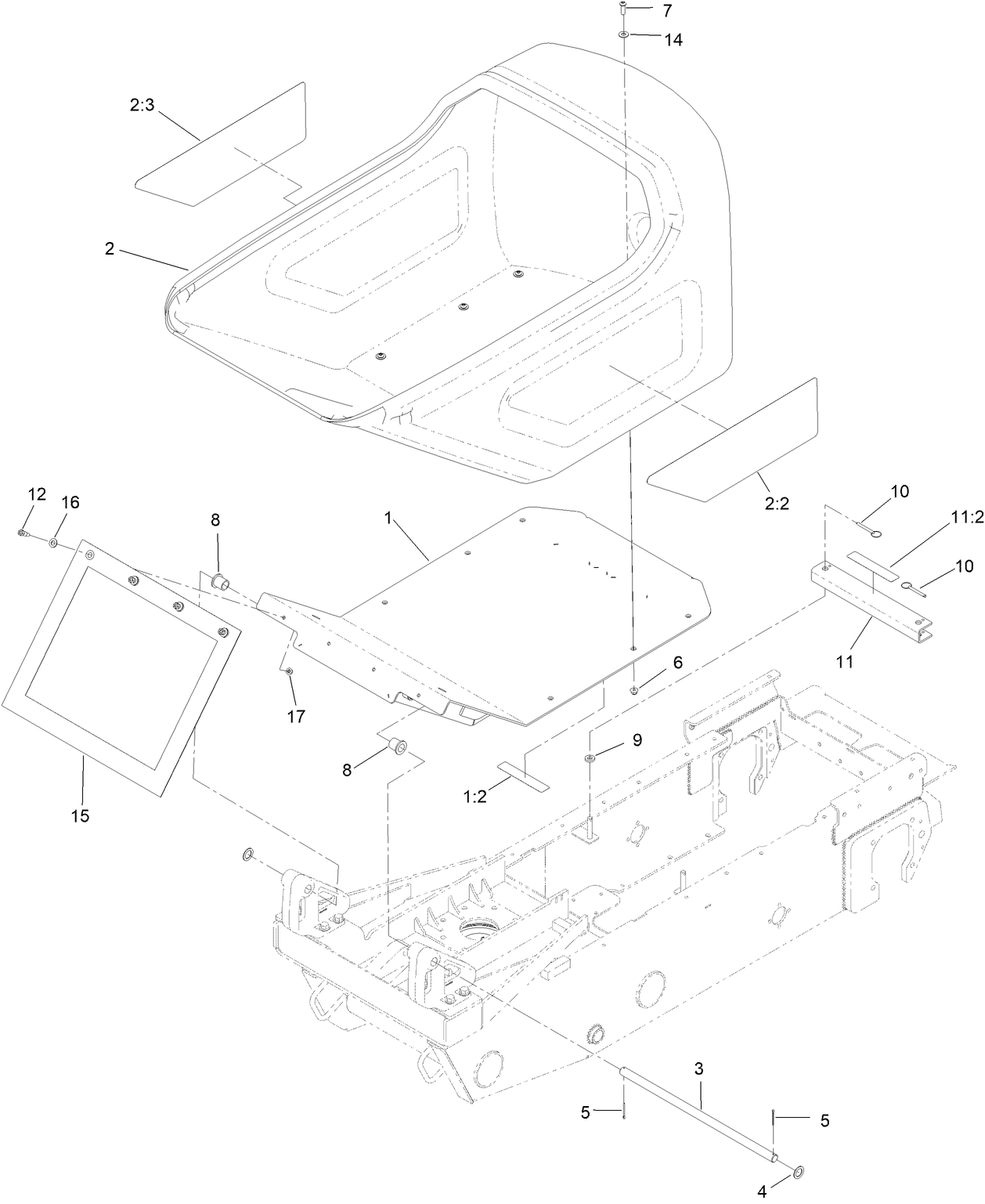
Assembly Drawings
Search for a part within assembly drawings:
-
Operator's Manual
-
Parts Catalog
-
Product Warranty
-
Setup Instructions
-
Schematic Drawing - Electrical
-
Schematic Drawing - Hydraulic
LIGHT KIT-MUD BUGGY (Part # 137-0558)
KIT-HOPPER, MORTAR (Part # 139-7216)
KIT, DECAL-EQUIP SHARE MBTX2500-TS (Part # 163-3231)
Steel Tub Accessory for Material Buggies (Part # 68101)
Superior performance meets versatility with the steel tub accessory for the Material Buggy product line. The steel tub is sold as an optional accessory to replace the standard poly tub.
Spark Arrestor (Part # 98-9099)
Toro OEM spark arrestor prevents carbon build ups from being ejected from the engine and igniting a fire.
-
Model #
68141 -
Serial #
400000000 - 408899999 -
Product Name
Ultra Buggy® 2500-TS -
Product Brand
Toro -
Product Type
Concrete Equipment














