21” (53 cm) 60V MAX* Electric Battery Personal Pace® Super Recycler® Mower Bare Tool
Product Information
- Model #: 21388T
- Serial #: 409320000 - 999999999
- Product Type: Walk Behind Mowers
Loading...
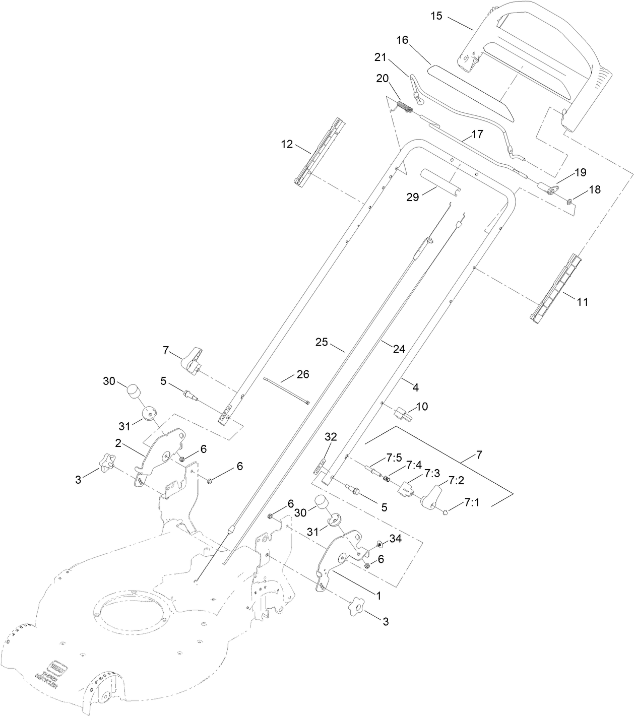
Assembly Drawings
Search for a part within assembly drawings:
-
Service Manual
-
Operator's Manual
-
Parts Catalog
-
Product Warranty
-
Model #
21388T -
Serial #
409320000 - 999999999 -
Product Name
21” (53 cm) 60V MAX* Electric Battery Personal Pace® Super Recycler® Mower Bare Tool -
Product Brand
Toro -
Product Type
Walk Behind Mowers -
Product Series
Walk Power Mower, Electric -
Chassis Type
Cast Deck WPM -
Swath
21 inch -
Discharge
Recycler & Side Discharge with Rear Bag -
Engine/Motor Type
60 VDC -
Traction Type
Rear WD
-
Chassis: Height of Cut Range
1.25-4.25", 1/2" increments -
Engine: Battery
60V LI-ION BATTERY 6.0AH









