Image Not Found

Product Information

  • Model #: 73420
  • Serial #: 3900001 - 3999999
  • Product Type: Riding Products
Image Not Found
36" Rear Discharge Mower (Part # 05-36MR05)
Image Not Found
42" Snowthrower (Part # 06-42ST07)
Image Not Found
44" Two-Stage Snowthrower (Part # 06-44SC01)
Image Not Found
48" Snow/Dozer Blade (Part # 06-48BC03)
Image Not Found
Front Mower Carrier (Part # 07-01MC03)
Image Not Found
50" Mid-Mount Grader Blade (Part # 07-50BM03)
Toro Red 12or aerosol can.
Toro Genuine Parts Logo
Red Paint (Gallon) (Part # 361-11)
Toro Genuine Parts Logo
Red Paint (Part # 5340)
Image Not Found
42" Side Discharge Mower (Part # 78345)
Image Not Found
42" Rear Discharge Mower (Part # 78350)
Image Not Found
42" Recycler Mower (Part # 78355)
Image Not Found
48" Side Discharge Mower (Part # 78360)
Image Not Found
11.0 cu. ft. Vac Bagger - 42"/48" (Part # 79301)
Image Not Found
36" Tiller (Part # 79370)
Genuine OEM Part 81115
Wheel Weight Kit (Part # 81115)
  • Model #
    73420
  • Serial #
    3900001 - 3999999
  • Product Name
    416-8 Garden Tractor
  • Product Brand
    Toro
  • Product Type
    Riding Products
  • Product Series
    Garden Tractor, 3/4/500, C, GT
  • Swath
    Deck Optional
  • Discharge
    Deck Optional
  • Engine/Motor Manufacturer
    Toro Power Plus/Onan
  • Engine/Motor Size
    16 hp
  • Engine/Motor Type
    4 Cycle
  • Engine Starter
    Electric
  • Transmission Type
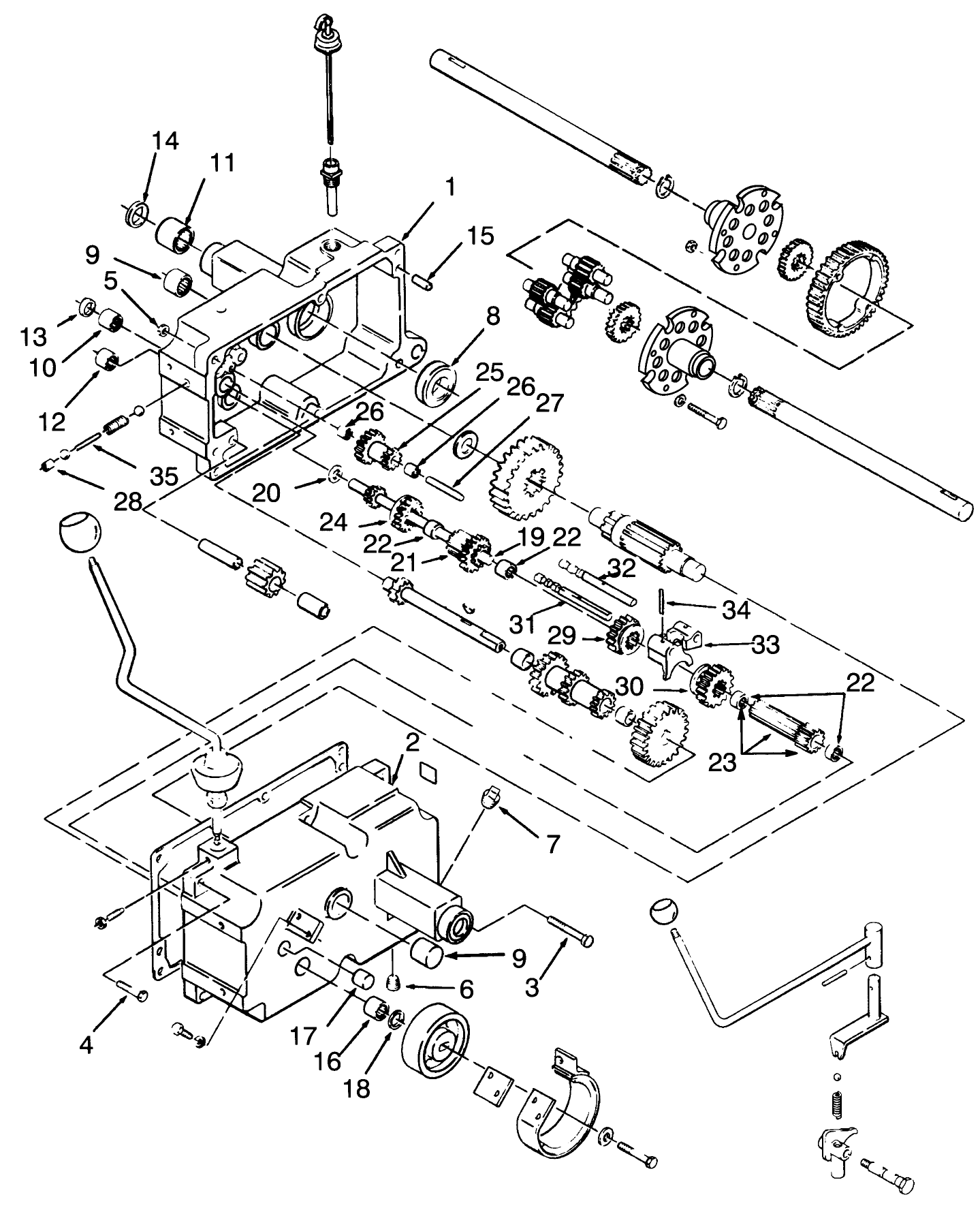
    Gear
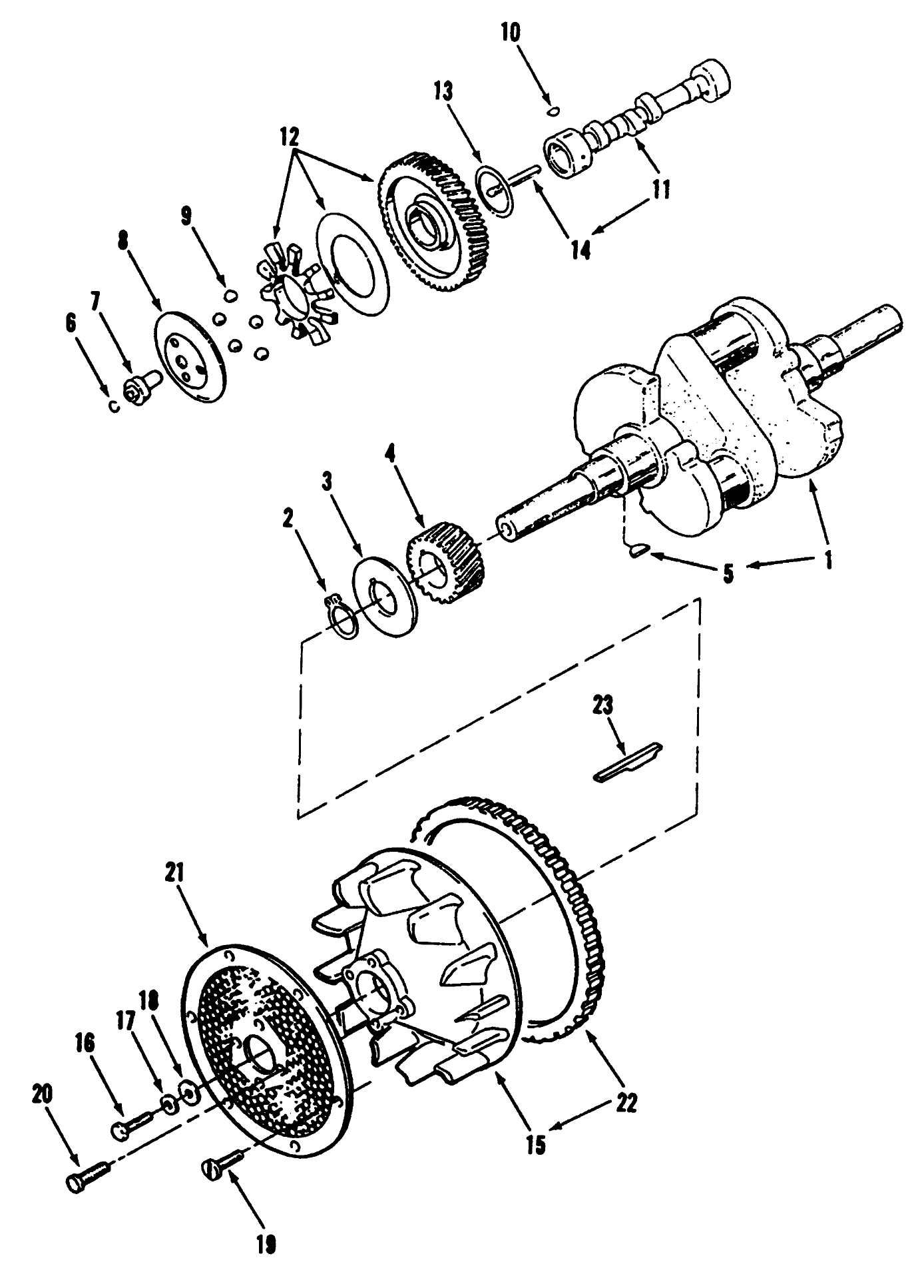
  • Engine: Bore
    3.250" (82.55mm)
  • Engine: Stroke
    2.620" (66.55mm)
  • Engine: Displacement
    43.3 cu.in. (710cc)
  • Engine: Compression Ratio
    6.5:1
  • Engine: Rated Speed (maximum)
    3600 RPM
  • Engine: Power at Rated Speed
    16hp (11.9kw)
  • Engine: Oil Capacity (std) Base without Filter
    1.5qts. (1.4L)
  • Engine: Oil Capacity (high cap.) Base without Filter
    2.7qts. (2.6L)
  • Engine: Oil Filter Capacity
    .3qts. (.3L)
  • Engine: Crankshaft Rotation (Viewed from flywheel)
    Clockwise
  • Engine: Valve Clearance Intake (cold)
    .005" (.13mm)
  • Engine: Valve clearance Exhaust (cold)
    .013" (.33mm)
  • Engine: Ignition Timing (BTC)
    20 Degrees
  • Engine: Cylinder Compression
    75/115 psi (517/793 kPa)
  • Engine: Cylinder Bore Honed Diameter (minimum)
    3.2490" (82.52mm)
  • Engine: Cylinder Bore Honed Diameter (maximum)
    3.2500" (82.55mm)
  • Engine: Cylinder Block Taper Maximum Allowed
    0.005" (0.13mm)
  • Engine: Cylinder Block Out of round (max. allowed )
    0.003" (0.08mm)
  • Engine: Cylinder Block Main Bearing I.D.(without bearing)(minimum)
    2.1870" (55.55mm)
  • Engine: Cylinder Block Main Bearing I.D.(without bearing)(maximum)
    2.1880" (55.58mm)
  • Engine: Cylinder Block Main Bearing I.D.(installed service bearing) Minimum
    2.0015" (50.84mm)
  • Engine: Cylinder Block Main Bearing I.D.(installed service bearing) Maximum
    2.0040" (50.90mm)
  • Engine: Camshaft Bearing Bore (installed service bearing) Minimum
    1.3757" (34.94mm)
  • Engine: Camshaft Bearing Bore (installed service bearing) Maximum
    1.3787" (35.02mm)
  • Engine: Crankshaft Main Bearing Journal Diameter (minimum)
    1.9992" (50.78mm)
  • Engine: Crankshaft Main Bearing Journal Diameter (maximum)
    2.000" (50.80mm)
  • Engine: Crankshaft Main Bearing Clearance (minimum)
    0.0024" (0.061mm)
  • Engine: Crankshaft Main Bearing Clearance (maximum)
    0.0042" (0.107mm)
  • Engine: Crankshaft Connecting Rod Journal Diameter (minimum)
    1.6252" (41.28mm)
  • Engine: Crankshaft Connecting Rod Journal Diameter (maximum)
    1.6260" (41.30mm)
  • Engine: Crankshaft End Play (minimum)
    0.0060" (0.152mm)
  • Engine: Crankshaft End Play (maximum)
    0.0120" (0.305mm)
  • Engine: Rod Large Bore Diameter "bolts torqued "(minimum)
    1.6280" (41.35mm)
  • Engine: Rod Large Bore Diameter "bolts torqued "(maximum)
    1.6285" (41.36mm)
  • Engine: Connecting Rod Side Clearance (minimum)
    0.0020" (0.051mm)
  • Engine: Connecting Rod Side Clearance (maximum)
    0.0160" (0.406mm)
  • Engine: Piston Pin Bushing Bore (finished Bore)" minimum"
    0.6879" (17.47mm)
  • Engine: Piston Pin Bushing Bore (finished Bore)" maximum"
    0.6882" (17.48mm)
  • Engine: Bearing to Crankshaft Clearance " minimum"
    0.0020" (0.051mm)
  • Engine: Bearing to Crankshaft Clearance " maximum"
    0.0033" (0.084mm)
  • Engine: Camshaft Bearing Journal Diameter "minimum"
    1.3740" (34.90mm)
  • Engine: Camshaft Bearing Journal Diameter "maximum"
    1.3745" (34.91mm)
  • Engine: Camshaft Bearing Clearance "minimum"
    0.0015" (0.038mm)
  • Engine: Camshaft Bearing Clearance "maximum"
    0.0030" (0.076mm)
  • Engine: Camshaft End Play "minimum"
    0.0110" (0.279mm)
  • Engine: Camshaft End Play "maximum"
    0.0480" (1.219mm)
  • Engine: Camshaft Lobe Height " Intake"
    1.1370" (28.88mm)
  • Engine: Camshaft Lobe Height "Exhaust"
    1.1570" (29.39mm)
  • Engine: Piston Clearance in Cylinder (Measure 90 Degrees to pin 1.187" below top of piston "minimum"
    0.0033" (0.084mm)
  • Engine: Piston Clearance in Cylinder (Measure 90 Degrees to pin 1.187" below top of piston "maximum"
    0.0053" (0.135mm)
  • Engine: Piston Pin Bore "minimum"
    0.6877" (17.47mm)
  • Engine: Piston Pin Bore "maximum"
    0.6882" (17.48mm)
  • Engine: Ring Groove Width Compression Ring "minimum"
    0.0800" (2.032mm)
  • Engine: Ring Groove Width Compression Ring "maxmum"
    0.0810" (2.057mm)
  • Engine: Oil Control Ring "minimum"
    0.1880" (4.775mm)
  • Engine: Oil Control Ring "maximum"
    0.1890" (4.800mm)
  • Engine: Piston Pin Clearance in Piston " minimum"
    0.00004" (0.001mm)
  • Engine: Piston Pin Clearance in Piston " maximum"
    0.00064" (0.016mm)
  • Engine: Piston Pin in Connecting Rod "minimum"
    0.0002" (0.005mm)
  • Engine: Piston Pin in Connecting Rod "maximum"
    0.0007" (0.018mm)
  • Engine: Piston Pin Diameter " minimum"
    0.6875" (17.46mm)
  • Engine: Piston Pin Diameter " maximum"
    0.6877" (17.47mm)
  • Engine: Piston Ring Clearance at Top Groove "minimum"
    0.0030" (0.076mm)
  • Engine: Piston Ring Clearance at Top Groove "maximum"
    0.0080" (0.203mm)
  • Engine: Piston Ring End Gap in Cylinder " minimum"
    0.0100"(0.254mm)
  • Engine: Piston Ring End Gap in Cylinder " maximum"
    0.0200" (0.508mm)
  • Engine: Intake Valve Stem Diameter "minimum"
    0.2795" (7.099mm)
  • Engine: Intake Valve Stem Diameter "maximum"
    0.2800" (7.112mm)
  • Engine: Intake Valve Clearance Stem to Guide " minimum"
    0.0020" (0.051mm)
  • Engine: Intake Valve Clearance Stem to Guide " maximum"
    0.0025" (0.064mm)
  • Engine: Intake Valve Face Angle
    44 Degrees
  • Engine: Intake Valve Seat Bore Diameter in Block " minimum"
    1.4395" (36.56mm)
  • Engine: Intake Valve Seat Bore Diameter in Block " maximum"
    1.4405" (36.59mm)
  • Engine: Intake Valve Seat Outside Diameter "minimum"
    1.4700" (37.34mm)
  • Engine: Intake Valve Seat Outside Diameter "maximum"
    1.4710" (37.36mm)
  • Engine: Intake Valve Seat Width "minimum"
    0.0310" (0.787mm)
  • Engine: Intake Valve Width "maximum"
    0.0470" (1.194mm)
  • Engine: Intake Valve Seat Angle
    45 Degrees
  • Engine: Exhaust Valve Stem Diameter " minimum"
    0.2780" (7.061mm)
  • Engine: Exhaust Valve Stem Diameter " maximum"
    0.2785" (7.074mm)
  • Engine: Exhaust Valve Clearance Stem to Guide "minimum"
    0.0020" (0.051mm)
  • Engine: Exhaust Valve Clearance Stem to Guide "maximum"
    0.0035" (0.089mm)
  • Engine: Exhaust Valve Face Angle
    44 Degrees
  • Engine: Exhaust Valve Seat Bore Diameter in Block "minimum"
    1.1890" (30.20mm)
  • Engine: Exhaust Valve Seat Bore Diameter in Block "maximum"
    1.1900" (30.23mm)
  • Engine: Exhaust Valve Seat O.D. "minimum"
    1.1920" (30.28mm)
  • Engine: Exhaust Valve Seat O.D. "maximum"
    1.1930" (30.30mm)
  • Engine: Exhaust Valve Seat Width "minimum"
    0.0310" (0.787mm)
  • Engine: Exhaust Valve Seat Width "maximum"
    0.0470" (1.194mm)
  • Engine: Exhaust Valve Seat Angle
    45 Degrees
  • Engine: Valve Guide, Intake I.D. "minimum"
    0.2810" (7.137mm)
  • Engine: Valve Guide, Intake I.D. "maximum"
    0.2820" (7.163)
  • Engine: Valve Guide, Exhaust I.D. "minimum"
    0.2805" (7.125mm)
  • Engine: Valve Guide, Exhaust I.D. "maximum"
    0.2815" (7.150mm)
  • Engine: Tappet Body Diameter " minimum"
    0.7475" (18.99mm)
  • Engine: Tappet Body Diameter " maximum"
    0.7480" (19.00mm)
  • Engine: Tappet Bore Diameter "minimum"
    0.7500" (19.05mm)
  • Engine: Tappet Bore Diameter "maximum"
    0.7515" (19.09mm)
  • Engine: Tappet Clearance in Bore " minimum"
    0.0020" (0.051mm)
  • Engine: Tappet Clearance in Bore " maximum"
    0.0040" (0.102mm)
  • Engine: Valve Spring Free Length
    1.600" (40.64mm)
  • Engine: Valve Spring Length Open
    1.055" (26.80mm)
  • Engine: Valve Spring Length Closed
    1.346" (34.19mm)
  • Engine: Spring Load (Valve Open )
    55 lbs.
  • Engine: Spring Load (Valve Closed)
    25 lbs
  • Engine: Timing Gear "minimum" (Backlash)
    0.0010" (0.025mm)
  • Engine: Timing Gear "maximum" (Backlash)
    0.0050" (0.127mm)
  • Engine: Oil Pump Gear "minimum" (Backlash)
    0.0010" (0.025mm)
  • Engine: Oil Pump Gear "maximum" (Backlash)
    0.0080" (0.203mm)
  • Engine Torque: Gearcase Cover
    8-10 ft.lbs. (11-14 Nm)
  • Engine Torque: Rear Bearing Plate Screws
    25-27 ft.lbs. (34-37Nm)
  • Engine Torque: Starter Mounting Bolts
    19-21 ft.lbs.(25-28Nm)
  • Engine Torque: Connecting Rod Bolts
    12-14 ft.lbs. (16-19Nm)
  • Engine Torque: Flywheel Capscrews
    50-55 ft.lbs. (67-75Nm)
  • Engine Torque: Oil Base
    18-23 ft.lbs.(24-31Nm)
  • Engine Torque: Oil Pump
    7-9 ft.lbs. (10-12Nm)
  • Engine Torque: Valve Cover
    1-2 ft.lbs. (1-3Nm)
  • Engine Torque: Cylinder Bolts Asbestos Gasket (Cold)
    14 ft.lbs. (22-24Nm)
  • Engine Torque: Cylinder Bolts Graphoil Gasket (Cold)
    14-16 ft.lbs. (19-22Nm)
  • Engine Torque: Intake Manifold Mounting Screws
    6-10 ft.lbs. (8-14Nm)
  • Engine Torque: Exhaust Manifold Mounting Screws
    9-11 ft. lbs. (12-15Nm)
  • Engine Torque: 1/4" Cylinder Block Stud & Nuts
    7-9 ft.lbs. (10-12Nm)
  • Engine Torque: 5/16" Cylinder Block Stud & Nuts
    8-10 ft.lbs. (11-14Nm)
  • Engine Torque: 3/8" Cylinder Block Stud & Nuts
    18-23 ft.lbs. (24-31Nm)
  • Chassis: Tire Pressure
    12 PSI / .5kg sq. cm
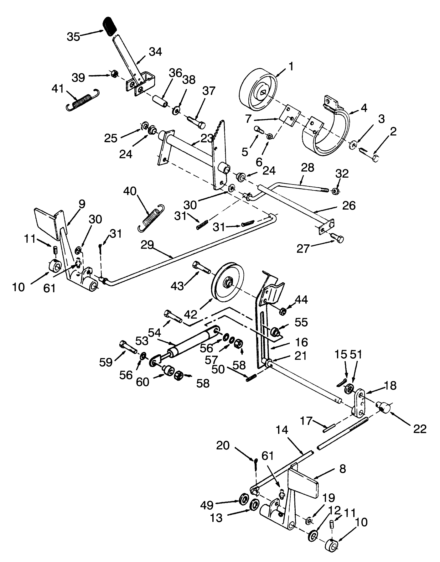
  • Drive System: Ground Speed
    Fwd. .5 - 5.5 Rev. .7 & 2.6 mph
  • Engine: Battery
    12V 200CCA
  • Engine: Engine Speed
    High 3600, Low 1400 RPM
  • Engine: Spark Plug
    Champion RS14YC
  • Engine: Spark Plug Gap
    .025"/ .64mm

Register your product

Registering your product will ensure notification of important updates and expedite warranty service should it be necessary.

Register Now