maxi sneaker right side

Product Information

  • Model #: 25530T
  • Serial #: 323000000 - 323000151
  • Product Type: Utility Equipment

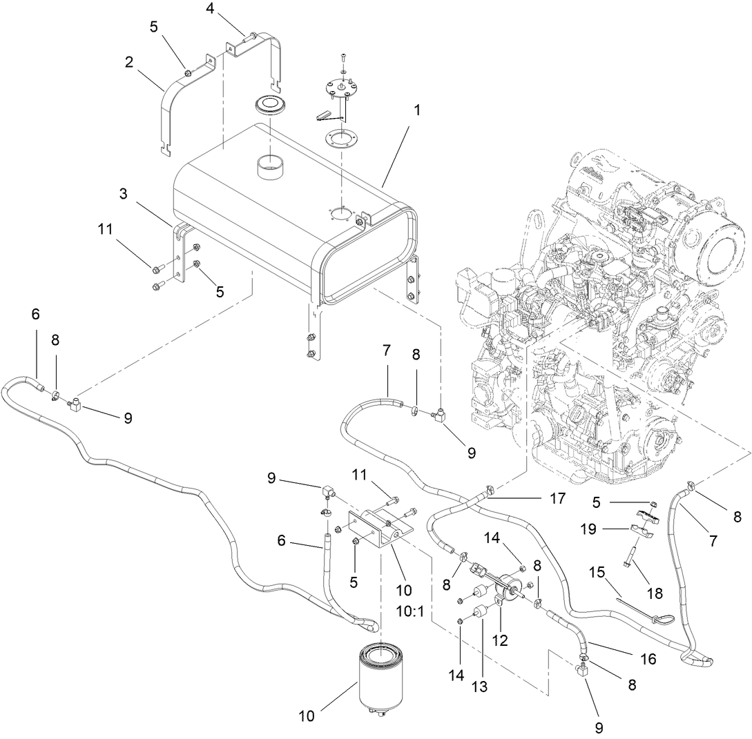
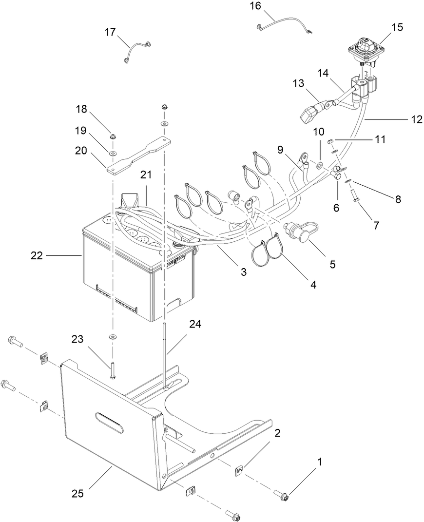
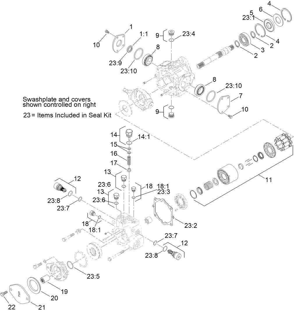
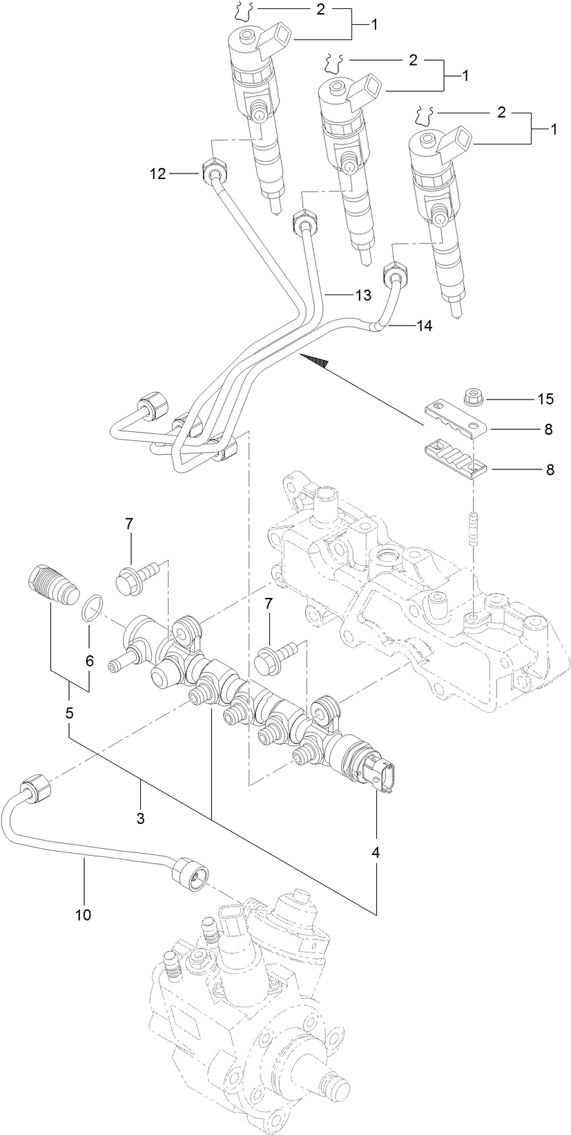
Assembly Drawings

Search for a part within assembly drawings:

  • Model #
    25530T
  • Serial #
    323000000 - 323000151
  • Product Name
    Toro® Maxi Sneaker® 370
  • Product Brand
    Toro
  • Product Type
    Utility Equipment

Register your product

Registering your product will ensure notification of important updates and expedite warranty service should it be necessary.

Register Now