Toro® Maxi Sneaker® 370
Product Information
- Model #: 25530T
- Serial #: 324000102 - 999999999
- Product Type: Utility Equipment
Loading...
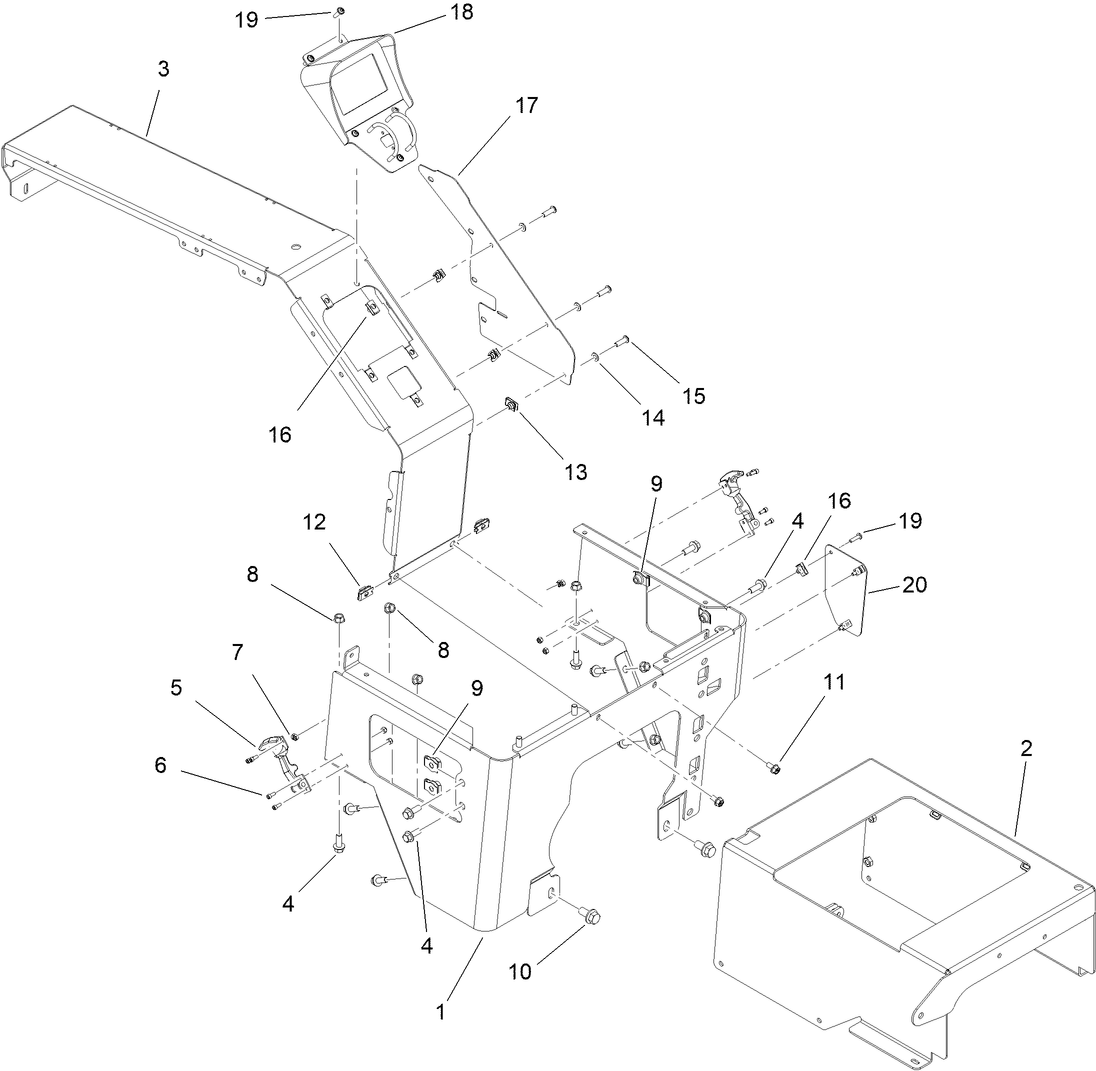
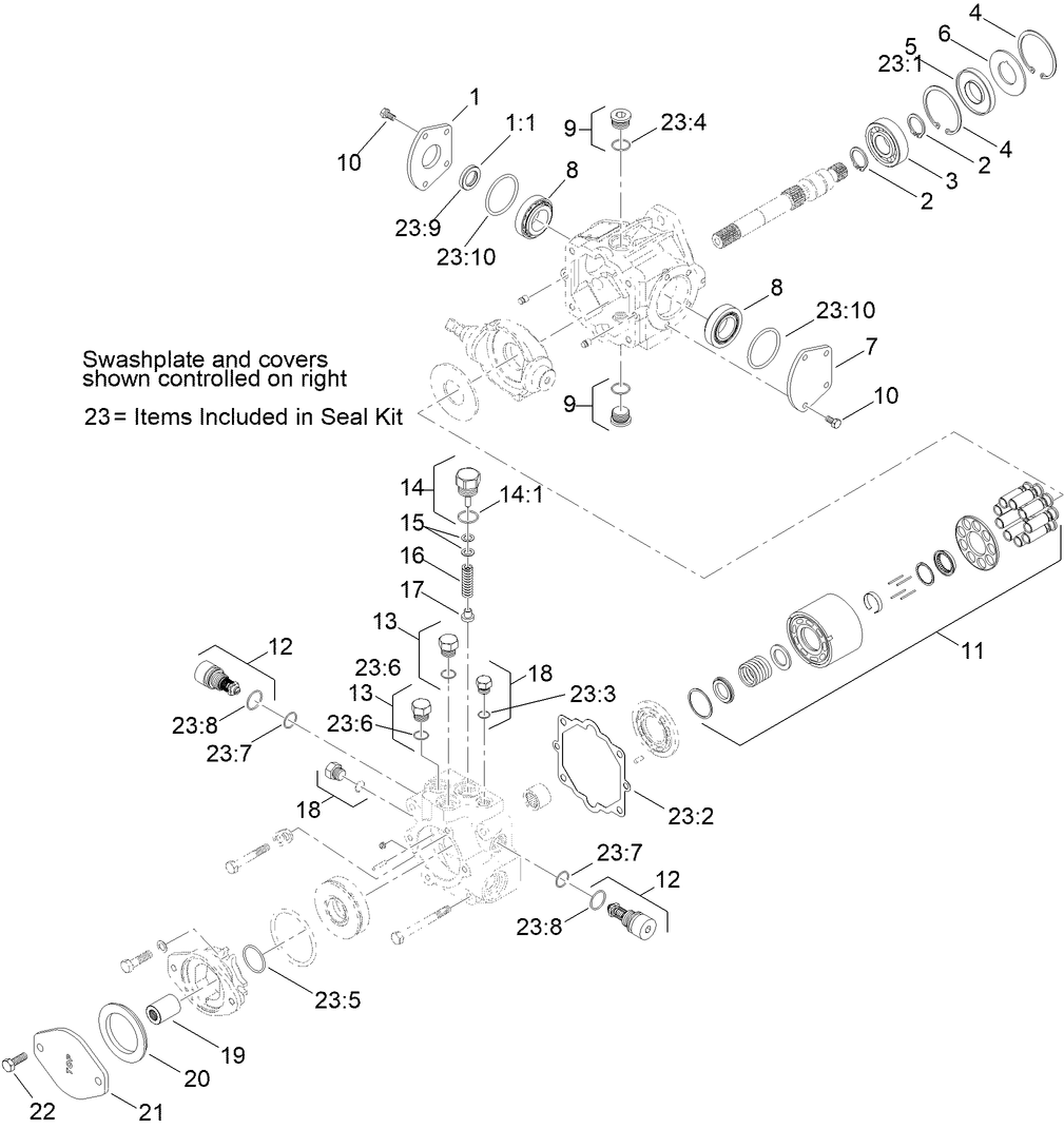
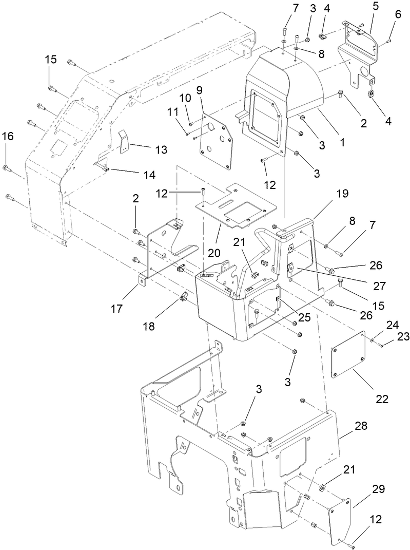
Assembly Drawings
Search for a part within assembly drawings:
-
Operator's Manual
-
Parts Catalog
-
Product Warranty
-
Schematic Drawing - Electrical
-
Schematic Drawing - Hydraulic
Maxi Sneaker 370 Trencher Drive (FIELD INSTALL) (Part # 25531E)
Trencher drive kit
Hydra-Borer (Part # 25532E)
Hydra borer field install for the Maxi Sneaker.
MAXI SNEAK CRUMBER KIT (FIELD) (Part # 25533E)
MAXI SNEAK BOOM 24IN DIG (FIELD) (Part # 25534E)
MAXI SNEAK BOOM 36IN DIG (FIELD) (Part # 25535E)
MAXI SNEAK 23IN WHEELS, SET OF 4 (FIE (Part # 25536E)
MAXI SNEAK 26IN WHEELS, SET OF 4 (FIE (Part # 25537E)
MAXI SNEAKER REEL CARRIER, 22IN (FIEL (Part # 25538E)
MAXI SNEAK 23IN DUAL WHEEL KIT (FIELD (Part # 25539E)
MAXI SNEAK 26IN DUAL WHEEL KIT (FIELD (Part # 25540E)
MAXI SNEAK WHEEL WEIGHT ASM (FIELD) (Part # 25541E)
MAXI SNEAKER PLOW (FIELD) (Part # 25542E)
MAXI SNEAKER PLOW SHOE (FIELD) (Part # 25543E)
-
Model #
25530T -
Serial #
324000102 - 999999999 -
Product Name
Toro® Maxi Sneaker® 370 -
Product Brand
Toro -
Product Type
Utility Equipment






















































