Dingo® TXL 2000 Telescoping Track Loader
Product Information
- Model #: 22530
- Serial #: 414400000 - 415299999
- Product Type: Compact Utility Loaders
Loading...
Assembly Drawings
Search for a part within assembly drawings:
-
Operator's Manual
-
Parts Catalog
-
Product Warranty
-
Schematic Drawing - Electrical
-
Schematic Drawing - Hydraulic
-
ACMA Declaration of Conformity
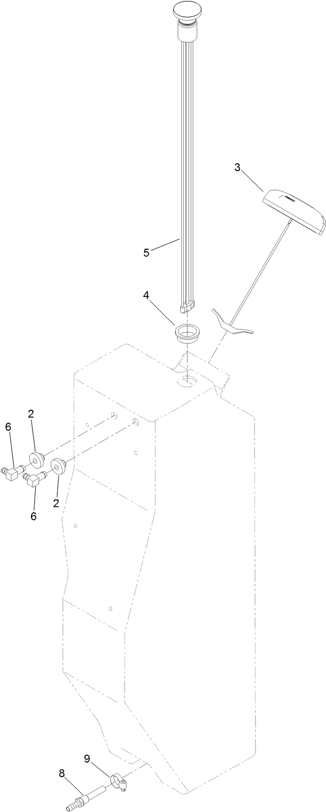
CAP-FUEL, LOCKING (Part # 126-4107)
Fuel Cap (Part # 136-4866)
Dingo TXL 2000 Track Aggressive (Part # 136-4869)
Track Aggressive
Light Kit for Dingo TXL 2000 models (Part # 136-4890)
Light Kit for Dingo TXL 2000 models - LED (500 LM)
Dingo TXL 2000 1000-hour filter kit (Part # 136-4897)
Dingo TXL 2000 1000-hour filter kit includes:
• hydraulic filter (charge) 75-1310
• inner air filter 108-3816
• fuel filter 136-4891
• outer air filter 108-3814
• engine oil filter 104-5169
• hydraulic filter auxiliary return 94-2621
• hydraulic filter (charge) 75-1310
• inner air filter 108-3816
• fuel filter 136-4891
• outer air filter 108-3814
• engine oil filter 104-5169
• hydraulic filter auxiliary return 94-2621
Dingo TXL 2000 50-hour filter kit (Part # 136-4898)
Dingo TXL 2000 50-hour filter kit includes:
• engine oil filter 104-5169
• inner air filter 108-3816
• outer air filter 108-3814
• engine oil filter 104-5169
• inner air filter 108-3816
• outer air filter 108-3814
Dingo TXL 2000 400-hour filter kit (Part # 136-4899)
Dingo TXL 2000 400-hour filter kit includes:
• engine oil filter 104-5169
• inner air filter 108-3816
• outer air filter 108-3814
• fuel filter 136-4891
• engine oil filter 104-5169
• inner air filter 108-3816
• outer air filter 108-3814
• fuel filter 136-4891
Auxiliary Wire Harness Kit, Telescoping TXL 2000 Tool Carrier (Part # 139-1186)
TXL2000 Auger Drive (Part # 22532)
TXL2000 Trencher Head (Part # 22533)
TXL2000 Brush Cutter (Part # 22534)
TXL 2000 Grapple Attachment (Part # 22535)
Dig, rake, pile and load debris with this grapple, which features a 40” jaw opening to haul large amounts of brush in each load. The unique design allows efficient forward and reverse operation to drag loose material into piles. For maximum durability, the heavy-duty jaw and rake tines are constructed from 3/8″ Grade 80 steel.
TXL2000 Power Rake (Part # 22536)
TXL2000 Angle Broom (Part # 22538)
Skeleton Grapple (Part # 22541)
TXL2000 Tiller (Part # 22542)
TXL2000 Pick-up Broom (Part # 22543)
High Volume Loader Bucket Attachment – 29 Cubic Feet (Part # 22546)
Perfect for transporting bulk materials, this high-volume bucket is constructed for maximum durability. Features include heavy-duty top bracing, with up to five wear bars underneath and interior brace plates to add rigidity.
Standard Loader Bucket Attachment – 12 Cubic Feet (Part # 22547)
Move rock, dirt, sand or other materials off and around the job site with this heavy-duty general-purpose bucket designed for dense and bulk materials. The hardened-steel cutting edge enhances cutting and digging capabilities for excellent performance and superior wear in tough digging conditions.
TXL 2000 Grading Bucket Attachment (Part # 22548)
This heavy-duty dirt bucket has a low-profile design and extended bottom for better visibility of the cutting edge. It’s specifically engineered for ditch maintenance, grading, slope work and construction applications.
TXL 2000 Adjustable Forks Attachment (Part # 22549)
Integrated frame rollers make loading and unloading material from flatbed trucks a breeze with these manually adjustable 42” forks. Tines are easy to adjust for carrying loads of various sizes, and high-strength steel reduces bending for increased fork life.
TXL 2000 Tool Carrier Leveler (Part # 22550)
U-BLADE, TXL 2000 (Part # 22572)
STUMP BUCKET, TXL 2000 (Part # 22573)
TXL 2000 Standard Bucket - No Edge (Part # 22576)
Move rock, dirt, sand or other materials off and around the job site with this heavy-duty general-purpose bucket designed for dense and bulk materials.
DINGO TXL 2000 SNOW THROWER (Part # 22583)
-
Model #
22530 -
Serial #
414400000 - 415299999 -
Product Name
Dingo® TXL 2000 Telescoping Track Loader -
Product Brand
Toro -
Product Type
Compact Utility Loaders


























































































