50 in. (127 cm) TimeCutter® Max Zero Turn Mower
Product Information
- Model #: 77505
- Serial #: 420260000 - 999999999
- Product Type: Riding Products
Loading...
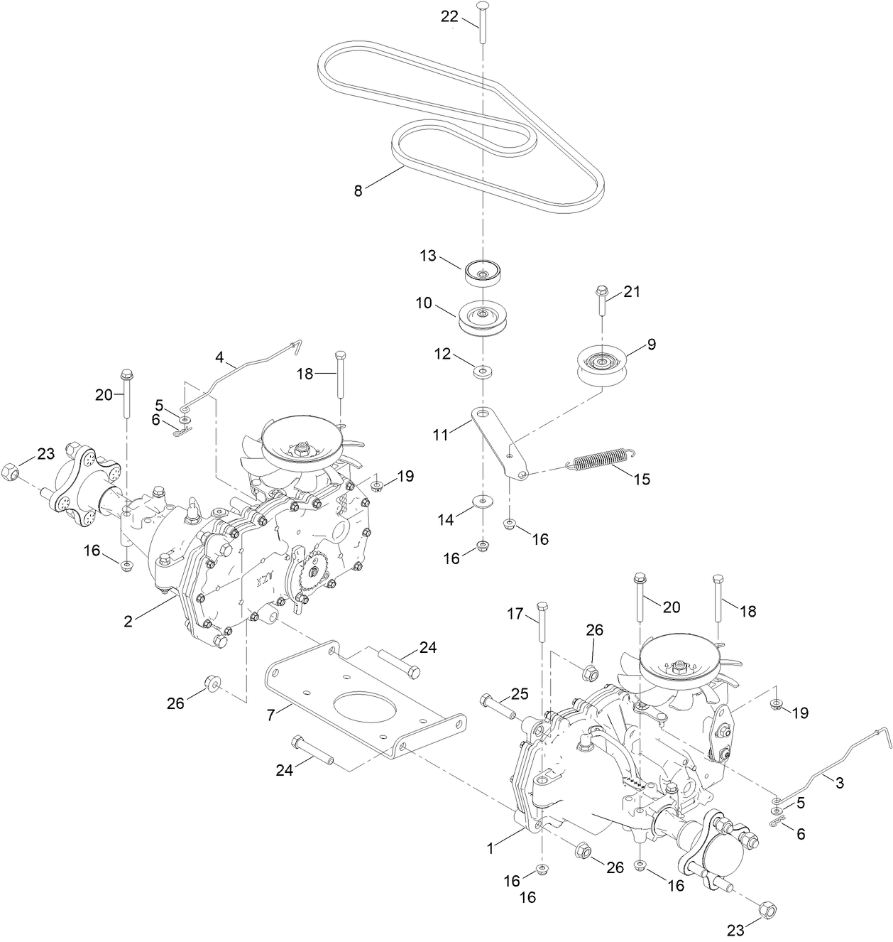
Assembly Drawings
Search for a part within assembly drawings:
-
Operator's Manual
-
Parts Catalog
-
Product Warranty
-
Setup Instructions
Riding Mower Jack Kit (Part # 127-6666)
Genuine Toro jack mount kit. Mounts to the front of the mower and allows the owner to raise the mower to gain access to the underside of the deck to check blades or wash the deck. To best protect your investment and maintain optimal performance of your turf equipment, count on Toro genuine parts. When it comes to reliability, Toro delivers replacement parts designed to the exact engineering specifications of our equipment. For peace of mind, insist on Toro genuine parts.
Please contact your local dealer
All Season 4-Cycle Fuel for Lawn Mowers and Snow Blowers 32 oz. (Part # 131-3823)
4-cycle ethanol free fuel, engineered for maximum performance. Highly recommended for gas engines to maintain smooth performance. Advantages include cleaner fuel system, better fuel economy, longer shelf life and less wear and tear on internal engine parts. 92 plus octane for fast starts and optimal equipment performance.
Premium Fuel Treatment (12 oz.) (Part # 131-6572)
Toro Premium Fuel Treatment helps ensure clean, reliable engine performance and protection. Good for your lawnmowers, snow blowers, weed whackers, leaf blowers and other small engine power equipment. Using Toro Fuel Treatment with every fill up provides protection for two and four cycle small engines.
Please contact your local dealer
Toro Full Synthetic 10W-30 Engine Oil (32 oz.) (Part # 138-6053)
Toro full synthetic 10W-30 engine oil. The easy engine oil choice for any outdoor power equipment
to increase performance and reliability.
50 Inch Recycler Kit (Part # 139-3240)
By adding the Toro Recycler system to your TimeCutter Mower, you create your own natural fertilizer. This patented system cuts grass clippings 6-8 times, turning them into a fine, nutrient-rich mulch to feed your lawn all season. The secret lies in the unique 'kickers' that direct clippings back into the blades to be re-cut before being released into your lawn to promote its health and vitality.
TimeCutter 50 in. Bagging Enhancement Kit (Part # 139-7459)
This bagging enhancement kit can be used with 50 in. Toro TimeCutter MX and SWX fabricated deck model 2012 and newer. It will enhance bagging performance in extreme conditions such as heavy, wet grass or autumn leaf bagging. Refer to the operator manual for installation and use.
LED LIGHT KIT (Part # 147-8757)
Genuine OEM Part
FLOORMAT KIT (Part # 147-8765)
Genuine OEM Part
KIT-CASTER WHEEL (Part # 147-8772)
Genuine OEM Parts
50 in. Striping Kit (Part # 147-8779)
Genuine OEM Part
COVER-MWR (Part # 148-0276)
10W30 4-Cycle Engine Oil - 32 oz. Bottle (Part # 38280)
The Toro 38280 Premium 4-Cycle Lawn Mower Engine Oil 10W-30 is specially formulated to meet specific 4-cycle engine manufacturer requirements calling for 10W-30. This lawn mower engine oil provides the ultimate protection for all 4-cycle OPE engines. The lawn mower engine oil is developed with Toro engineering to meet the standards for all air-cooled, liquid-cooled and diesel engines. To maximize the performance of your Toro lawn mower, we highly recommend using this Toro lawn mower engine oil, which has been specifically formulated for best results. The lawn mower engine oil provides extreme performance in all temperatures, enhancing the life of your lawn mower's engine.
SAE 30 4-Cycle Lawn Mower Engine Oil 32 oz (Part # 38903)
Toro SAE 30 4-cycle engine oil passed the strictest requirements in thousands of hours of testing in hundreds of engines before you filled your lawn mower. This oil meets or exceeds performance requirements of all OEM engines (Toro, Briggs & Stratton, KOLHER, Honda, and Tecumseh). The use of Toro SAE 30 4-cycle lawn mower oil minimizes molecular shearing for extended life in hot-air-cooled applications vs multi-grades (i.e., 10W-30).
Toro Titan Deluxe Cover (Part # 490-7319)
Toro OEM deluxe rider cover keeps your Titan riding lawn mower protected from the elements when not in use. Cover is made to withstand wear and tear and features elastic cord to keep cover in place. Perfect for equipment stored outside or for seasonal use. When it comes to reliability, Toro delivers replacement parts designed to the exact engineering specifications of our equipment. For peace of mind, insist on Toro genuine parts.
Please contact your local dealer
17.5 Inch High Lift TimeCutter Replacement Blades (3-Pack) (Part # 79016P)
Use this 3-Pack Replacement Blade Kit to maintain your 34 or 50 inch TimeCutter's High quality cutting performance. The sharp 17.5 in. Hi-Flow blades provide a crisp cut and are compatible with select TimeCutters manufactured in and after 2011.
KIT-SLOPE SENSOR (Part # 79489)
TimeCutter Max 50 in. / 54 in. Twin Bagger (Part # 79501)
The Toro TimeCutter Twin Bagger with its 6.43 bushel (8 cu. ft.) capacity makes quick work of taking care of grass clippings or fallen leaves. When paired with one of Toro's top discharge decks, its performance can't be beat. It assembles easily and once initially installed, can be removed and put back on without tools. Includes bagger, mount kit and front weights.
Please contact your local dealer
-
Model #
77505 -
Serial #
420260000 - 999999999 -
Product Name
50 in. (127 cm) TimeCutter® Max Zero Turn Mower -
Product Brand
Toro -
Product Type
Riding Products -
Chassis Type
ZRT - Consumer -
Swath
50 inch -
Discharge
Side Discharge -
Engine/Motor Manufacturer
Briggs & Stratton -
Engine/Motor Size
22 hp -
Engine/Motor Type
4 Cycle -
Engine Starter
Electric -
Transmission Type
Hydrostatic -
Traction Type
Rear WD



















