110-4 Rear Engine Rider
Product Information
- Model #: R3-10B404
- Serial #: 2000001 - 2999999
- Product Type: Riding Products
Loading...
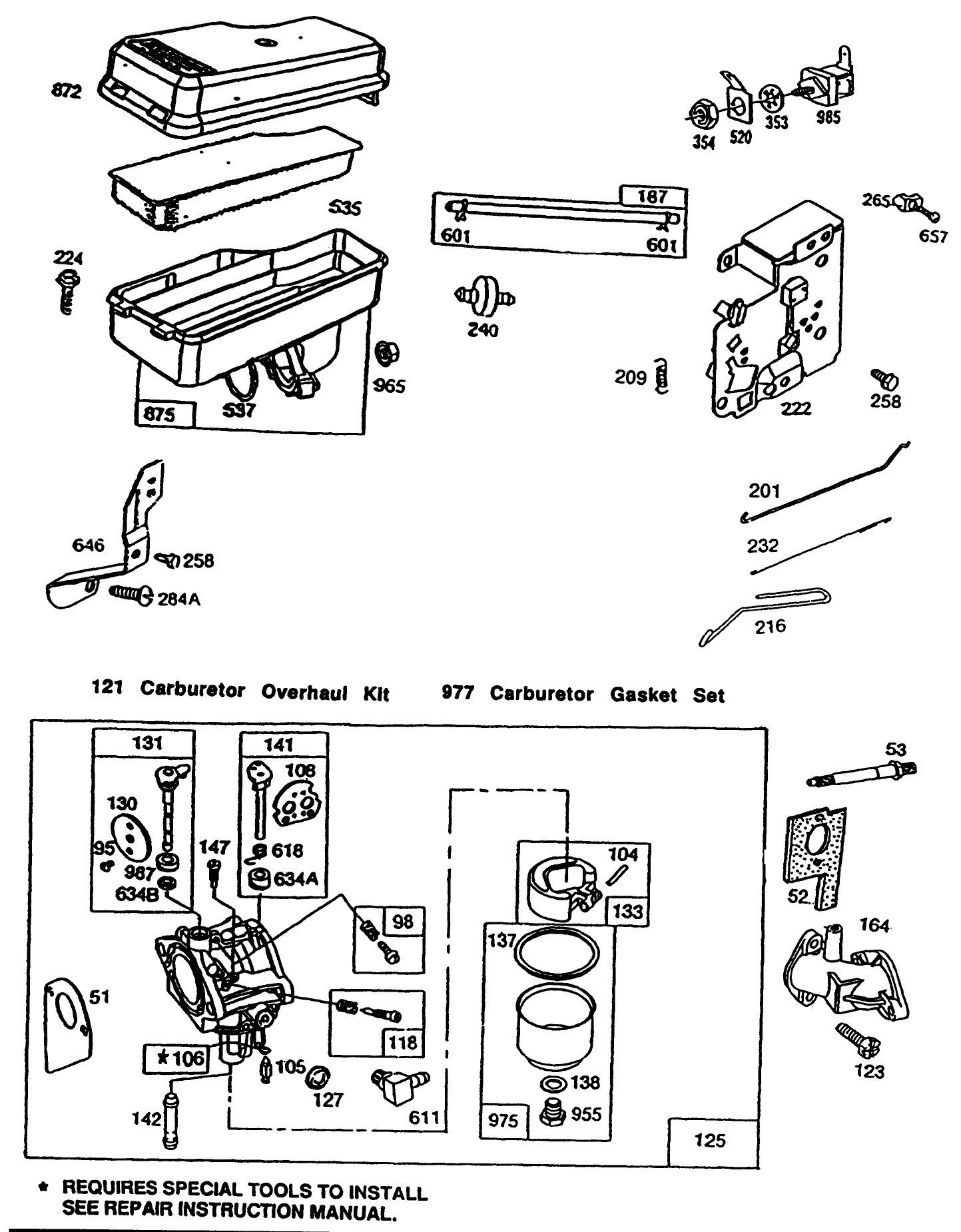
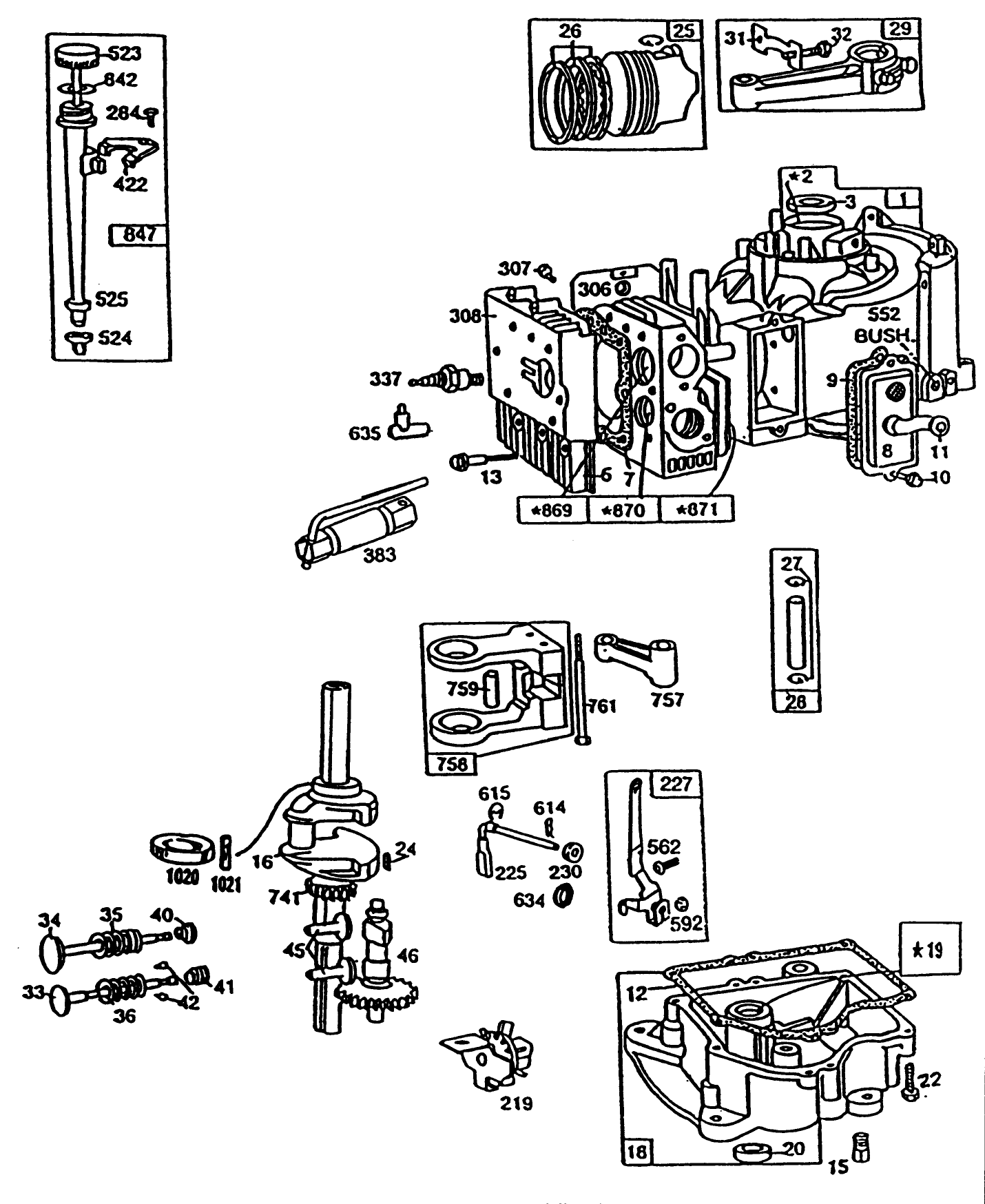
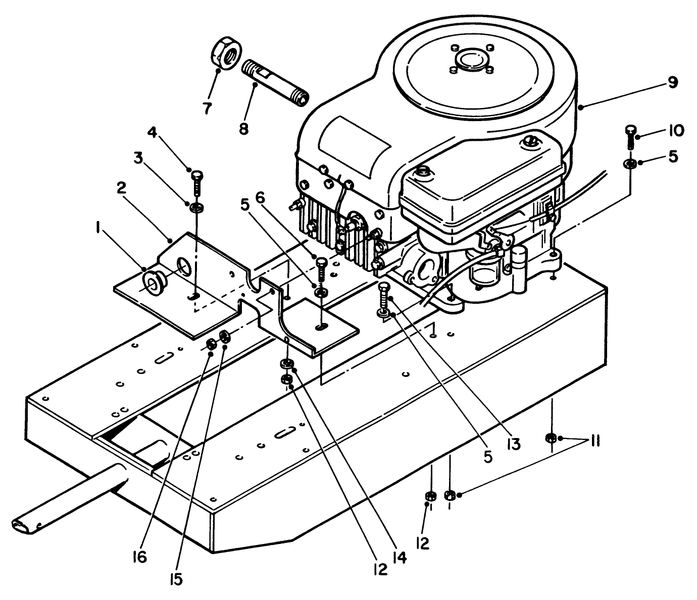
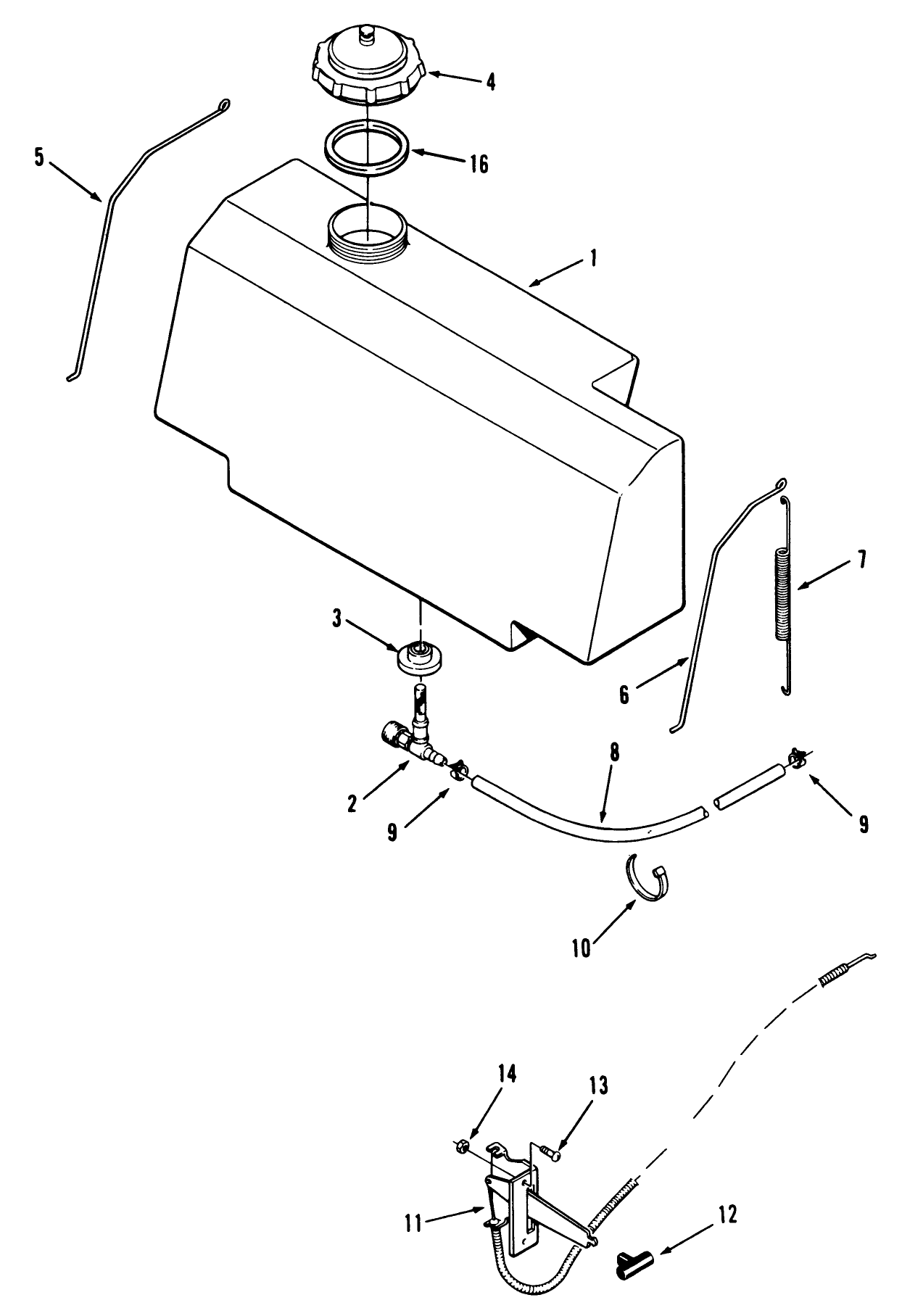
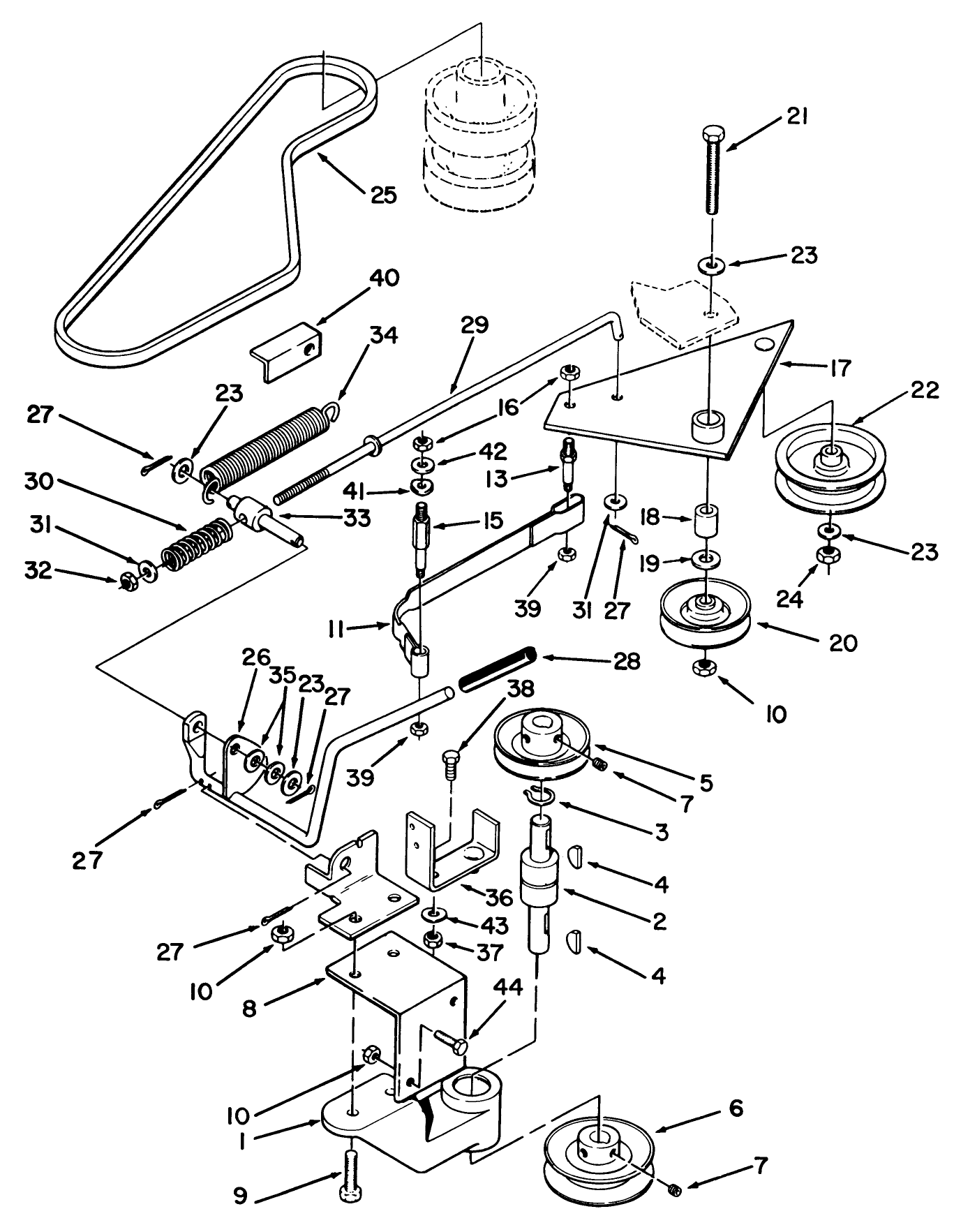
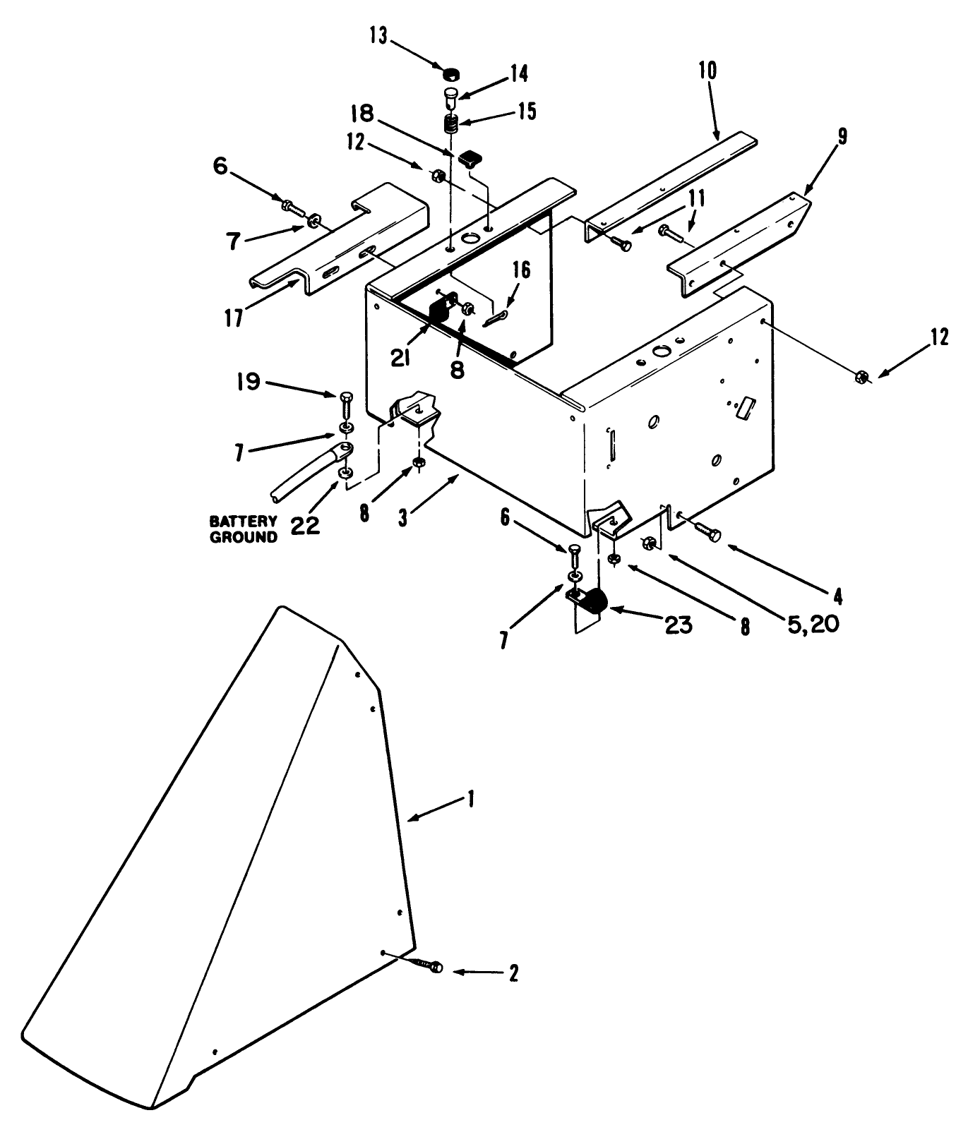
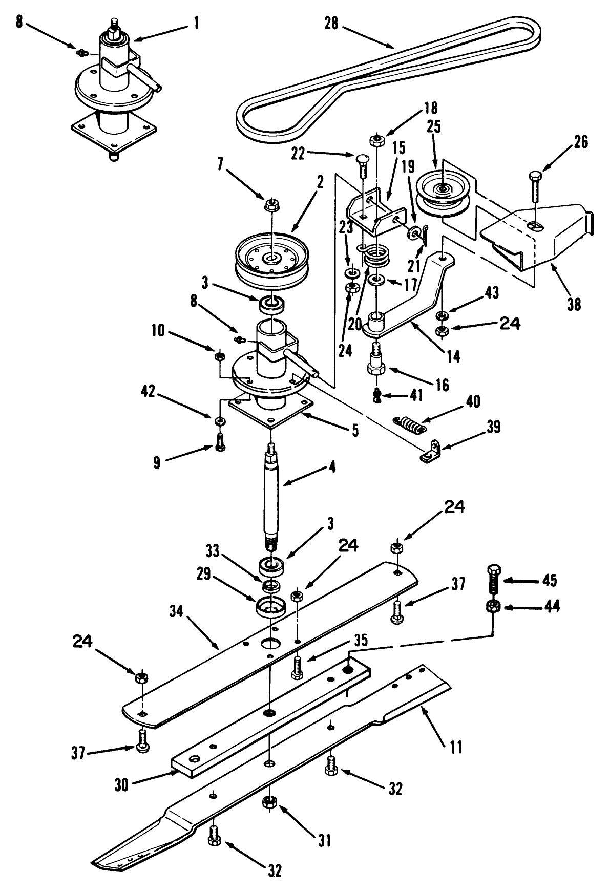
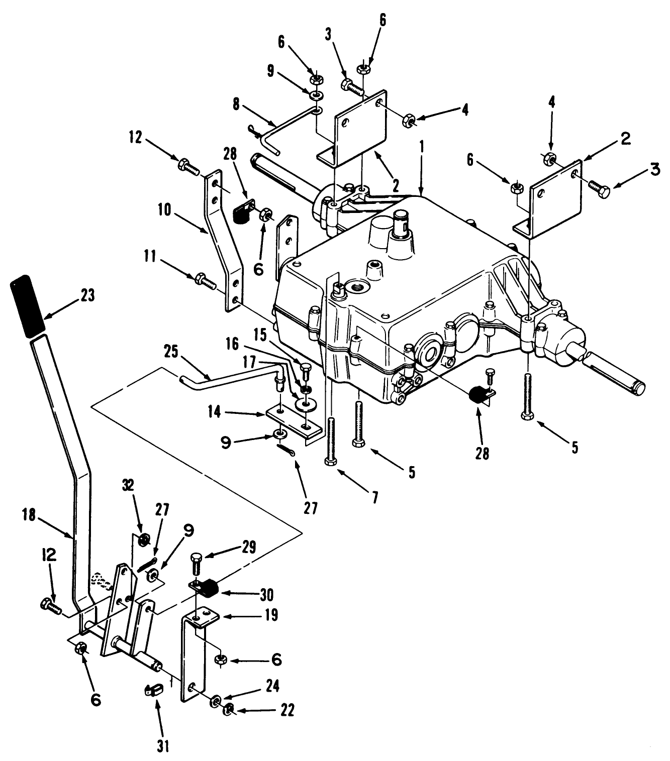
Assembly Drawings
Search for a part within assembly drawings:
-
Service Manual
-
Operator's Manual
-
Parts Catalog
42" Snow Blade (Part # 06-42BR01)
100 Series Bagger (Part # 37-06BA04)
Wheel Weight Accessory (8") Front (Part # 8-1213)
-
Model #
R3-10B404 -
Serial #
2000001 - 2999999 -
Product Name
110-4 Rear Engine Rider -
Product Brand
Toro -
Product Type
Riding Products -
Product Series
Rear Engine Rider, 100 Series -
Swath
30 inch -
Discharge
Side -
Engine/Motor Manufacturer
Briggs & Stratton -
Engine/Motor Size
10.5 hp -
Engine/Motor Type
4 Cycle -
Engine Starter
Electric -
Transmission Type
Gear
-
Engine: Max RPM Setting
High 3600, Low 1750 RPM -
Chassis: Tire Pressure
12 PSI / .5kg sq. cm -
Drive System: Ground Speed
Fwd. 1.1 - 4.3 Rev. 1.7 mph -
Engine: Battery
12V 14Ahr -
Engine: Spark Plug
Champion CJ8 -
Engine: Spark Plug Gap
.030"/ .76mm























