Lawnmower
Product Information
- Model #: 16785
- Serial #: 8007012 - 8999999
- Product Type: Walk Behind Mowers
Loading...
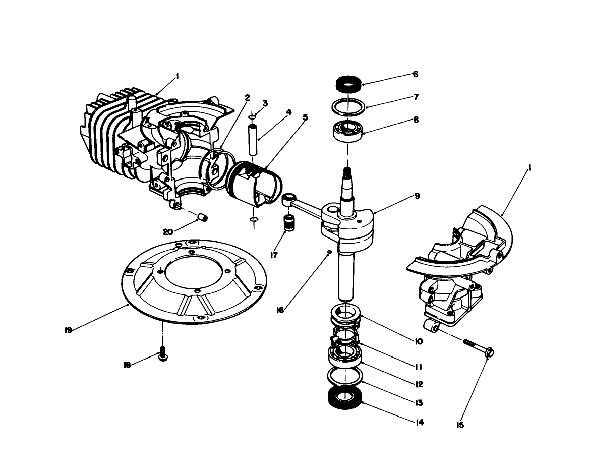
Assembly Drawings
Search for a part within assembly drawings:
-
Service Manual
-
Operator's Manual
-
Parts Catalog
-
Model #
16785 -
Serial #
8007012 - 8999999 -
Product Name
Lawnmower -
Product Brand
Toro -
Product Type
Walk Behind Mowers -
Product Series
21" Side Discharge -
Chassis Type
Cast Deck WPM -
Swath
21 inch -
Discharge
Side -
Engine/Motor Manufacturer
Suzuki -
Engine/Motor Type
2 Cycle -
Engine Starter
Recoil -
Transmission Type
Gear
-
Drive System: Ground Speed
3.26 mph -
Chassis: Height of Cut Range
1-3"; 1/2" increments -
Drive System: Gearbox Lubricant
3 oz. (90ml) SAE 90 GL5 or higher -
Engine: Engine Oil Type
Toro 2 cycle / NMMA-TCW3 -
Engine: Engine Speed
3000±150 RPM -
Engine: Ignition Coil Air Gap
.015-.020" / .4-.5mm -
Engine: Mix Ratio
50:1 (2.6 oz./gal.) -
Engine: Spark Plug
NGK BPMR6A -
Engine: Spark Plug Gap
.032"/ .8mm













