Sportlawn Lawnmower
Product Information
- Model #: 10323
- Serial #: 1000001 - 1999999
- Product Type: Walk Behind Mowers
Loading...
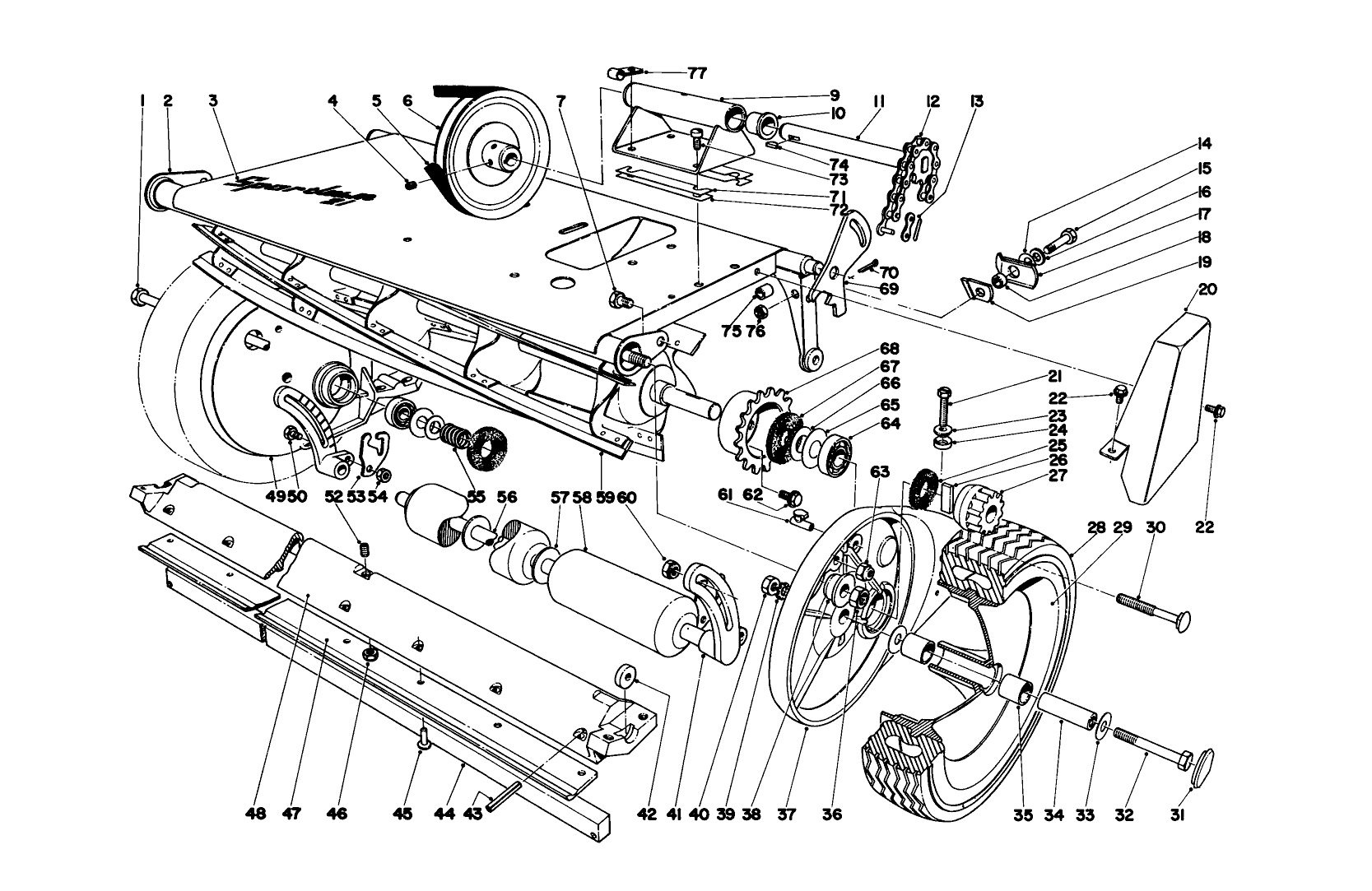
Assembly Drawings
Search for a part within assembly drawings:
-
Parts Catalog
-
Model #
10323 -
Serial #
1000001 - 1999999 -
Product Name
Sportlawn Lawnmower -
Product Brand
Toro -
Product Type
Walk Behind Mowers -
Product Series
Walk Power Mower, Reel -
Swath
21 inch -
Discharge
Reel -
Engine/Motor Manufacturer
Briggs & Stratton -
Engine/Motor Size
2 hp -
Engine/Motor Type
4 Cycle -
Engine Starter
Recoil -
Transmission Type
Belt



