Groundsmaster 3310 All-Wheel Drive Traction Unit
Product Information
- Model #: 31903
- Serial #: 415138462 - 415399999
- Product Type: Riding Products
Loading...
Assembly Drawings
Search for a part within assembly drawings:
-
Operator's Manual
-
Parts Catalog
-
Schematic Drawing - Electrical
-
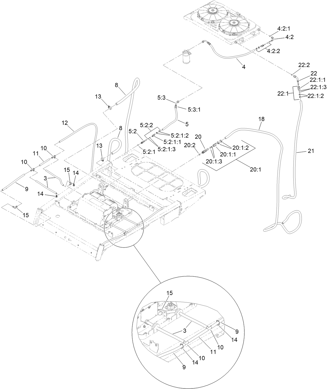
Schematic Drawing - Hydraulic
-
ACMA Declaration of Conformity
-
EU/UK Declaration of Conformity
Air Filter (Part # 108-3810)
Toro OEM Air Filter. Genuine Toro air filters give you consistent performance over the life of your machine.
Black Bottle Paint (Part # 112-0176)
Black paint for touch ups.
Red Paint Pen (Part # 112-0177)
Red Paint Bottle (Part # 112-0178)
GrandStand 15 lbs Cast Weight (Part # 112-7059-01)
GrandStand 15 lbs Cast Weight for Toro Grandstand models. Helps distribute weight for a smooth ride and an even cut on rough terrain. When it comes to reliability, Toro delivers replacement parts designed to the exact engineering specifications of our equipment. For peace of mind, insist on Toro genuine parts.
42 lb. Weight (Part # 114-4096)
Seat Cover w/Arm Rest (Part # 117-0095)
Toro OEM Seat Cover W/Arm Rest will fit Z Masters. Make your old seat look like new! Plus, the extra padding offers a more comfortable ride.
Toro 5 Gallon Premium Synthetic Biodegradable Hydraulic Fluid (Part # 119-2157)
Toro 5 Gallon Premium Synthetic Biodegradable Hydraulic Fluid. Designed for use in Toro equipment created by Toro engineers. If you are unsure of your equipment needs, do a model extreme serial Number search to verify that this is the correct oil type for your equipment.
Premium Synthetic Hydraulic Fluid (Part # 119-2158)
Spin On Fuel/Water Separator Filter (Part # 125-2915)
Toro OEM Spin On Fuel/Water Separator Filter. Genuine Toro spin on fuel water separator filters give you consistent performance over the life of your machine.
Engine Oil Filter (Part # 125-7025)
Toro OEM Engine Oil Filter. Genuine Toro engine oil filters give you consistent performance over the life of your machine.
Exterior Mirror Kit (Part # 130-5448)
Operator and passenger side mounted rear view mirrors
for enhancing all around visibility. Externally mounted to the cab frame.
Interior Mirror Kit (Part # 130-5449)
See more and drive safer.
Toro 5 Gallon PX Extended Life Hydraulic Fluid (Part # 133-8086)
Toro 5 Gallon PX Extended Life Hydraulic Fluid. Designed for use in Toro equipment created by Toro engineers. If you are unsure of your equipment needs, do a model extreme serial number search to verify that this is the correct oil type for your equipment.
Toro 55 Gallon PX Extended Life Hydraulic Fluid (Part # 133-8087)
Toro 55 Gallon PX Extended Life Hydraulic Fluid. Designed for use in Toro equipment created by Toro engineers. If you are unsure of your equipment needs, do a model extreme serial number search to verify that this is the correct oil type for your equipment.
Wrench-Castor Cap/Latch (Part # 138-6367)
Toro OEM Wrench-Castor Cap/Latch.
Storage Bag Kit (Part # 139-2020)
SMV Kit (Part # 139-2339)
Fuel Filter (Part # 139-6017)
Increase product longevity by keeping your fuel clean.
Power Harness Kit (Part # 140-1559)
Weight Kit (Part # 144-0480)
Weight Plate (Part # 144-0484)
Wireless Hour Meter Kit (Part # 144-2436)
Blade Kit (Part # 144-3911)
Blade Kit (Part # 144-3912)
Blade Kit (Part # 144-3913)
Atomic Blade Kit (3-Pack) (Part # 144-3914)
Blade Kit (Part # 144-3915)
Recycling Blade Kit (3-Pack) (Part # 144-3916)
Blade Kit (Part # 144-3917)
Recycling Blade Kit (3-Pack) (Part # 144-3918)
Hose Replacement Kit, Groundsmaster 3200 or 3300 Series Traction Unit (Part # 144-3960)
Blade Kit (Part # 144-3962)
Blade Kit (Part # 144-3963)
Blade Kit (Part # 144-3964)
Blade Kit (Part # 144-3965)
Blade Kit (Part # 144-3966)
Atomic Blade Kit (3-Pack) (Part # 144-3967)
Shim Tensioner Kit, Groundsmaster 3200 or 3300 Series Traction Unit (Part # 144-4045)
Tube Replacement Kit, Groundsmaster 3200 or 3300 Series Traction Unit (Part # 144-4047)
Vibration Reduction Kit, Groundsmaster 3300 Series Traction Unit (Part # 144-4050)
KIT-IDLER STOP, 72RD (Part # 161-5096)
KIT-CLUTCH RETAINER (Part # 161-5097)
Additional Turn Signal (Part # 31671)
Turn signal lights for both corners in the front and rear.
Slope Sensor Kit (Part # 31952)
Increase safety with slope sensors and alerts.
CE Kit (Part # 31953)
60in. Side Discharge Deck (Part # 31957)
72in. Side Discharge Deck (Part # 31958)
60in. Rear Discharge Deck (Part # 31959)
72in. Rear Discharge Deck (Part # 31960)
Auxiliary Hydraulic Kit (Part # 31966)
Rear Discharge Deck (Part # 31970)
60 inch deck.
Rear Discharge Deck (Part # 31971)
60 inch deck.
72in. Side Discharge Deck (Part # 31972)
72in. Rear Discharge Deck (Part # 31973)
60in. Rear Discharge Deck (Part # 31974)
72in. Rear Discharge Deck (Part # 31975)
60in. Recycler Kit (Part # 31976)
Recycler Kit (Part # 31977)
Recycler Kit (Part # 31978)
72in. Recycler Kit (Part # 31979)
Standard Seat (Part # 31980)
Built with comfort in mind.
Mechanical Seat Suspension (Part # 31981)
Customize the height of your seat to optimize comfort and ease of operation.
Air Ride Suspension Seat (Part # 31982)
Customize the height of your seat to optimize comfort and ease of operation.
Storage Box Kit (Part # 31983)
Store extra tools and accessories securely.
USB Charging Kit (Part # 31984)
Created for operator convenience.
60in. Recycler Kit (Part # 31985)
Recycler Kit (Part # 31986)
Road Light Kit (Part # 31991)
Add extra light and visibility to optimize safety and ease of operation.
Road Light Kit (Part # 31992)
Provide extra light to everyday operations.
LED Work Light Kit (Part # 31993)
Accessory Control Kit (Part # 31994)
Created for operator convenience.
LED Beacon Kit (Part # 31996)
Mounts to top of cab or ROPS.
Hydraulic Hose Kit (Part # 31999)
Toro Red 12or aerosol can. (Part # 361-10)
Genuine OEM Part
Semi-Gloss Black Paint (Part # 361-9)
Genuine OEM Part
Multiple Purpose Hydraulic Oil Filter (Part # 86-3010)
Toro OEM Multiple Purpose Hydraulic Oil Filter. Genuine Toro hydraulic oil filters give you consistent performance over the life of your machine.
Toro Groundsmaster 3200/3500 Plow Side Kit (Part # MSC23345)
Plow side kit for a Groundsmaster 3200 or 3500
5'0" ATV Poly Straight-Blade Crate (Part # STB13567B)
The 5’ Poly Straight Blade Compact Vehicle Plow is engineered for sidewalks, pathways, and hard-to-reach areas, delivering BOSS-grade performance in a compact, agile package. Designed for mid-size UTVs, ATVs, and select Toro units, it tackles tight spaces and rough terrain with ease, making winter maintenance faster and more efficient. Unlike traditional chain and pulley setups, the BOSS hydraulic system eliminates winches, chains, and pulleys—reducing maintenance and corrosion while ensuring reliable operation in any condition.
Constructed from high-performance Polyurethane with ultraviolet stabilizers, the plow retains its sleek, vibrant appearance season after season. It combines the toughness of steel with the smooth performance of stainless steel.
Equipped with a full moldboard trip design, the 5’ Poly Straight Blade protects your equipment by allowing the entire blade to trip forward when encountering obstacles. This system absorbs impact, minimizes damage, and ensures you can confidently move through any storm.
BOSS® Plow Blade attachment for the Toro GrandStand MULTI FORCE. Additional Parts required:
Grandstand MULTI FORCE plow side kit - part # MSC23000
BOSS® Plow Blade attachment for the Toro Dingo. Additional Parts required.
BOSS 5’ plow side kit - part #MSC13960
BOSS® Plow Blade attachment for the Toro GrandStand MULTI FORCE. Additional Parts required:
Grandstand MULTI FORCE plow side kit - part # MSC23000
BOSS® Plow Blade attachment for the Toro Dingo. Additional Parts required.
BOSS 5’ plow side kit - part #MSC13960
-
Model #
31903 -
Serial #
415138462 - 415399999 -
Product Name
Groundsmaster 3310 All-Wheel Drive Traction Unit -
Product Brand
Toro -
Product Type
Riding Products










































































