Lawnmower
Product Information
- Model #: 16775
- Serial #: 4000001 - 4999999
- Product Type: Walk Behind Mowers
Loading...
Assembly Drawings
Search for a part within assembly drawings:
-
Service Manual
-
Parts Catalog
-
Model #
16775 -
Serial #
4000001 - 4999999 -
Product Name
Lawnmower -
Product Brand
Toro -
Product Type
Walk Behind Mowers -
Product Series
21" Side Discharge -
Chassis Type
Cast Deck WPM -
Swath
21 inch -
Discharge
Side -
Engine/Motor Manufacturer
Tecumseh -
Engine/Motor Type
4 Cycle -
Engine Starter
Recoil -
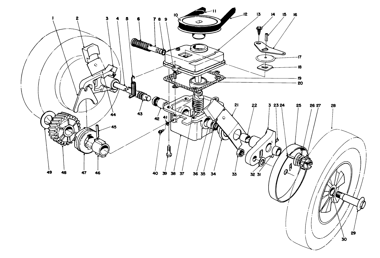
Transmission Type
Gear
-
Engine: Bore
2.500" (63.5mm) -
Engine: Stroke
1.844" (46.83mm) -
Engine: Displacement
9.04 cu.in. (147cc.) -
Engine: Cylinder Material
Aluminum alloy -
Engine: Crankshaft Bearing (Mag.)
Plain -
Engine: Crankshaft Bearing (PTO..)
Plain -
Engine: Connecting Rod Bearing (Lower)
Plain -
Engine: Engine Rotation
Counterclockwise viewed from PTO -
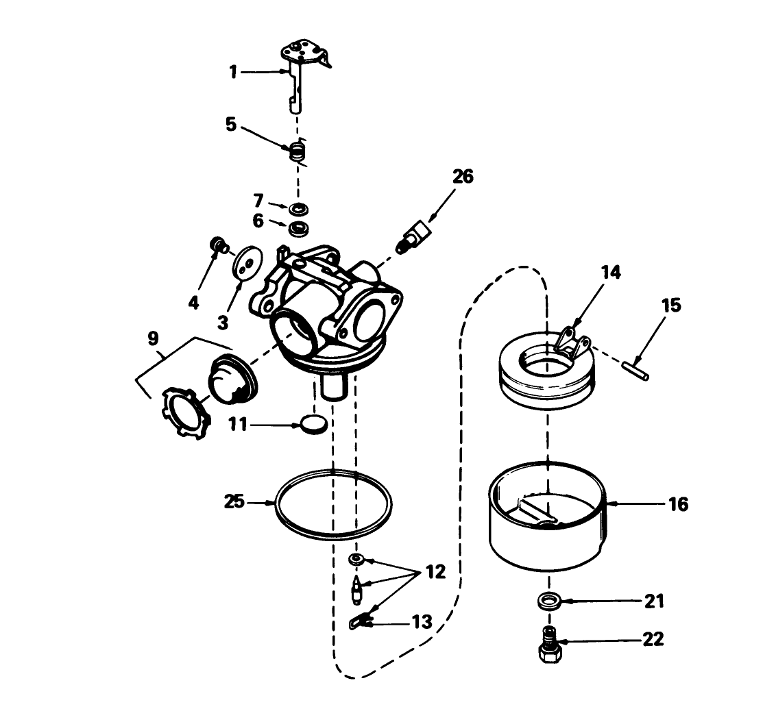
Engine: Carburetor
Float style dual system with primer and automatic choke -
Engine: Fuel Capacity
32 oz. (.94 L) -
Engine: Ignition System
Electronic -
Engine: Starting System
Recoil -
Engine: Lubrication
Splash type -
Engine: Oil Capacity
21 oz. (.62 L) -
Engine: Recommended Oil
Detergent SAE 10W30 or 30, API rating of SC,SD,SE,or SF -
Engine: Governed Engine Speed
Fixed at 3000 rpm -
Engine: Air Cleaner
Oiled foam type element -
Engine: Valve Margin Allowable Limit
0.031" (0.8mm) -
Engine: Width of Valve Seat Contact
0.047" (1.19mm) -
Engine: Valve Lash
0.008" (0.20mm) -
Engine: Seat Angle
31/46/60 Degrees -
Engine: Valve Face Angle
45 Degrees -
Engine: Oversize Valve Guide ID.
0.2807/.2817" (7.130/7.155mm) -
Engine: Crankshaft Runout
0/.002" (0/.05mm) -
Engine: Crankshaft End Play
0.005/.027" (0.127/.686mm) -
Engine: Crankshaft Journal Diameter (Mag.)
0.9985/.9990" (25.362/25.375mm) -
Engine: Crankshaft Journal Diameter (PTO.)
0.8735/.8740" (22.187/22.199mm) -
Engine: Crankshaft Bearing Diameter (Mag)
1.0005/1.0010" (25.413/25.425mm) -
Engine: Cylinder Diameter
2.5000/2.5010" (63.500/63.525mm) -
Engine: Piston Measuring Point
Bottom of skirt 90 degrees from piston pin -
Engine: Piston Diameter
2.4950/2.4955" (63.373/63.386mm) -
Engine: Piston to Cylinder Clearance
0.0045/.0060" (0.114/.152mm) -
Engine: Connecting Rod Bearing Diameter (Big end)
0.8620/.8625" (21.189/21.907mm) -
Engine: Connecting Rod Journal Diameter
0.8610/.8615" (21.869/21.882mm) -
Engine: Piston Ring End Gap
0.007/.017" (0.178/.254mm) -
Engine: Piston Ring Side Clearance (Compression ring only)
0.002/.003" (0.05/.07mm) -
Engine: Piston Ring Side Clearance (Oil ring only)
0.002/.003" (0.05/.07mm) -
Engine: Camshaft Bearing Diameter
0.4975/.4980" (12.636/12.649mm) -
Engine: "Carburetor" Main Jet (STD)
Fixed -
Engine: "Carburetor" Pilot Jet
Fixed -
Engine: "Carburetor" Valve Seat Material
Viton (replaceable) -
Engine: "Carburetor" Inlet Needle Material
Stianless steel -
Engine: "Torque" Spark Plug
20.8 ft.lbs. (2.89kg m) -
Engine: "Torque" Cylinder Head Bolts
14.5 ft.lbs. (2.01kg m) -
Engine: "Torque" Flywheel Nut
34.8ft.lbs. (4.81kg m) -
Engine: "Torque" Connecting Rod Nuts
8.5 ft.lbs. (1.18kg m) -
Engine: "Torque" Crankcase Screws
10.1 ft.lbs. (1.4kg m) -
Engine: "Torque" Muffler Nuts
2.3 ft.lbs. (.32kg m) -
Engine: "Torque" Carburetor to Intake Pipe
5.0 ft.lbs. (.69kg m) -
Engine: "Torque" Air Cleaner Fasteners
1.8 ft.lbs. (.25kg m) -
Engine: "Torque" Engine Mounting Bolts
27 ft.lbs. (3.73kg m) -
Engine: "Torque" Intake to Head
5 ft.lbs. (.69kg m) -
Engine: "Torque" Recoil Starter Screws
4.2 ft.lbs. (.58kg m) -
Engine: "Torque" Blade Bolt or Nut
52.5 ft.lbs. (7.26kg m) -
Engine: "Torque" Fuel Tank Srews
1.5 ft.lbs. (.21kg m) -
Drive System: Ground Speed
3.26 mph -
Chassis: Height of Cut Range
1-3"; 1/2" increments -
Drive System: Gearbox Lubricant
3 oz. (90ml) SAE 90 GL5 or higher -
Engine: Engine Speed
3000±150 RPM -
Engine: Ignition Coil Air Gap
.013" / .33mm -
Engine: Spark Plug
Champion RJ17LM -
Engine: Spark Plug Gap
.030"/ .76mm -
Engine: Engine Oil Type
21 oz. (.62l) 30w or 10w-30 / API SH or higher










