Sand Pro 3000
Product Information
- Model #: 08883
- Serial #: 40001 - 40180
- Product Type: Riding Products
Loading...
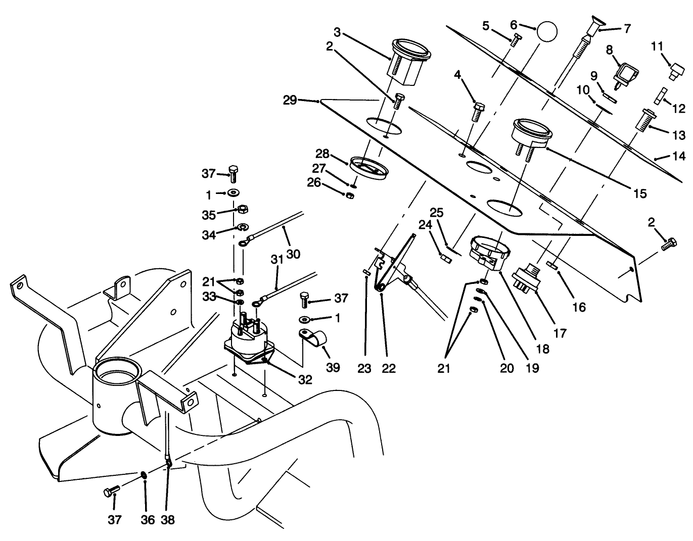
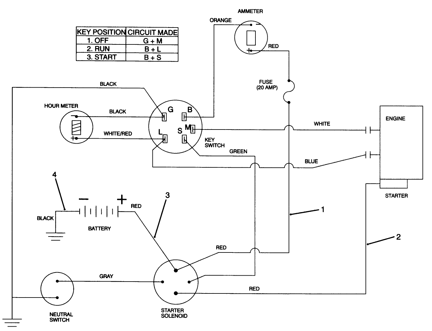
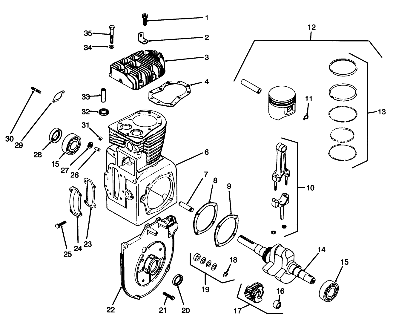
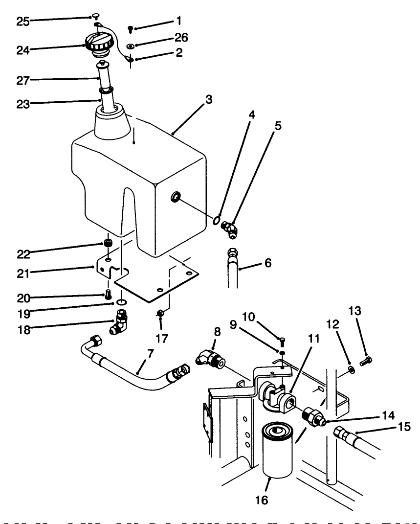
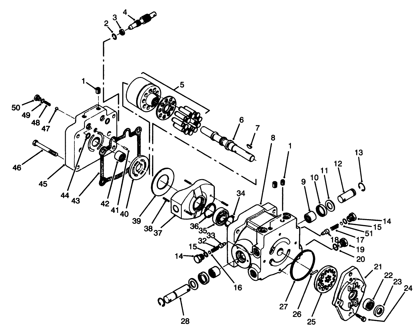
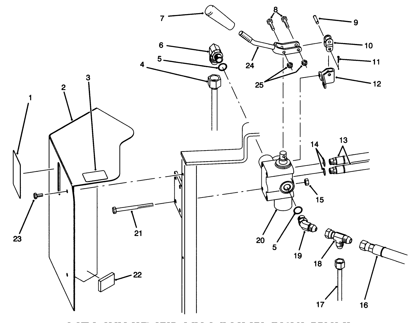
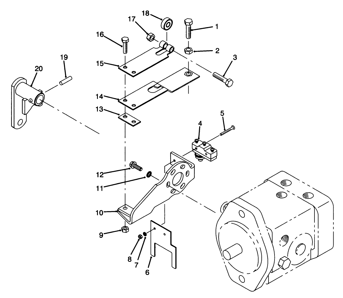
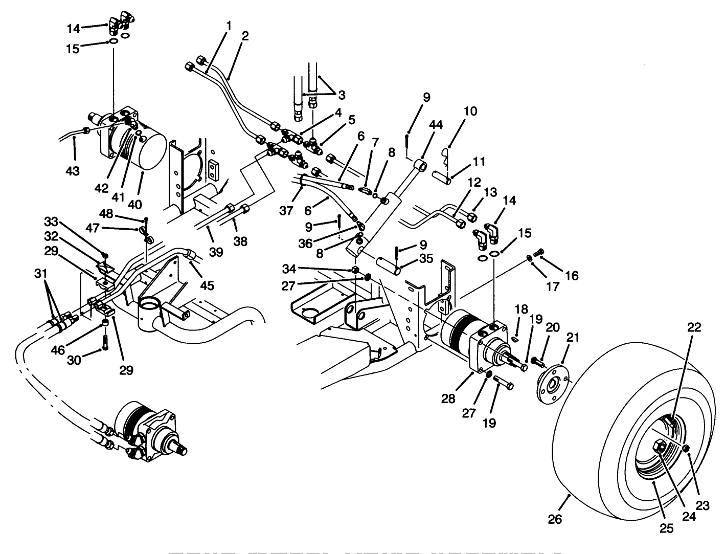
Assembly Drawings
Search for a part within assembly drawings:
-
Operator's Manual
-
Service Bulletin
-
Model #
08883 -
Serial #
40001 - 40180 -
Product Name
Sand Pro 3000 -
Product Brand
Toro -
Product Type
Riding Products -
Product Series
Sand Pro 3000 Series


























