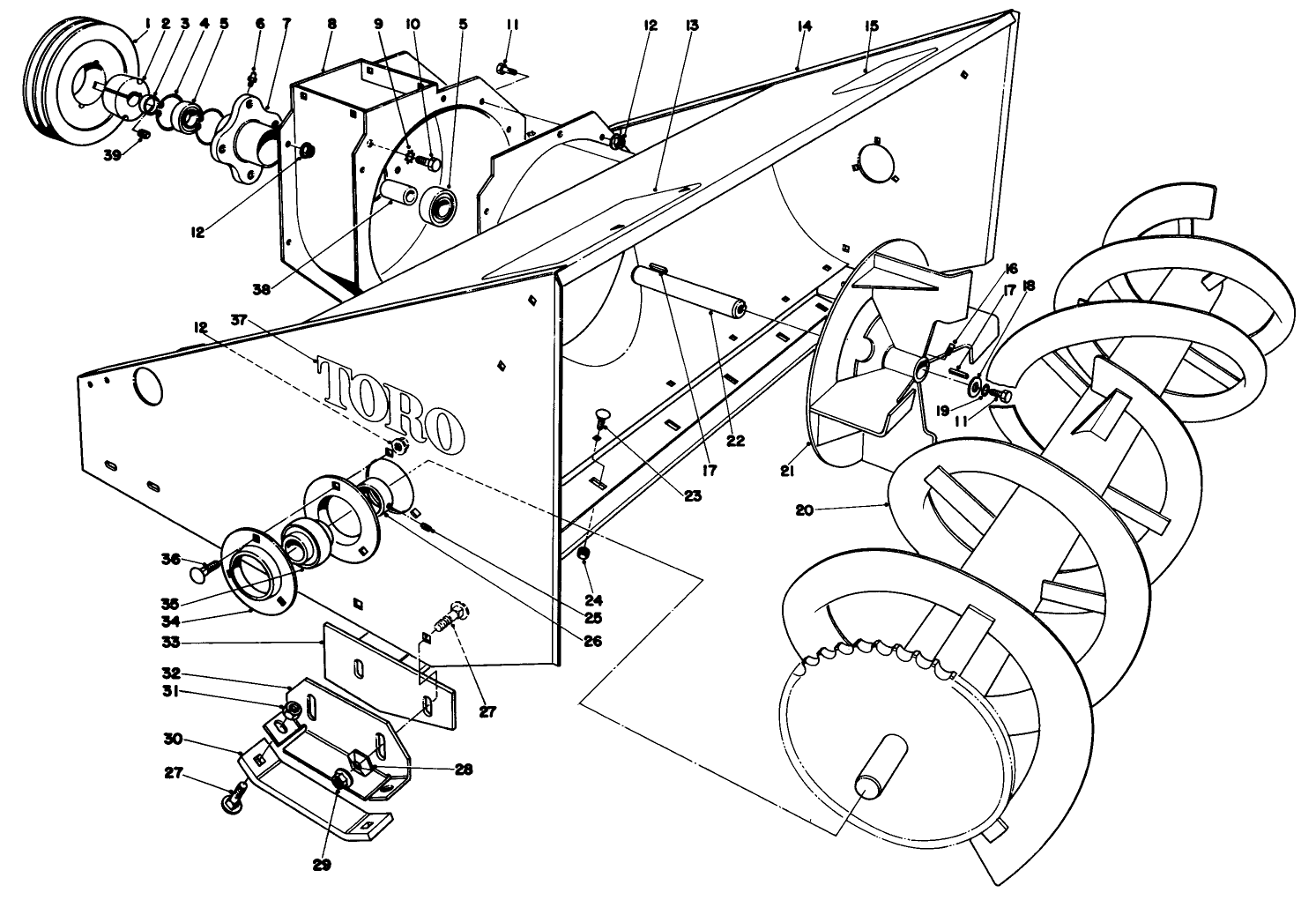
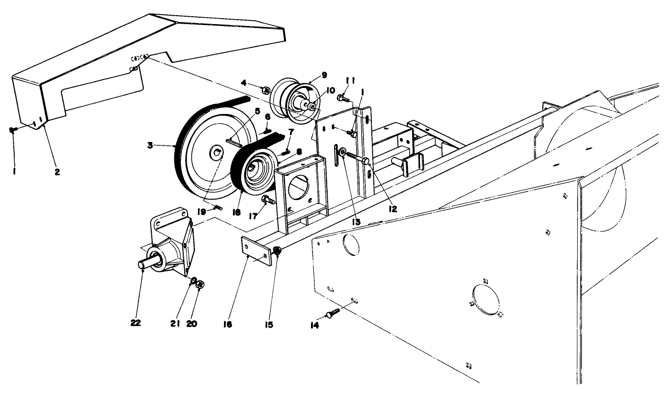
48" Snowthrower, Groundsmaster 52/72 and GMT
Product Information
- Model #: 30570
- Serial #: 90001 - 99999
- Product Type: Attachments
Loading...
Assembly Drawings
Search for a part within assembly drawings:
-
Parts Catalog
-
Installation Instructions
-
Model #
30570 -
Serial #
90001 - 99999 -
Product Name
48" Snowthrower, Groundsmaster 52/72 and GMT -
Product Brand
Toro -
Product Type
Attachments -
Product Series
Attachments & Kits, Groundsmaster -
Swath
48 inch






