Image Not Found

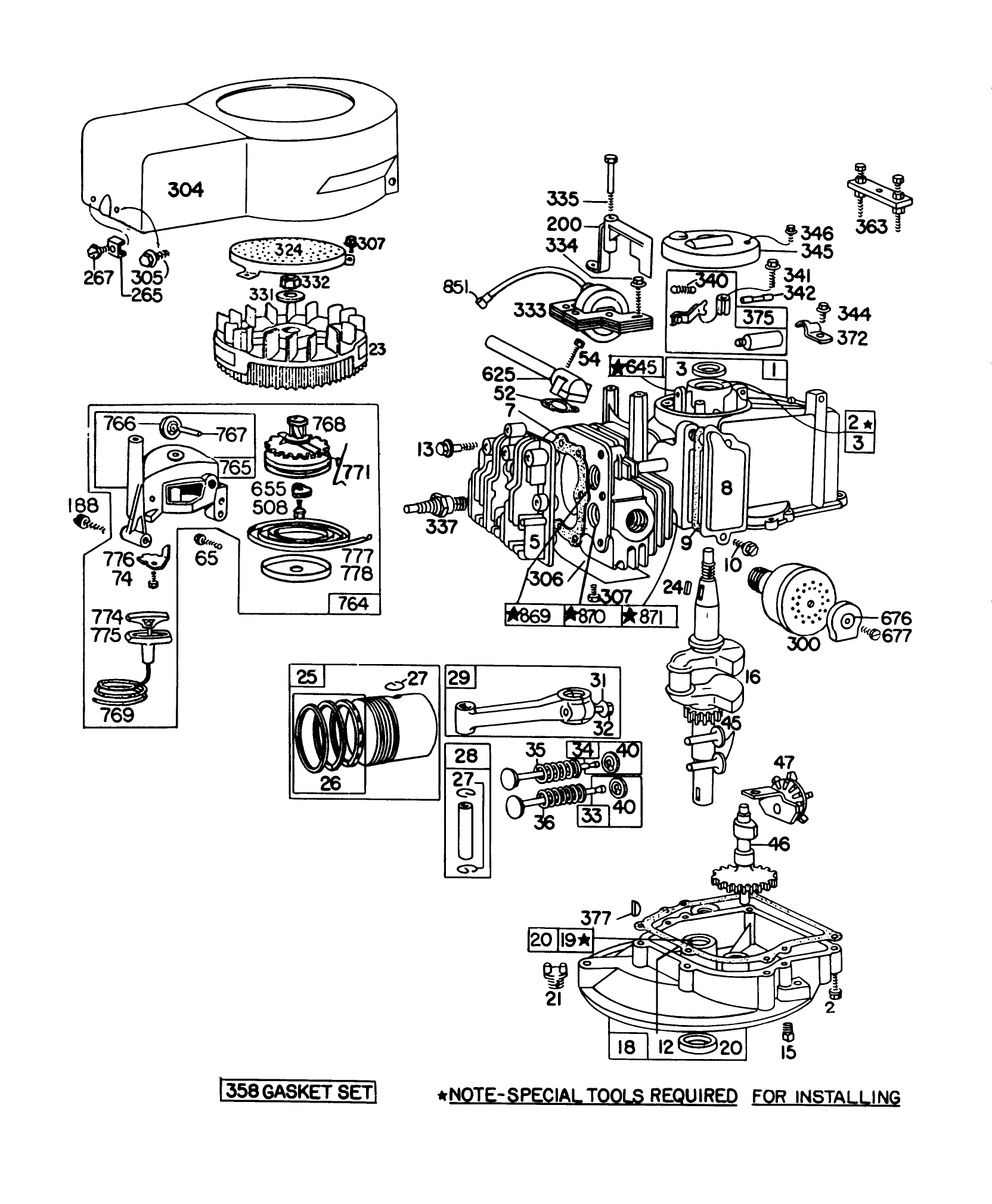
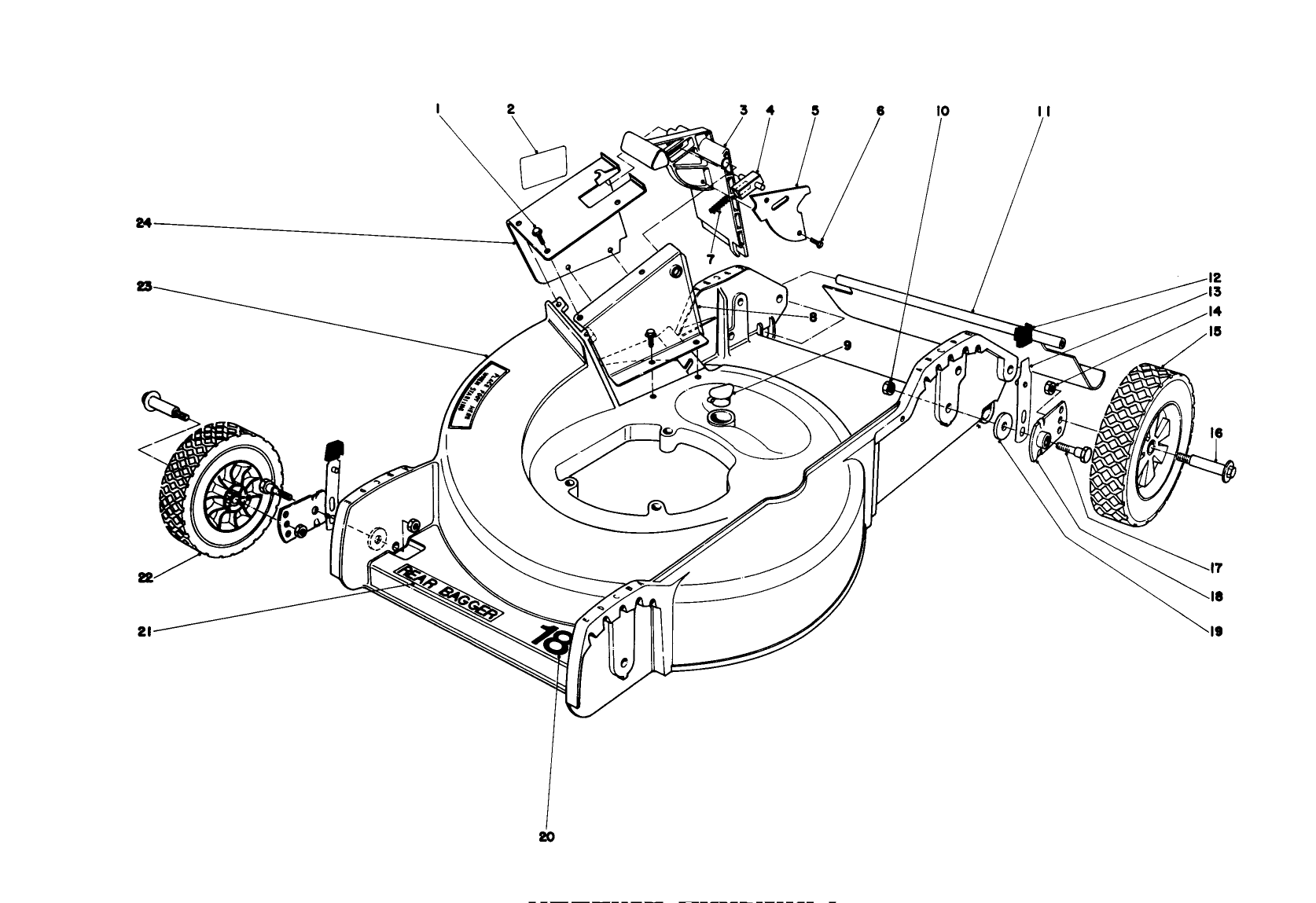
Product Information

  • Model #: 20698
  • Serial #: 8000001 - 8999999
  • Product Type: Walk Behind Mowers
  • Model #
    20698
  • Serial #
    8000001 - 8999999
  • Product Name
    Lawnmower
  • Product Brand
    Toro
  • Product Type
    Walk Behind Mowers
  • Product Series
    18" Rear Bagger / Recycler
  • Chassis Type
    Cast Deck WPM
  • Swath
    18 inch
  • Discharge
    Rear Bagger
  • Engine/Motor Manufacturer
    Briggs & Stratton
  • Engine/Motor Type
    4 Cycle
  • Engine Starter
    Recoil
  • Transmission Type
    Hand Push

Register your product

Registering your product will ensure notification of important updates and expedite warranty service should it be necessary.

Register Now