Reelmaster 216 2 Wheel Drive
Product Information
- Model #: 03410
- Serial #: 50001 - 59999
- Product Type: Riding Products
Loading...
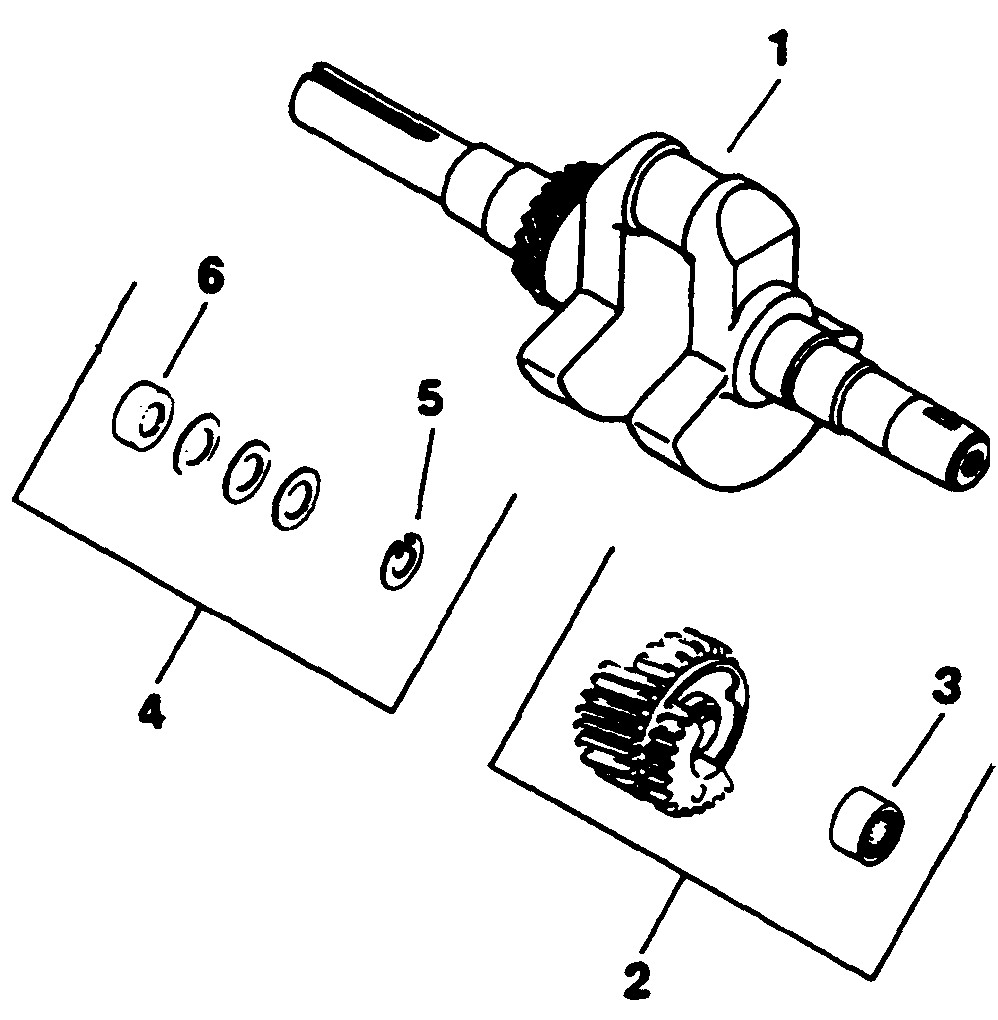
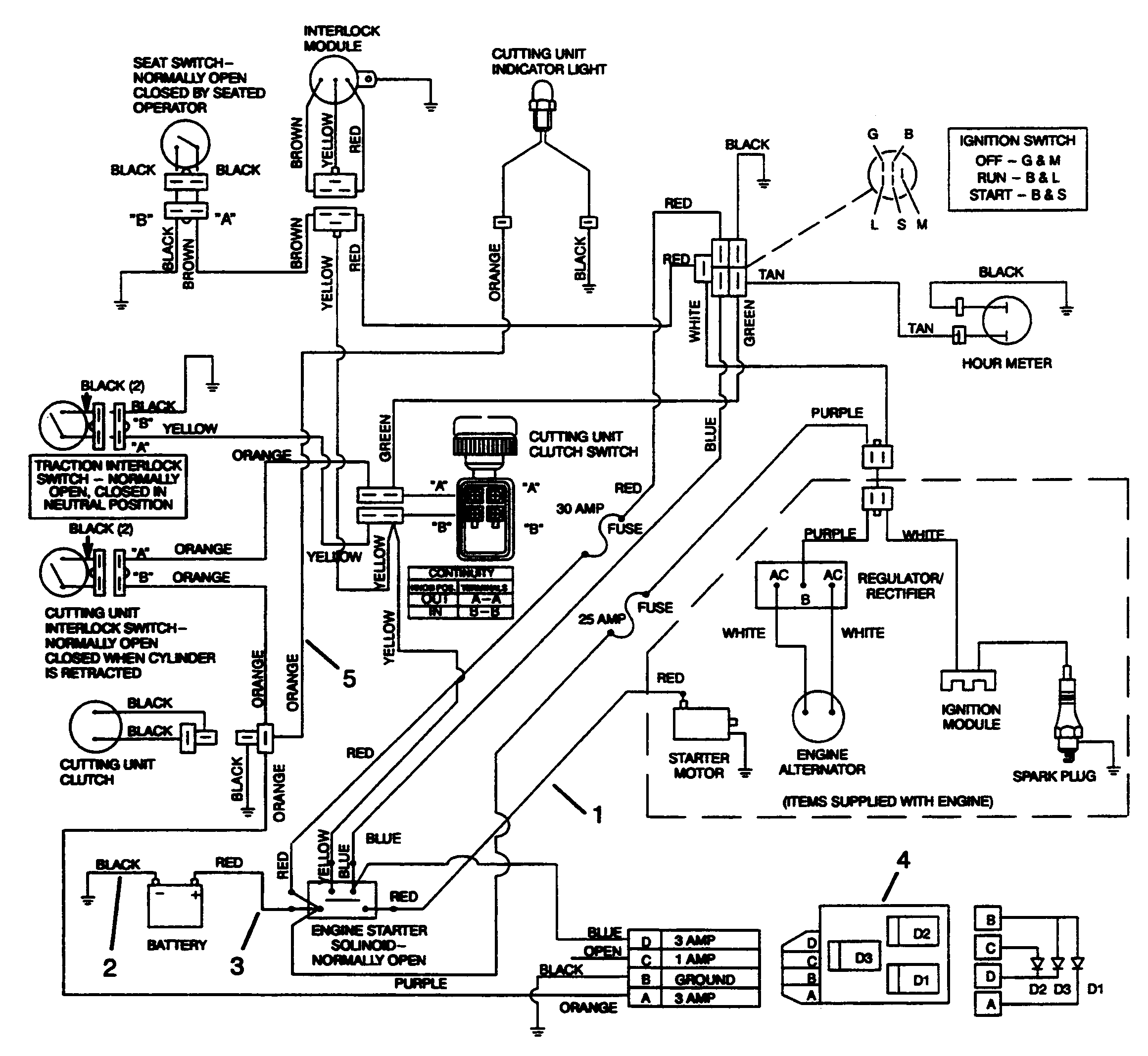
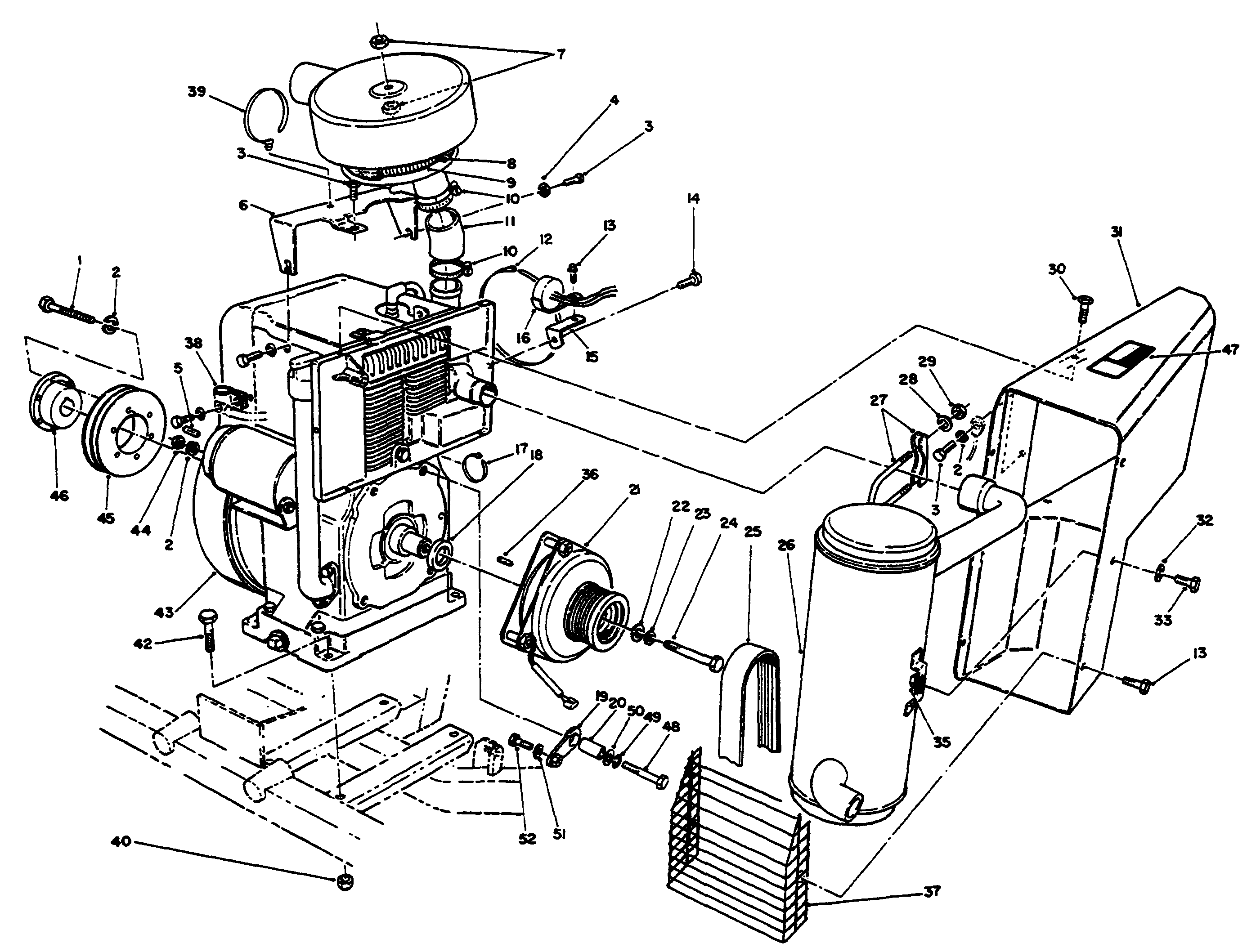
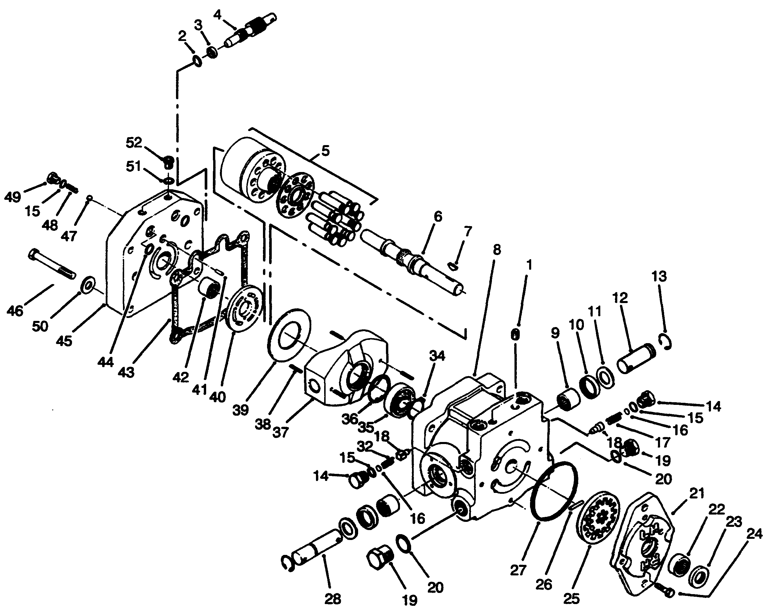
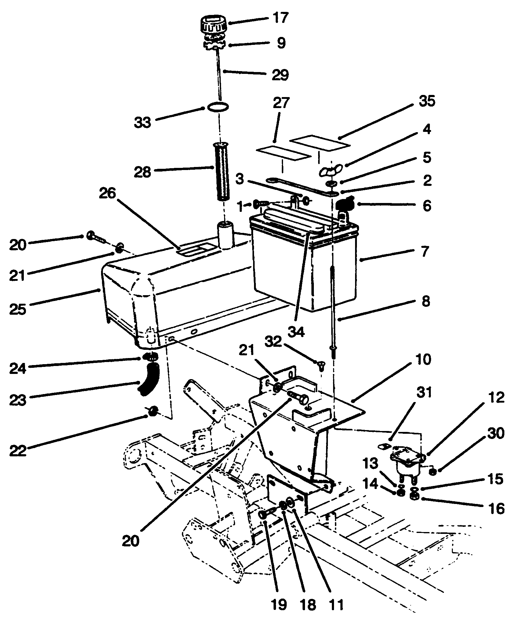
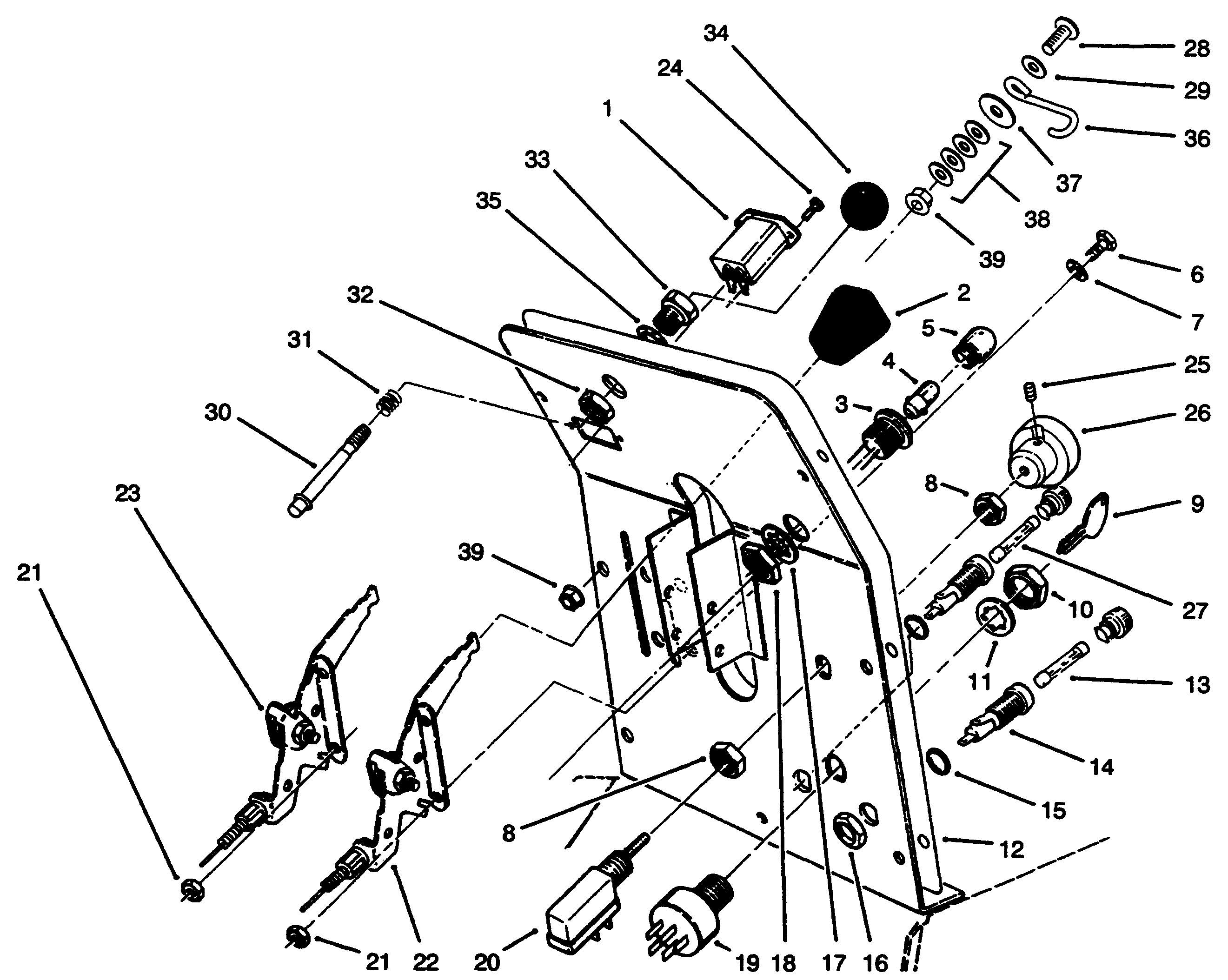
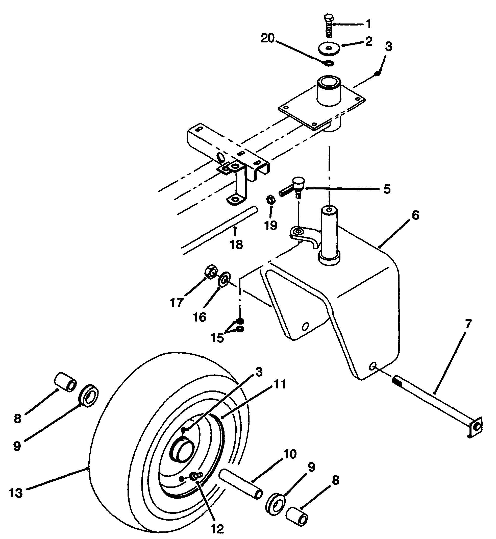
Assembly Drawings
Search for a part within assembly drawings:
-
Service Manual
-
Operator's Manual
-
Parts Catalog
-
EU Declaration of Conformity
-
Service Bulletin
-
Model #
03410 -
Serial #
50001 - 59999 -
Product Name
Reelmaster 216 2 Wheel Drive -
Product Brand
Toro -
Product Type
Riding Products -
Product Series
RM 200 Series













































