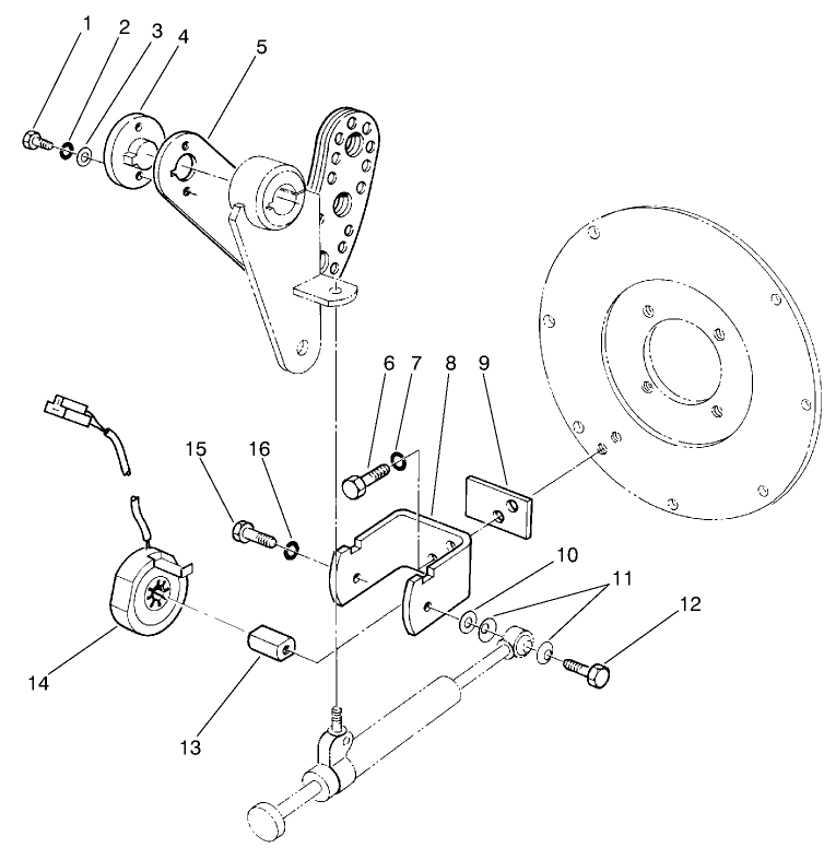
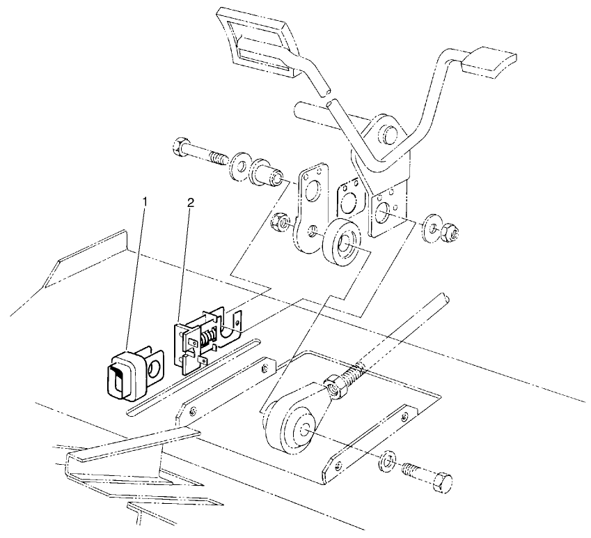
Cruise Control Kit, Reelmaster 450-D
Product Information
- Model #: 03770
- Serial #: None - None
- Product Type: Attachments
Loading...
Assembly Drawings
Search for a part within assembly drawings:
-
Parts Catalog
-
Service Bulletin
-
Model #
03770 -
Serial #
None - None -
Product Name
Cruise Control Kit, Reelmaster 450-D -
Product Brand
Toro -
Product Type
Attachments -
Product Series
RM 400 Series Accessories


