416-H Garden Tractor
Product Information
- Model #: 73421
- Serial #: 5901047 - 5999999
- Product Type: Riding Products
Loading...
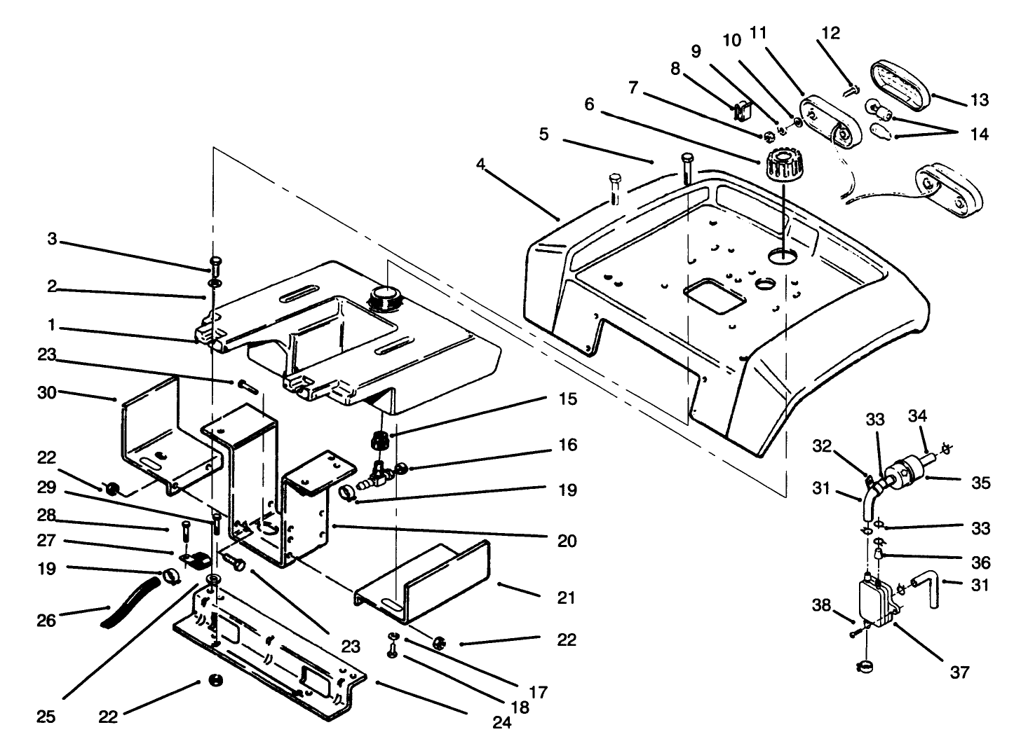
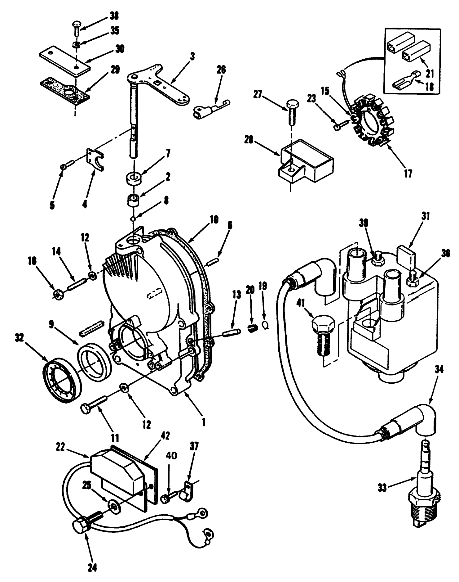
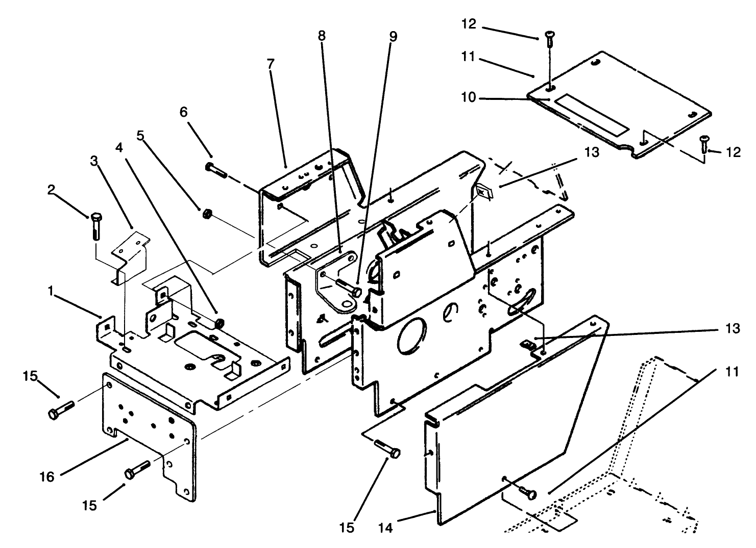
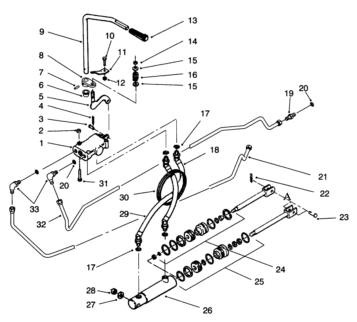
Assembly Drawings
Search for a part within assembly drawings:
-
Service Manual
-
Operator's Manual
-
Parts Catalog
Toro Red 12or aerosol can. (Part # 361-10)
Genuine OEM Part
Red Paint (Gallon) (Part # 361-11)
Genuine OEM Part
Red Paint (Part # 5340)
Genuine OEM Part
36" Rear Discharge Mower (Part # 78305)
42" Side Discharge Mower (Part # 78345)
42" Rear Discharge Mower (Part # 78350)
42" Recycler Mower (Part # 78355)
48" Side Discharge Mower (Part # 78360)
11.0 cu. ft. Vac Bagger - 42"/48" (Part # 79301)
48" Snow/Dozer Blade (Part # 79350)
50" Mid-mount Grader Blade (Part # 79351)
42" Snowthrower (Part # 79360)
44" Two-Stage Snowthrower (Part # 79361)
36" Tiller (Part # 79370)
Front Mower Carrier (Part # 79380)
Wheel Weight Kit (Part # 81115)
Genuine OEM Part
8 Inch Wheel Weight (Part # 81214)
Genuine OEM Part
Tire Chains (Part # 82522)
Genuine OEM Part
-
Model #
73421 -
Serial #
5901047 - 5999999 -
Product Name
416-H Garden Tractor -
Product Brand
Toro -
Product Type
Riding Products -
Product Series
Garden Tractor, 3/4/500, C, GT -
Swath
Deck Optional -
Discharge
Deck Optional -
Engine/Motor Manufacturer
Toro Power Plus/Onan -
Engine/Motor Size
16 hp -
Engine/Motor Type
4 Cycle -
Engine Starter
Electric -
Transmission Type
Hydrostatic
-
Chassis: Tire Pressure
12 PSI / .5kg sq. cm -
Drive System: Ground Speed
Fwd. 0 - 5.6 Rev. 0 - 3.4 mph -
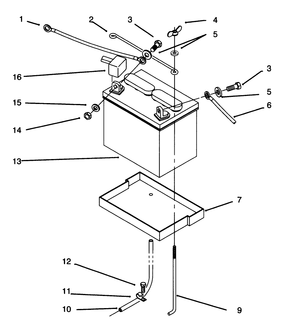
Engine: Battery
12V 380CCA -
Engine: Engine Speed
High 3600, Low 1400 RPM -
Engine: Spark Plug
Champion RS14YC -
Engine: Spark Plug Gap
.025"/ .64mm




































