Mid-Size Proline Gear Traction Unit, 12.5 hp
Product Information
- Model #: 30166
- Serial #: 691550 - 699999
- Product Type: Walk Behind Mowers
Loading...
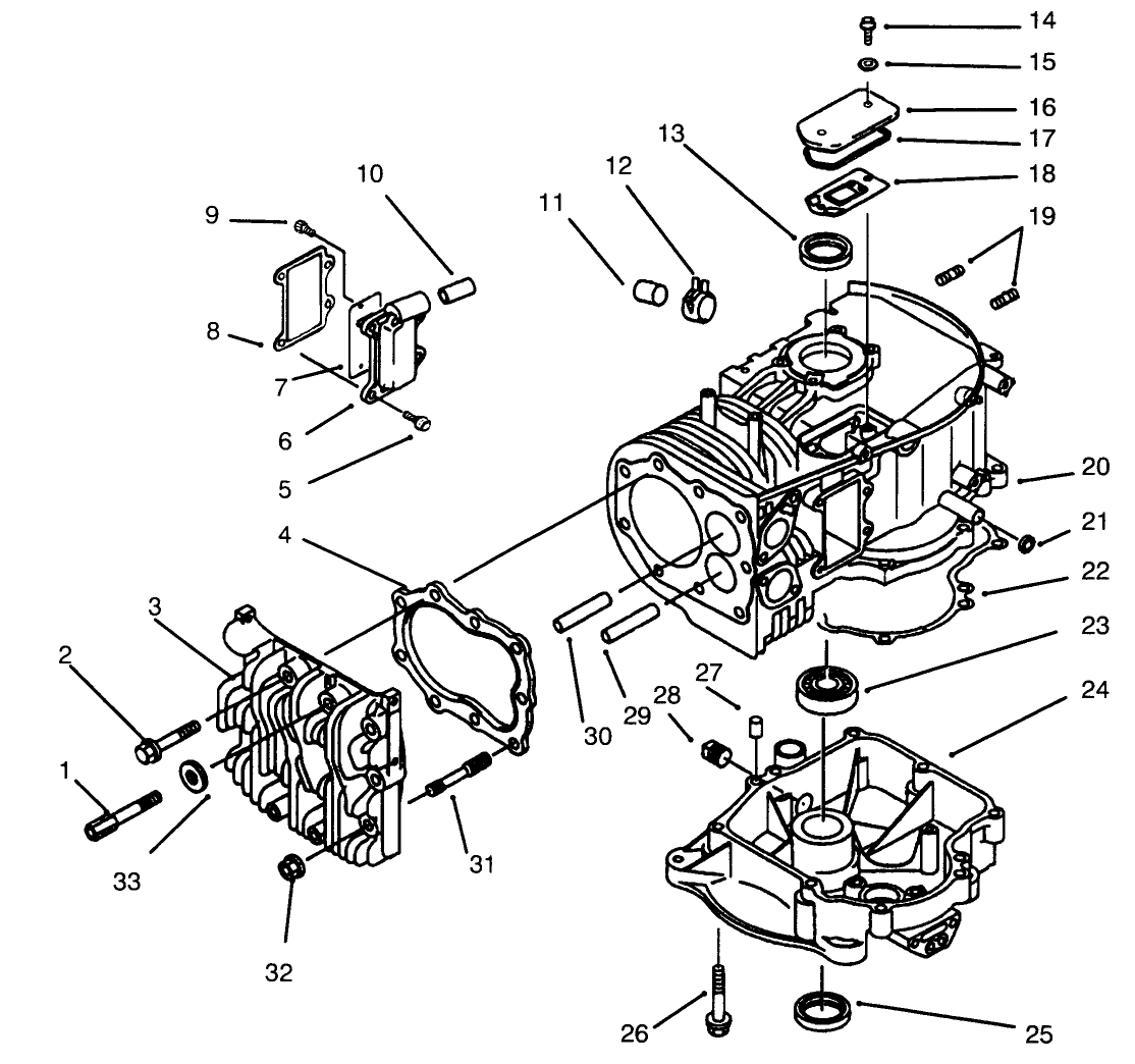
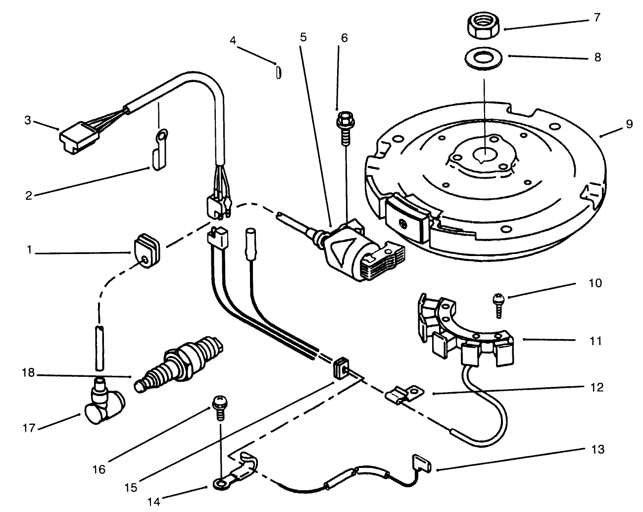
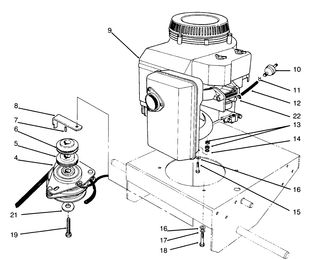
Assembly Drawings
Search for a part within assembly drawings:
-
Service Manual
-
Operator's Manual
-
Parts Catalog
15.5 Inch Atomic Blade (Part # 104-1300)
Toro OEM Atomic blade. The Toro Atomic blade is commonly referenced as a “Gator Style” or “Gator Blade”. Provides the best quality of cut while mulching. This Toro blade has multiple applications. Be sure to verify model and serial number to ensure the correct part.
18 Inch Atomic Blade (Part # 104-1301)
Toro OEM Atomic blade. The Toro Atomic blade is commonly referenced as a “Gator Style” or “Gator Blade”. Provides the best quality of cut while mulching. This Toro blade has multiple applications. Be sure to verify model and serial number to ensure the correct part.
21.5 Inch Atomic Blade (Part # 104-1303)
Toro OEM Atomic blade. The Toro Atomic blade is commonly referenced as a “Gator Style” or “Gator Blade”. Provides the best quality of cut while mulching. This Toro blade has multiple applications. Be sure to verify model and serial number to ensure the correct part.
Bag Kit (Part # 30127)
Discontinued (Part # 30128)
Genuine OEM Part
Bag Kit (Part # 30129)
Steel Basket Bag Kit (Part # 30130)
44/52" Steel Bagger (3.5 bu.) (Part # 30131)
37" Recycler Mower (Part # 30137)
44" Mower (Part # 30144)
52" Mower (Part # 30152)
62" Mower (Part # 30162)
18.00 Inch High Sail/Flow Blade (Part # 44-5480)
Toro 18.00 Inch OEM High Sail/Flow blade. This Sharp replacement blade provides a crisp, clean cut time after time. You can count on the reliability of this Toro replacement High Sail/Flow rotary mower blade. This Toro blade has multiple applications. Be sure to verify model and serial number to ensure the correct part.
15.5 Inch Hi-Flow Blade (Part # 55-4940-03)
Toro OEM Hi Flow blade. Hi-Flow are also known as basic blades, regular blades, or 2-in-1 blades, Hi-Flow mower blades are the go-to blades for mowers with a bagger. The blades are designed to cut the grass and Flow the clippings, propelling them up and out of the discharge chute. This Toro blade has multiple applications. Be sure to verify model and serial number to ensure the correct part.
18 Inch Mower Blade (Part # 56-2390-03)
Toro 18 Inch OEM Hi Flow blade. Hi-Flow are also known as basic blades, regular blades, or 2-in-1 blades, Hi-Flow mower blades are the go-to blades for mowers with a bagger. The blades are designed to cut the grass and Flow the clippings, propelling them up and out of the discharge chute. This Toro blade has multiple applications. Be sure to verify model and serial number to ensure the correct part.
Please contact your local dealer
15.5 Inch Recycler Blade (Part # 92-7952-03)
Toro OEM Recycler blade. Recycler straight edge, standard discharge blade. The blade is designed for a High quality cut and long-lasting durability. These blades are designed with “wings,” called “accelerators” that kind of act like a fan — forcing the tiny bits of grass back into the earth. This Toro blade has multiple applications. Be sure to verify model and serial number to ensure the correct part.
18 Inch Recycler Blade (Part # 92-7961-03)
Toro18 Inch OEM Recycler blade. Recycler straight edge, standard discharge blade. The blade is designed for a High quality cut and long-lasting durability. These blades are designed with “wings,” called “accelerators” that kind of act like a fan — forcing the tiny bits of grass back into the earth. This Toro blade has multiple applications. Be sure to verify model and serial number to ensure the correct part.
-
Model #
30166 -
Serial #
691550 - 699999 -
Product Name
Mid-Size Proline Gear Traction Unit, 12.5 hp -
Product Brand
Toro -
Product Type
Walk Behind Mowers -
Product Series
Mid-Size ProLine Mower -
Swath
Deck Optional -
Discharge
Deck Optional -
Engine/Motor Manufacturer
Kawasaki -
Engine/Motor Size
12.5 hp -
Engine/Motor Type
4 Cycle -
Engine Starter
Recoil -
Transmission Type
Gear
-
Engine: Engine Speed
3600±100 RPM -
Engine: Ignition Coil Air Gap
.012" / .3mm -
Drive System: Gearbox Lubricant
Peerless Bentonite Grease -
Engine: Spark Plug Gap
.025"/ .65mm -
Chassis: Tire Pressure
15 psi rear & castors -
Drive System: Ground Speed
Fwd. 2.2 / 3.5 / 4.5 / 5.2 Rev. 2.5 mph -
Engine: Engine Oil Type
48 oz. (1.42 Liter) SAE 30 -
Engine: Spark Plug
NGK BPMR4A or Champion RCJ8


















