Groundsmaster 325-D 2 Wheel Drive
Product Information
- Model #: 30788
- Serial #: 70001 - 79999
- Product Type: Riding Products
Loading...
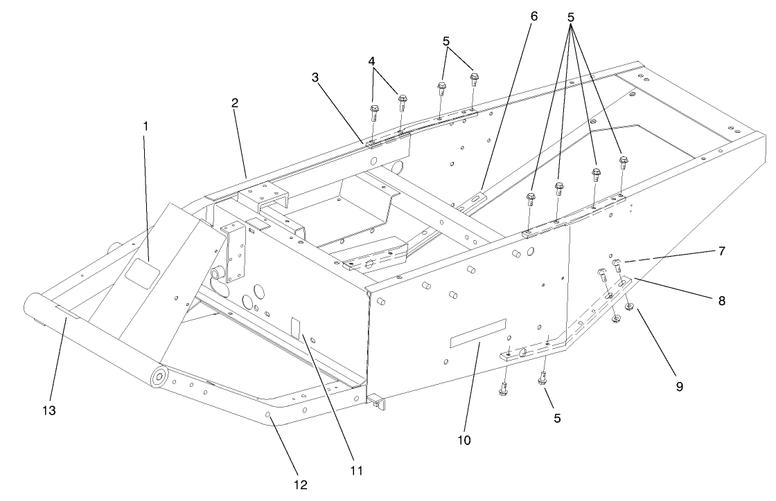
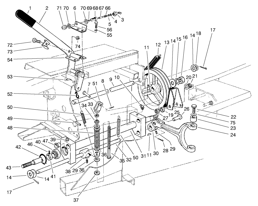
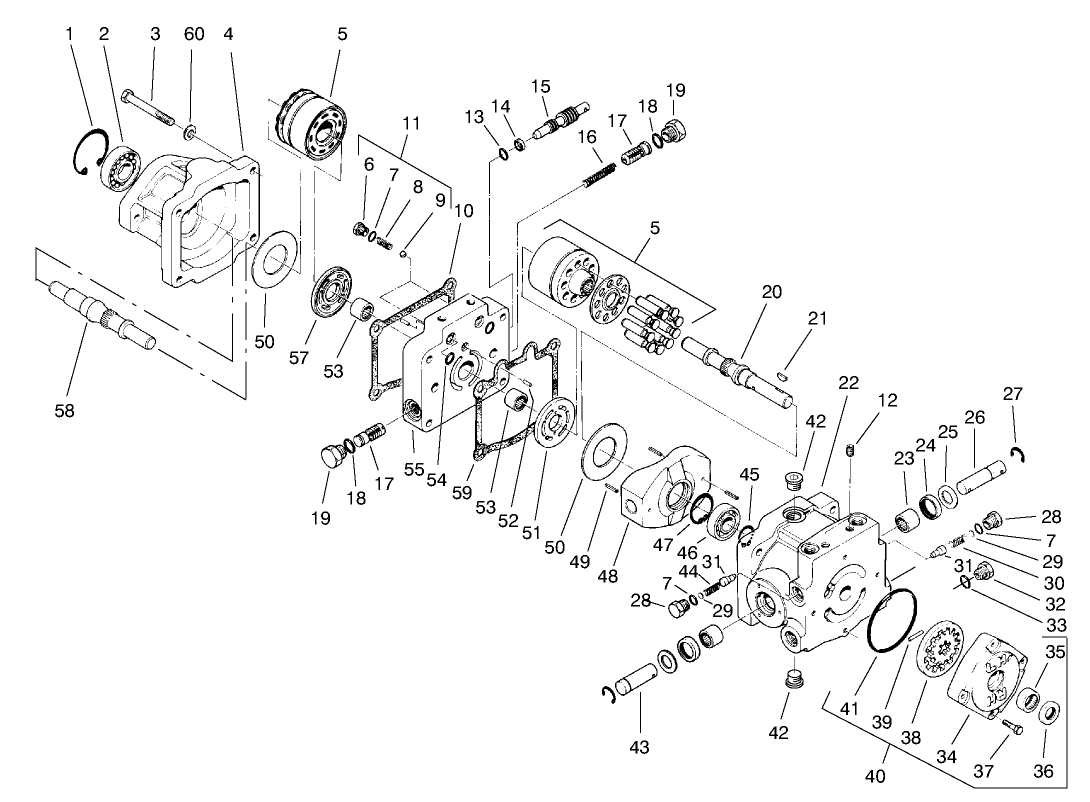
Assembly Drawings
Search for a part within assembly drawings:
-
Service Manual
-
Operator's Manual
-
Parts Catalog
-
Service Bulletin
-
Model #
30788 -
Serial #
70001 - 79999 -
Product Name
Groundsmaster 325-D 2 Wheel Drive -
Product Brand
Toro -
Product Type
Riding Products -
Product Series
Groundsmaster 300 Series -
Swath
Deck Optional -
Discharge
Deck Optional -
Engine/Motor Manufacturer
Mitsubishi -
Engine/Motor Size
25 hp -
Engine/Motor Type
4 Cycle Diesel -
Engine Starter
Electric -
Transmission Type
Hydrostatic

































