265-6 Yard Tractor
Product Information
- Model #: 72045
- Serial #: 7900001 - 7999999
- Product Type: Riding Products
Loading...
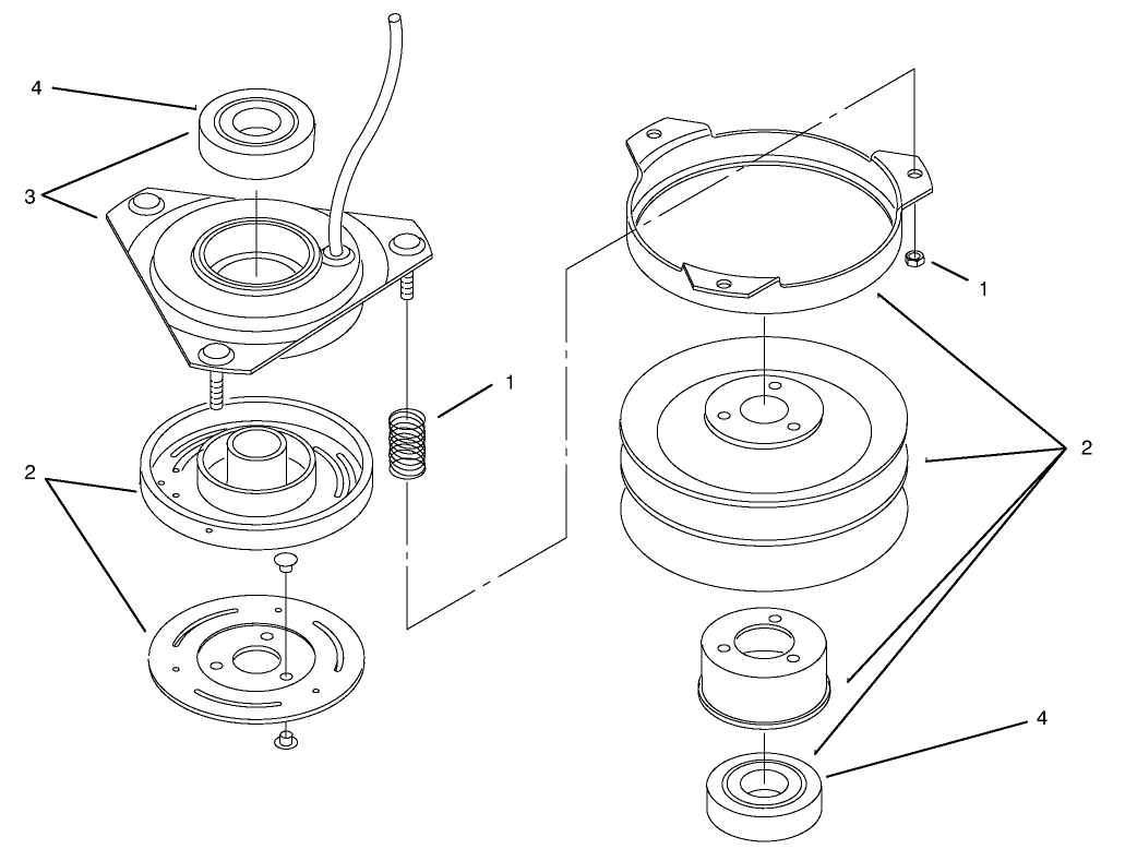
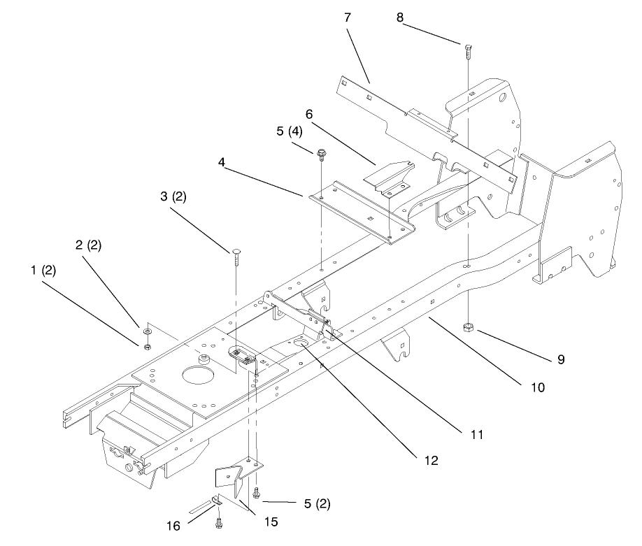
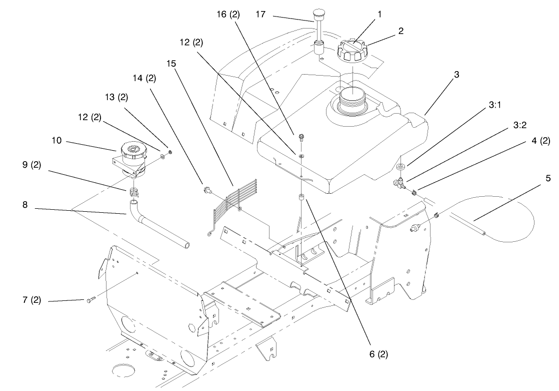
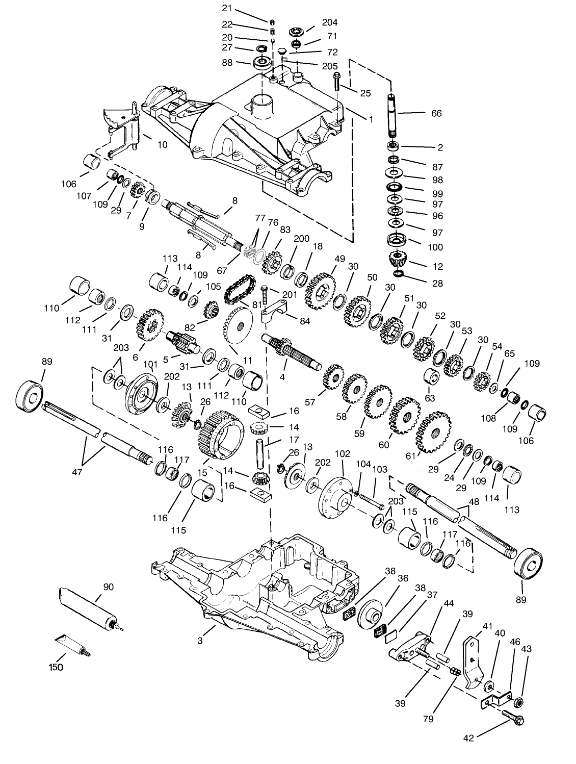
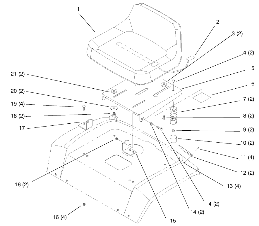
Assembly Drawings
Search for a part within assembly drawings:
-
Service Manual
-
Operator's Manual
-
Parts Catalog
Toro Red 12or aerosol can. (Part # 361-10)
Genuine OEM Part
Red Paint (Gallon) (Part # 361-11)
Genuine OEM Part
Red Paint (Part # 5340)
Genuine OEM Part
38" Side Discharge Mower (Part # 78216)
38" Recycler Mower (Part # 78226)
42" Side Discharge Mower (Part # 78231)
48" Side Discharge Mower (Part # 78260)
48" Recycler Mower (Part # 78265)
52" Side Discharge Mower (Part # 78280)
11.0 cu. ft. Easy Twin Bagger - 38" (Part # 79202)
11.0 cu. ft. Vac Bagger - 42"/48" (Part # 79203)
48" Snow/Dozer Blade (Part # 79252)
42" Snowthrower (Part # 79263)
36" Tiller (Part # 79271)
Wheel Weight Kit (Part # 81115)
Genuine OEM Part
8 Inch Wheel Weight (Part # 81214)
Genuine OEM Part
Tire Chains (Part # 82522)
Genuine OEM Part
Yard Tractor Rear Drive Rim (Part # 92-6789)
A Toro original equipment replacement yard tractor rear drive rim.
Please contact your local dealer
Bagger Bracket (Part # 92-7053-03)
Genuine OEM Part
-
Model #
72045 -
Serial #
7900001 - 7999999 -
Product Name
265-6 Yard Tractor -
Product Brand
Toro -
Product Type
Riding Products -
Product Series
Yard & Garden Tractor, 260 Series -
Chassis Type
Yard Tractor -
Swath
Deck Optional -
Discharge
Deck Optional -
Engine/Motor Manufacturer
Kohler -
Engine/Motor Size
15 hp -
Engine/Motor Type
4 Cycle CARB1 -
Engine Starter
Electric -
Transmission Type
Gear
-
Engine: Horsepower
15 -
Engine: Peak Torque
24.5 ft.-lbs. @ 2400rpm's -
Engine: Bore
3.60" (90mm) -
Engine: Stroke
2.64" (67mm) -
Engine: Displacement
26.0 cu. in. (426cc) -
Engine: Compression Ratio
8.5:1 -
Engine: Weight (approx.)
87 lbs (39.54 kg) -
Engine: Oil Capacity (approx.)
2.0 qt. (1.9 L ) -
Engine: Balance Shaft End Play (Free)
0.0023/0.0143" (0.0575/0.3625mm) -
Engine: Balance Shaft Running Clearance
0.0009/0.0025" (0.025/0.063mm) -
Engine: Bore I.D. (New )
0.7874/0.7884" (20.000/20.025mm) -
Engine: Bore I.D. ( Max. Wear Limit)
0.7889" (20.038mm) -
Engine: Balance Shaft Bearing Surface O.D. (New)
0.7859/0.7864" (19.962/19.975mm) -
Engine: Balance Shaft Bearing Surface O.D. (Max. Wear )
0.7858" (19.959mm) -
Engine: Camshaft End Play ( with shims)
0.003/0.005" (0.076/0.127mm) -
Engine: Camshaft Running Clearance
0.0010/0.0025" (0.025/0.063mm) -
Engine: Camshaft Bore I.D. (New)
0.7874/0.7884" (20.000/20.025mm) -
Engine: Camshaft Bore I.D. (Max. Wear Limit)
0.7889" (20.038mm) -
Engine: Camshaft Bearing Surfasc O.D. (new)
0.7859/0.7864"(19.962/19.975mm) -
Engine: Camshaft Bearing Surfasc O.D. (Max Wear Limit)
0.7858" (19.959mm) -
Engine: Carburetor Preliminary Low Idle Fuel Needle Setting
1 Turn. -
Engine: Connecting Rod to Crankpin Running (new)
0.0012/0.0022" (0.030/0.055mm) -
Engine: Connecting Rod to Crankpin Running (Max.Wear )
0.0025" (0.07mm) -
Engine: Connecting Rod To Crankpin Side Clearance
0.007/0.016" (0.18/0.41mm) -
Engine: Connecting Rod To Piston pin Running Clearance
0.0006/0.0011" (0.015/0.028mm) -
Engine: Piston Pin End I.D. (new)
0.7486/0.7489" (19.015/19.023mm) -
Engine: Piston Pin End I.D. (Max.Wear Limit)
0.7495" (19.036mm) -
Engine: Crankcase Governor Cross Bore I.D. (New)
0.2372/0.2382" (6.025/6.050mm) -
Engine: Crankcase Governor Cross Bore I.D. (Max. Wear )
0.2387" (6.063mm) -
Engine: Crankshaft End Play (Free)
0.0023/0.0194" (0.0575/0.4925mm) -
Engine: Crankshaft Sleeve Bearing I.D. (New)
1.7703/1.7718" (44.965/45.003mm) -
Engine: Crankshaft Sleeve Bearing I.D. (Max. Wear Limit)
1.7723" (45.016mm) -
Engine: Crankshaft to Sleeve Bearing Running Clearance
New 0.0012/0.0035" (0.03/0.09mm) -
Engine: Crankshaft Bore To Crankshaft (In Oil Pan)
0.0012/0.0035" (0.03/0.09mm) -
Engine: Crankshaft Flywheel End Main Bearing Journal O.D. (new)
1.7682/1.7691" (44.913/44.935mm) -
Engine: Crankshaft Flywheel End Main Bearing Journal O.D. (Max. Wear)
1.765" (44.84mm) -
Engine: Crankshaft Flywheel End Main Bearing Journal Max. Taper
0.0009" (0.022mm) -
Engine: Crankshaft Flywheel End Main Bearing Journal Max.Out of Round
0.0010" (0.025mm) -
Engine: Crankshaft Oil Pan End Main Bearing Journal O.D. (new)
1.6502/1.6510" (41.915/41.935mm) -
Engine: Crankshaft Oil Pan End Main Bearing Journal O.D. (Max.Wear Limit )
1.648" (41.86mm) -
Engine: Crankshaft Oil Pan End Main Bearing Journal Max. Taper
0.0008" (0.020mm) -
Engine: Crankshaft Oil Pan End Main Bearing Journal Max. Out of Round
0.0010" (0.025mm) -
Engine: Crankshaft Connecting Rod Journal O.D. (new)
1.5338/1.5343" (38.958/30.970mm) -
Engine: Crankshaft Connecting Rod Journal O.D. (Max. Wear Limit)
1.5328" (38.94mm) -
Engine: Crankshaft Connecting Rod Journal Max. Taper
0.0005" (0.012mm) -
Engine: Crankshaft Connecting Rod Journal Max. Out of Round
0.0010" (0.025mm) -
Engine: Crankshaft T.I.R. PTO End Crank in Engine
0.0059" (0.15mm) -
Engine: Crankshaft T.I.R. Entire Crank,in V-Block
0.0039" (0.10mm) -
Engine: Cylinder Bore I.D. (new)
3.5433/3.5443" (90.000/90.025mm) -
Engine: Cylinder Bore I.D. (Max. Wear Limit )
3.5681" (90.63mm) -
Engine: Cylinder Bore I.D. Max. Out of Round
0.0047" (0.12mm) -
Engine: Cylinder Bore I.D. Max. Taper
0.0020" (0.05mm) -
Engine: Head, Out of Flatness
0.003" (0.076mm) -
Engine: Electric Starter, Drive Pinion to Flywheel Ring Gear Backlash
0.001/0.061" (0.025/1.56mm) -
Engine: Governor Cross Shaft To Crankcase Running Clearance
0.0010/0.0030" (0.025/0.075mm) -
Engine: Governor Gear Shaft to Governor Gear Running Clearance
0.0006/0.0055" (0.015/0.140mm) -
Engine: Governor Cross Shaft O.D. (new)
0.2352/0.2362" (5.975/6.000mm) -
Engine: Governor Cross Shaft O.D. (Max. Wear Limit)
0.2347" (5.962mm) -
Engine: Spark Plug Type
Champion RC12YC -
Engine: Ignition Module Air Gap
0.008/0.012" (0.203/0.305mm) -
Engine: Piston to Piston pin (Selective Fit )
0.0002/0.0007" (0.006/0.017mm) -
Engine: Piston Pin Bore I.D. (new)
0.7483/0.7485" (19.006/19.012mm) -
Engine: Piston Pin Bore I.D. (Max. Wear Limit)
0.7490" (19.025mm) -
Engine: Piston Pin O.D. (new)
0.7478/0.7480" (18.995/19.000mm) -
Engine: Piston Pin O.D. (Max. Wear Limit)
0.74779" (18.994mm) -
Engine: Top Compression Ring to Grove Side Clearance
0.0023/0.0041" (0.060/0.105mm) -
Engine: Middle Compression Ring to Grove Side Clearance
0.0015/0.0002" (0.040/0.085mm) -
Engine: Oil Control Ring to Grove Side Cearance
0.0069/0.0010" (0.176/0.026mm) -
Engine: Top & Center Compression Ring End Gap
0.010/0.020" (0.27/0.51mm) -
Engine: Piston Thrust Face O.D. (@D1) (new)
3.5413/3.5420" (89.951/89.969mm) -
Engine: Piston Thrust Face O.D. (@D1) (Max. Wear Limit)
3.5363" (89.824mm) -
Engine: Piston Thrust Face O.D. (@D1) to Cylinder Bore Running Clearance (new)
0.0012/0.0016" (0.031/0.043mm) -
Engine: Rocker Arm I.D. (new)
0.63/0.64" ( 15.837/16.127mm) -
Engine: Rocker Arm I.D. (Max. Wear Limit)
0.64" (16.13mm) -
Engine: Rocker Shaft O.D. (new)
0.63" (15.90/16.127mm) -
Engine: Rocker Shaft O.D. (Max. Wear Limit)
0.619" (15.727mm) -
Engine: Hydraulic Valve Lifter to Crankcase Running Clearance
0.0005/0.0020" (0.0124/0.0020mm) -
Engine: Intake Valve Stem to Valve Guide Running Clearance
0.0015/0.0030" (0.038/0.076mm) -
Engine: Exhaust Valve Stem to Valve Guide Running Clearance
0.0020/0.0035" (0.050/0.088mm) -
Engine: Intake Valve Guide I.D. (new)
0.2771/0.2779" (7.038/7.058mm) -
Engine: Intake Valve Guide I.D. (Max. Wear Limit)
0.2809" (7.134mm) -
Engine: Exhaust Valve Guide I.D. (new)
0.2771/0.2779" (7.038/7.058mm) -
Engine: Exhaust Valve Guide I.D. (Max. Wear Limit)
0.2819" (7.159mm) -
Engine: Valve Guide Reamer Size (STD)
0.2775" (7.048mm) -
Engine: Valve Guide Reamer Size (0.25mm O.S.)
0.2873" (7.298mm) -
Engine: Intake Valve Minimum Lift
0.353" (8.96mm) -
Engine: Exhuast Valve Minimum Lift
0.360" (9.14mm) -
Engine: Nominal Valve Seat Angle
45 Degrees -
Engine Torque: Fuel Bowl Nut
45/55 in.lbs. (5.1/6.2 N-m) -
Engine Torque: Stator Mounting Screws
35 in.lbs. (4.0 N-m ) -
Engine Torque: Connecting Rod Cap Fastener (Straight Shank Bolt )
200 in. lbs. (22.6 N-m ) -
Engine Torque: Connecting Rod Cap Fastener (Step Down Type Bolt )
130 in. lbs. (14.7 N-m ) -
Engine Torque: Air Cleaner Base Nut
88 in. lbs. (9.9 N-m) -
Engine Torque: Cylinder Head Fastener
30 ft. lbs (40.7 N-m) -
Engine Torque: Rocker Pedestal Fastener
88 in. lbs. (9.9 N-m) -
Engine Torque: Drive Pinion Fastener
135 in. lbs. (15.3 N-m ) -
Engine Torque: Fan Fastener
88 in. lbs. (9.9 N-m) -
Engine Torque: Flywheel Retaining Screw
49 ft. lbs. (66.4 N-m) -
Engine Torque: Fuel Pump / Cover Fastener Screw
65/80 in. lbs. (7.3/9.0 N-m) -
Engine Torque: Spark Plug Torque
28/32 ft. lbs. (38.0/43.4 N-m) -
Engine Torque: Ignition Module Fastener
35/55 in. lbs. (4.0/6.2 N-m) -
Engine Torque: Muffler Retaining Nuts
216 in.lbs. (24.4 N-m) -
Engine Torque: Oil Fliter
50/80 in. lbs. (5.7/9.0 N-m) -
Engine Torque: Oil Fliter Drain Plug
65/80 in. lbs. (7.3/9.0 N-m) -
Engine Torque: Oil Pan Fastener
216 in.lbs. (24.4 N-m) -
Engine Torque: Oil Sentry Pressure Switch
70 in. lbs. (7.9 N-m) -
Engine Torque: Oil Pump Cover Fastener
35/55 in. lbs. (4.0/6.2 N-m) -
Engine Torque: Retractable Starter Center Screw
65/95 in.lbs. (7.4/8.5 N-m) -
Engine Torque: Governor Control Lever Fastener
88 in. lbs. ( 9.9 N-m) -
Engine Torque: Speed Control Bracket Assembly Fastener
65/95 in. lbs. (7.3/10.7 N-m) -
Engine Torque: Valve Cover Fastener
65/95 in. lbs. (7.3/10.7 N-m) -
Chassis: Tire Pressure
12 PSI / .5kg sq. cm -
Drive System: Ground Speed
Fwd. .7 - 5.3 Rev. 2.4 mph -
Engine: Battery
12V 210CCA -
Engine: Engine Speed
High 3250, Low 1200 RPM -
Engine: Spark Plug
Champion RC12YC -
Engine: Spark Plug Gap
.040"/ 1mm































