312-8 Garden Tractor
Product Information
- Model #: 73362
- Serial #: 6900001 - 6999999
- Product Type: Riding Products
Loading...
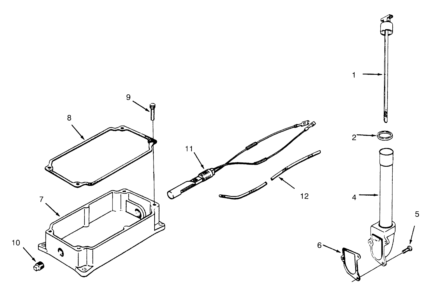
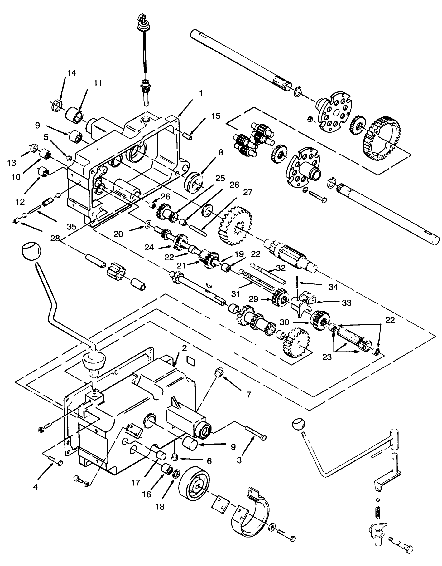
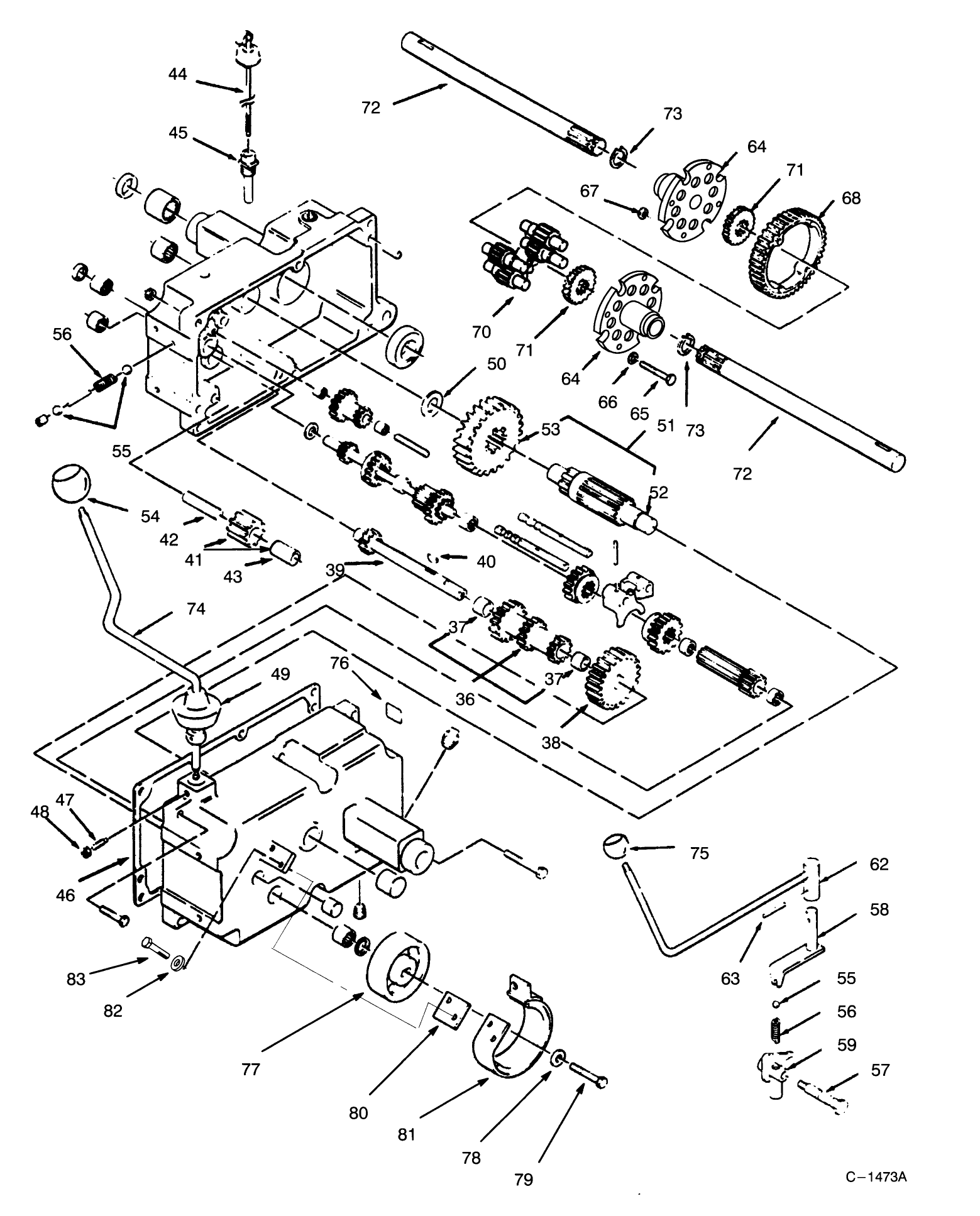
Assembly Drawings
Search for a part within assembly drawings:
-
Service Manual
-
Operator's Manual
-
Parts Catalog
36" Rear Discharge Mower (Part # 78305)
37" Side Discharge Mower (Part # 78315)
42" Side Discharge Mower (Part # 78345)
42" Rear Discharge Mower (Part # 78350)
42" Recycler Mower (Part # 78355)
48" Side Discharge Mower (Part # 78360)
-
Model #
73362 -
Serial #
6900001 - 6999999 -
Product Name
312-8 Garden Tractor -
Product Brand
Toro -
Product Type
Riding Products -
Product Series
Garden Tractor, 3/4/500, C, GT -
Swath
Deck Optional -
Discharge
Deck Optional -
Engine/Motor Manufacturer
Kohler -
Engine/Motor Size
12 hp -
Engine/Motor Type
4 Cycle -
Engine Starter
Electric -
Transmission Type
Gear
-
Engine: Horsepower @ 3600 rpm
12hp. -
Engine: Displacement ( cu.in. )
29.07 -
Engine: Bore
3.38" -
Engine: Stroke
3.25" -
Engine: Compression Ratio
6.6:1 -
Engine: Weight Approx.
129 lbs. -
Engine: Oil Capacity (Approx.)
2 qts. -
Engine: Fuel Tank Capacity
1.5 gals. -
Engine Torque: Air Cleaner Nut
50 in.lbs. -
Engine: Balance Gear, End Play
.002/.010" -
Engine: Balance Gear, New Stub Shaft O.D.
.4998/.5001" -
Engine: Balance Gear, Stub Shaft O.D. Max. Wear Limit
.4996" -
Engine: Camshaft End Play
.005/.010" -
Engine: Camshaft to Camshaft Pin Running Clearance
.0010/.0035" -
Engine: Camshaft Pin Depth From Crankase Surface.
.300/.330" -
Engine: Camshaft Cup Plug Depth from Crankcase Surface
.000/.030" -
Engine: Carburetor Preliminary Main Fuel Screw Setting
1 1/2 Turns -
Engine: Carburetor Preliminary Idle Fuel Screw Setting
2 1/2 Turns -
Engine: Carburetor Float Level
1 1/64 (+/- 1/32) -
Engine: Carburetor Float Drop
1 1/32 -
Engine: Carburetor Float to Float Tower Clearance
.010" -
Engine: Rod to Crankpin Running Clearance (new)
.001/.002" -
Engine: Rod to Crankpin Running Clearance (max. wear limit)
.0025" -
Engine: Rod to Pistonpin Running Clearance (new)
.0003/.0008" -
Engine: Piston Pin End I.D. (new)
.8757/.8760" -
Engine: Rod Side Play on Crankpin
.007/.016" -
Engine: Crankshaft End Play
.003/.020" -
Engine: Main Bearing Surface O.D. (new)
1.5745/1.5749" -
Engine: Main Bearing Surface O.D. (max. wear limit)
1.5745" -
Engine: Crankpin O.D. (new)
1.5000/1.4995" -
Engine: Crankpin O.D. (max. out of round)
.0005" -
Engine: Crankpin O.D. Max. Taper
.001" -
Engine: Cylinder Bore I.D. (new)
3.3755/3.3745" -
Engine: Cylinder Bore I.D. (max. wear limit)
3.378" -
Engine: Cylinder Bore I.D. (max. out round)
.005" -
Engine: Cylinder Bore I.D. (max. taper)
.002" -
Engine: Cylinder Head Max. Out Of Flatness
.003" -
Engine: Gear Reduction Shaft End Play
.005/.030" -
Engine: Governor Bushing to Cross Shaft Running Clearance
.0010/.0025" -
Engine: Governor Gear to Stub Shaft Running Clearance
.0005/.0020" -
Engine: Governor Cross Shaft End Play
.001/.069" -
Engine: Ignition Module Air Gap
.012/.016" -
Engine: Spark Plug Type
Champion RH-10 -
Engine: Type A Piston Thrust Face O.D. @D 1 (new)
3.368/3.365" -
Engine: Type A Piston Thrust Face O.D. @ D1 (max. wear limit)
3.363" -
Engine: Type A Piston Thrust Face to Bore Clearance @D1 (new)
.007/.010" -
Engine: Type A Piston Ring End Gap (new)
.010/.020" -
Engine: Type A Piston Ring End Gap (max.wear limit)
.030" -
Engine: Type A Piston Ring Side Clearance (max. )
.006" -
Engine: Type A Piston Pin O.D. (new)
.8752/.8754" -
Engine: Intake Valve to Tappet Clearance (cold)
.008/.010" -
Engine: Exhaust Valve to Tappet Clearance (cold)
.017/.019" -
Engine: Intake Valve Minimum Lift - Zero Lash
.318" -
Engine: Exhaust Valve Minimum Lift - Zero Lash
.318" -
Engine: Intake Valve Minimum Stem O.D.
.3103" -
Engine: Exhaust Valve Minimum Stem O.D.
.3074" -
Engine: Nominal Valve Seat Angle
45 Degrees -
Engine: Valve Guide Reamer Size
.3125" -
Engine: Intake Valve Guide I.D. (max. wear limit)
.006" -
Engine: Exhaust Valve Guide I.D. (max. wear limit)
.008" -
Engine Torque: Camgear Cover Fastener
115 in.lbs. -
Engine Torque: Fuel Inlet Seat
35 in.lbs. -
Engine Torque: Bowl Retaining Screw
50 in.lbs. -
Engine Torque: New Rod Nuts
260 in.lbs. -
Engine Torque: Used Rod Nuts
200 in.lbs. -
Engine Torque: Cylinder Cap Screws
25/30 ft.lbs. -
Engine Torque: Flywheel Fan
115 in.lbs. -
Engine Torque: Flywheel
40/45 ft.lbs. -
Engine Torque: Fuel Tank Isolation Mount
Hand Tight -
Engine Torque: Governor Bushing
100/120 in.lbs. -
Engine Torque: Spark Plug Torque
18/22 ft.lbs. -
Engine Torque: Ignition Module Mounting Screws
32 in.lbs. -
Engine Torque: Oil Sentry Switch
90 in.lbs. -
Engine Torque: RemoteThrottle Control Nut
10/15 in.lbs -
Engine Torque: Engine mtd. Throttle Control Nut
10/25 in.lbs. -
Engine Torque: Shortened Throttle Control Nut
70 in.lbs. -
Chassis: Tire Pressure
12 PSI / .5kg sq. cm -
Drive System: Ground Speed
Fwd. .5 - 5.5 Rev. .7 & 2.6 mph -
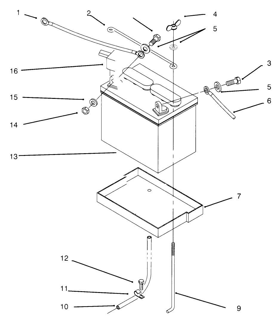
Engine: Battery
12V 160CCA -
Engine: Engine Speed
High 3325, Low 1200 RPM -
Engine: Spark Plug
Champion RH10 -
Engine: Spark Plug Gap
.025"/ .64mm
































