Groundsmaster 120
Product Information
- Model #: 30612
- Serial #: 890001 - 899999
- Product Type: Riding Products
Loading...
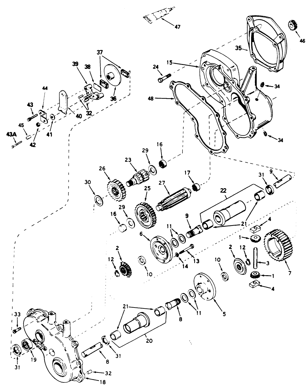
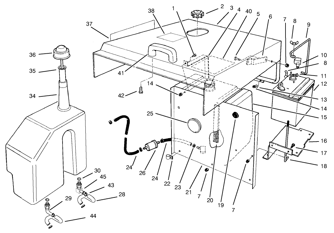
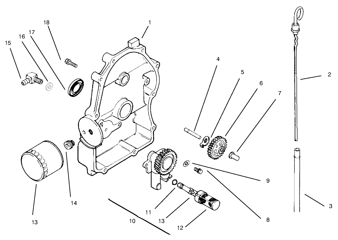
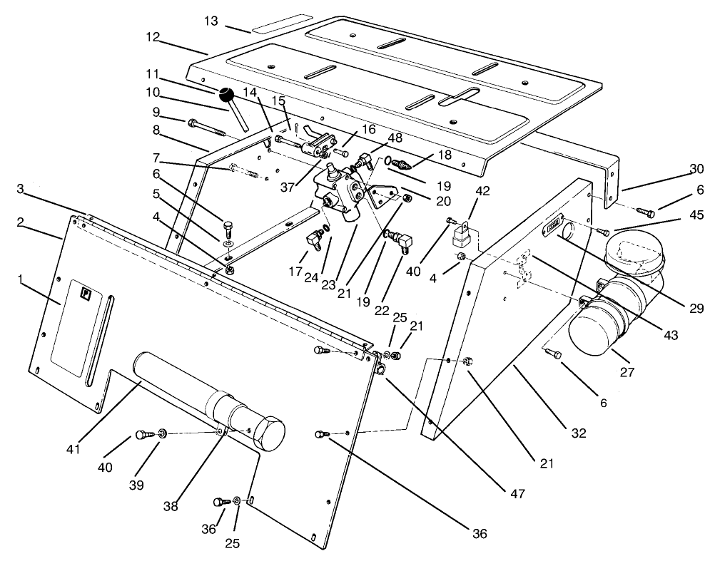
Assembly Drawings
Search for a part within assembly drawings:
-
Service Manual
-
Operator's Manual
-
Parts Catalog
-
Model #
30612 -
Serial #
890001 - 899999 -
Product Name
Groundsmaster 120 -
Product Brand
Toro -
Product Type
Riding Products -
Product Series
Groundsmaster 100 Series -
Swath
Deck Optional -
Discharge
Deck Optional -
Engine/Motor Manufacturer
Kohler -
Engine/Motor Size
20 hp -
Engine/Motor Type
4 Cycle CARB1, EPA1 -
Engine Starter
Electric -
Transmission Type
Hydrostatic
-
Drive System: Gearbox Lubricant
SAE 10w-30 -
Drive System: Ground Speed
Infinitely Variable -
Engine: Engine Speed
3200±100 RPM -
Engine: Ignition Coil Air Gap
015-.020"/ .38-.5mm -
Engine: Spark Plug
Champion RC12 -
Engine: Spark Plug Gap
.040"/ 1.02mm -
Chassis: Tire Pressure
10-15 psi





























