16-44HXL Lawn Tractor
Product Information
- Model #: 71218
- Serial #: 8900001 - 8999999
- Product Type: Riding Products
Loading...
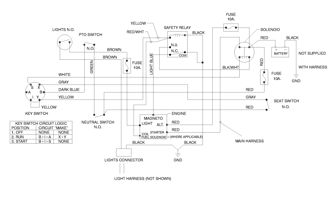
Assembly Drawings
Search for a part within assembly drawings:
-
Service Manual
-
Operator's Manual
-
Parts Catalog
Wheel Weight Kit (Part # 59159)
Genuine OEM Part
VAC Bagger (Part # 79104)
42" Snow Blade (Part # 79150)
Please contact your local dealer
36" Drop Spreader (Part # 79907)
Broadcast Spreader (Part # 79909)
10 Cubic Foot Dump Cart (Part # 79917)
Sweeper (Part # 79986)
Tire Chains (Part # 82522)
Genuine OEM Part
-
Model #
71218 -
Serial #
8900001 - 8999999 -
Product Name
16-44HXL Lawn Tractor -
Product Brand
Toro -
Product Type
Riding Products -
Product Series
Lawn Tractor, XL Series -
Chassis Type
Lawn Tractor -
Swath
44 inch -
Discharge
Side -
Engine/Motor Manufacturer
Briggs & Stratton -
Engine/Motor Size
16 hp -
Engine/Motor Type
4 Cycle CARB1, EPA1 -
Engine Starter
Electric -
Transmission Type
Hydrostatic
-
Chassis: Tire Pressure
12 PSI / .5kg sq. cm -
Drive System: Ground Speed
Fwd. 0 - 6.0 Rev. 0 - 2.5 mph -
Engine: Battery
12V 160CCA -
Engine: Engine Speed
High 3300, Low 1750 RPM -
Engine: Spark Plug
Champion RJ19LM -
Engine: Spark Plug Gap
.030"/ .76mm


























