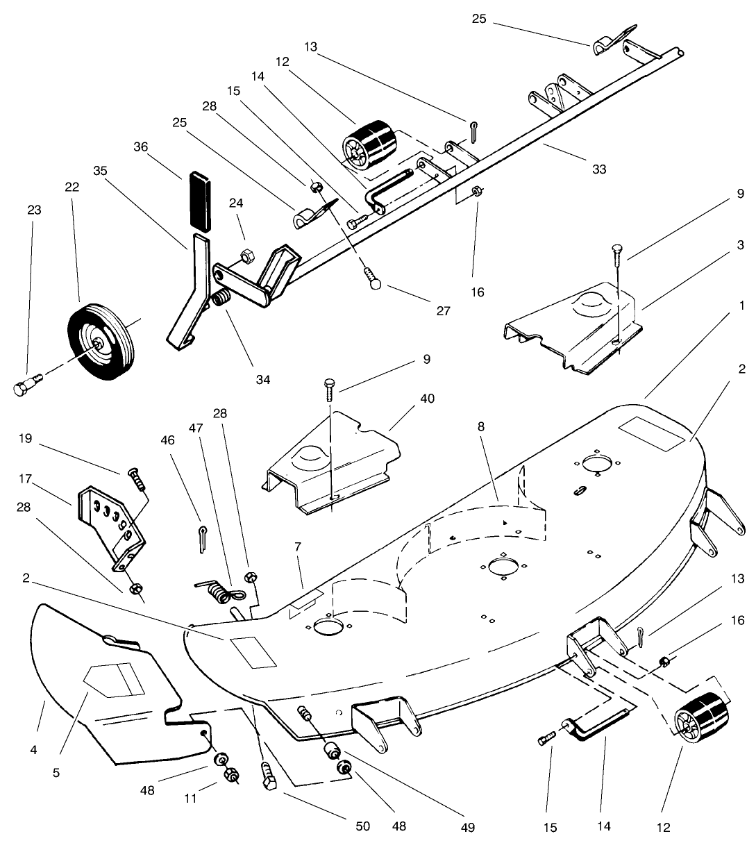
42" Side Discharge Mower
Product Information
- Model #: 78345
- Serial #: 8900001 - 8999999
- Product Type: Attachments
Loading...
Assembly Drawings
Search for a part within assembly drawings:
-
Operator's Manual
-
Parts Catalog
-
Model #
78345 -
Serial #
8900001 - 8999999 -
Product Name
42" Side Discharge Mower -
Product Brand
Toro -
Product Type
Attachments -
Product Series
Attachments & Kits, Consumer Riding -
Swath
42 inch -
Discharge
Side



