8-25 Rear Engine Rider
Product Information
- Model #: 70060
- Serial #: 89000001 - 89999999
- Product Type: Riding Products
Loading...
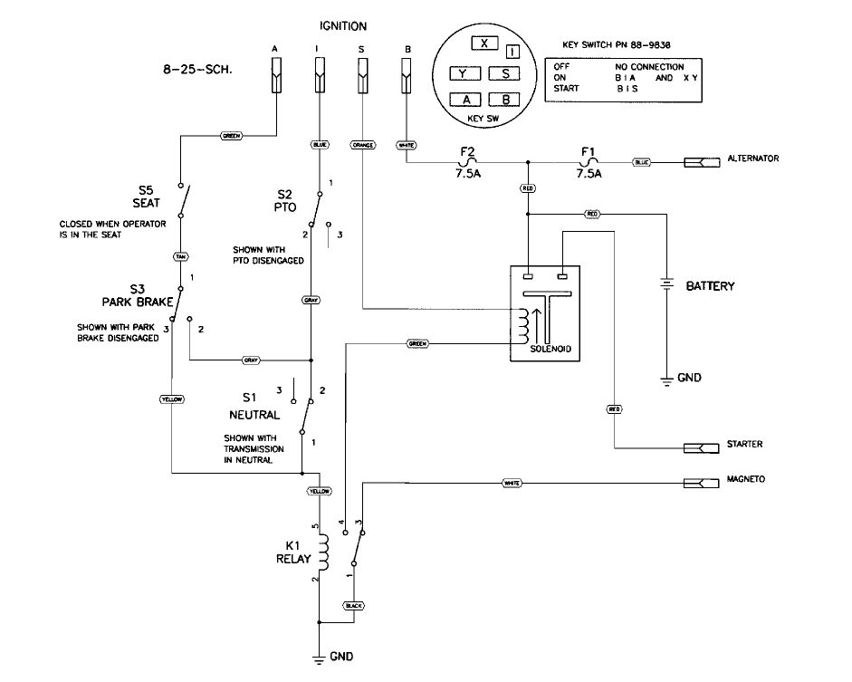
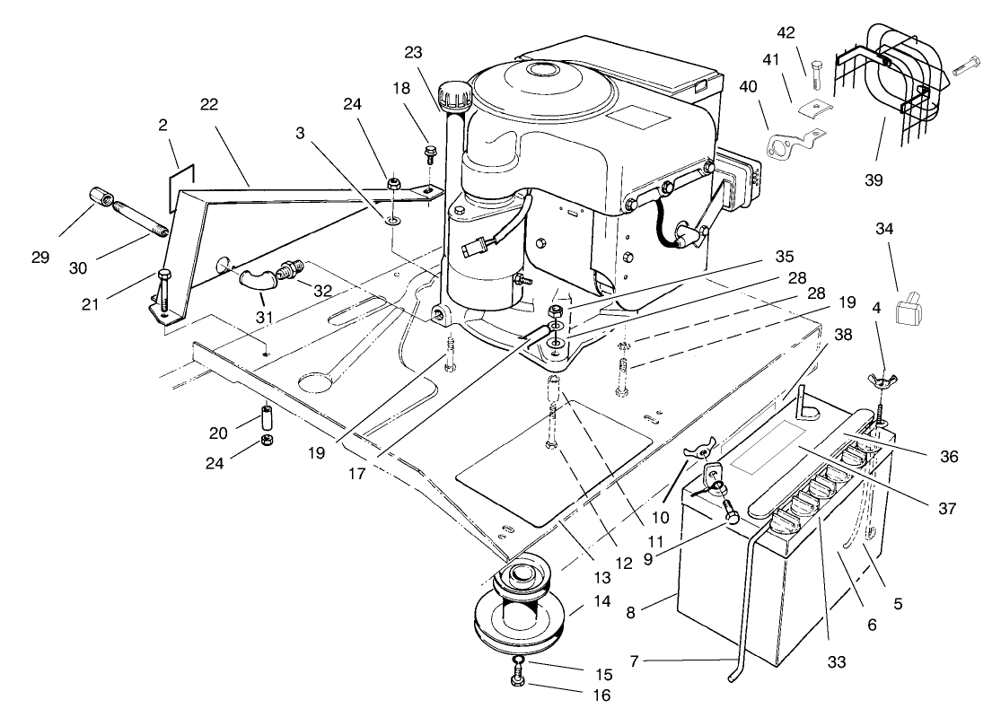
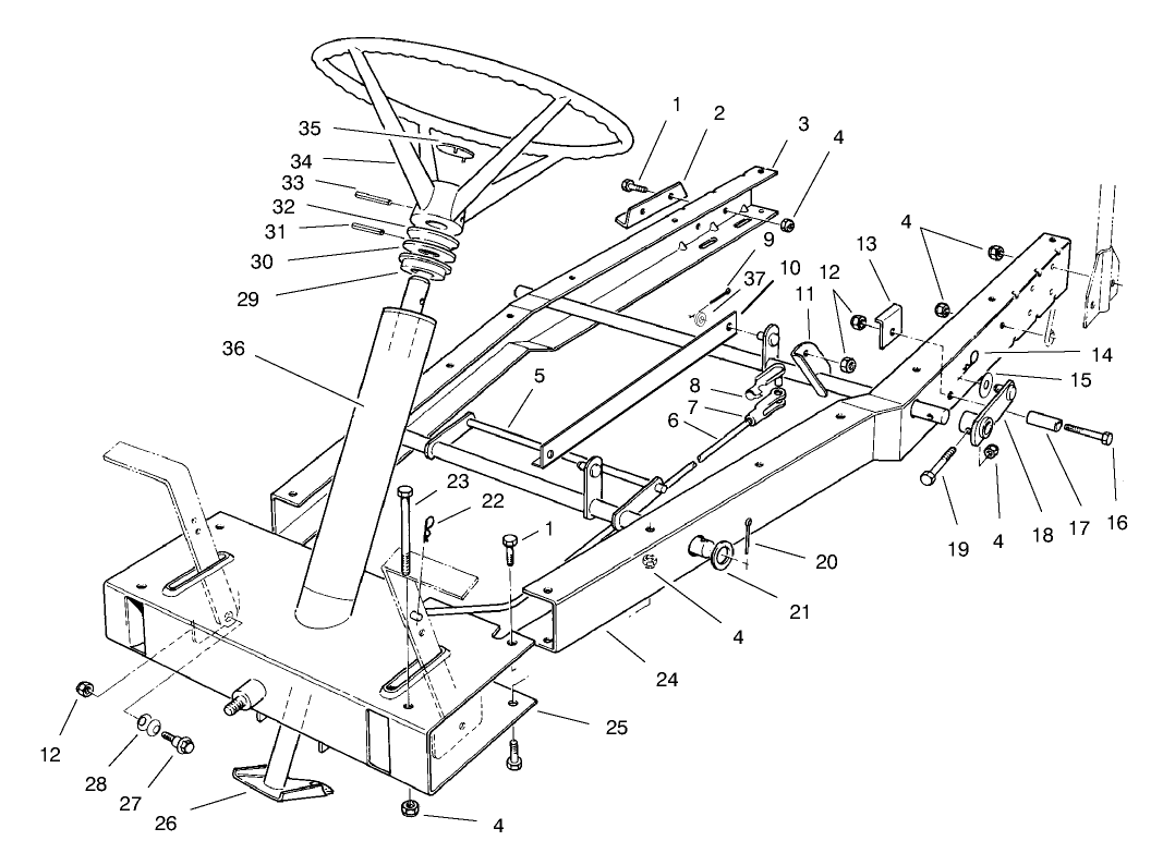
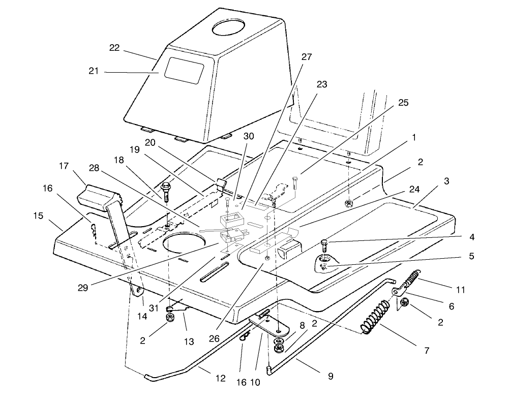
Assembly Drawings
Search for a part within assembly drawings:
-
Service Manual
-
Operator's Manual
-
Parts Catalog
4.5 cu. ft. Twin Bagger (Part # 79080)
3.5 cu. ft. Easy-Empty Grass Catcher (Part # 79090)
36" Drop Spreader (Part # 79907)
Broadcast Spreader (Part # 79909)
Sweeper (Part # 79986)
-
Model #
70060 -
Serial #
89000001 - 89999999 -
Product Name
8-25 Rear Engine Rider -
Product Brand
Toro -
Product Type
Riding Products -
Product Series
Rear Engine Rider, 25" -
Chassis Type
Rear Engine Rider -
Swath
25 inch -
Discharge
Side -
Engine/Motor Manufacturer
Briggs & Stratton -
Engine/Motor Size
8 hp -
Engine/Motor Type
4 Cycle CARB1, EPA1 -
Engine Starter
Electric -
Transmission Type
Gear
-
Chassis: Tire Pressure
12 PSI / .5kg sq. cm -
Drive System: Ground Speed
Fwd. 1.4 - 4.8 Rev. 1.6 mph -
Engine: Battery
12V 160CCA -
Engine: Engine Speed
High 3300, Low 1750 RPM -
Engine: Spark Plug
Champion RJ19LM -
Engine: Spark Plug Gap
.030"/ .76mm




















