Mid-Size Proline Gear Traction Unit, 14 hp
Product Information
- Model #: 30176
- Serial #: 590001 - 599999
- Product Type: Walk Behind Mowers
Loading...
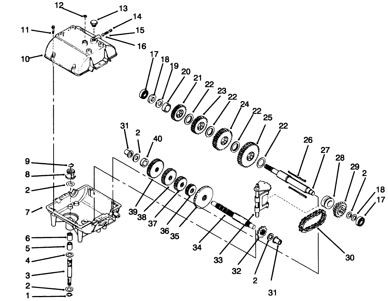
Assembly Drawings
Search for a part within assembly drawings:
-
Operator's Manual
-
Parts Catalog
15.5 Inch Atomic Blade (Part # 104-1300)
Toro OEM Atomic blade. The Toro Atomic blade is commonly referenced as a “Gator Style” or “Gator Blade”. Provides the best quality of cut while mulching. This Toro blade has multiple applications. Be sure to verify model and serial number to ensure the correct part.
18 Inch Atomic Blade (Part # 104-1301)
Toro OEM Atomic blade. The Toro Atomic blade is commonly referenced as a “Gator Style” or “Gator Blade”. Provides the best quality of cut while mulching. This Toro blade has multiple applications. Be sure to verify model and serial number to ensure the correct part.
21.5 Inch Atomic Blade (Part # 104-1303)
Toro OEM Atomic blade. The Toro Atomic blade is commonly referenced as a “Gator Style” or “Gator Blade”. Provides the best quality of cut while mulching. This Toro blade has multiple applications. Be sure to verify model and serial number to ensure the correct part.
44/52 inch Striping Kit (Part # 30121)
Genuine OEM Part
Standard Sulky (Part # 30122)
Deluxe Sulky (Part # 30123)
Bag Kit (Part # 30127)
Discontinued (Part # 30128)
Genuine OEM Part
Bag Kit (Part # 30129)
Steel Basket Bag Kit (Part # 30130)
44/52" Steel Bagger (3.5 bu.) (Part # 30131)
37" Recycler Mower (Part # 30137)
44" Mower (Part # 30144)
48" Mower (Part # 30148)
52" Mower (Part # 30152)
62" Mower (Part # 30162)
18.00 Inch High Sail/Flow Blade (Part # 44-5480)
Toro 18.00 Inch OEM High Sail/Flow blade. This Sharp replacement blade provides a crisp, clean cut time after time. You can count on the reliability of this Toro replacement High Sail/Flow rotary mower blade. This Toro blade has multiple applications. Be sure to verify model and serial number to ensure the correct part.
15.5 Inch Hi-Flow Blade (Part # 55-4940-03)
Toro OEM Hi Flow blade. Hi-Flow are also known as basic blades, regular blades, or 2-in-1 blades, Hi-Flow mower blades are the go-to blades for mowers with a bagger. The blades are designed to cut the grass and Flow the clippings, propelling them up and out of the discharge chute. This Toro blade has multiple applications. Be sure to verify model and serial number to ensure the correct part.
18 Inch Mower Blade (Part # 56-2390-03)
Toro 18 Inch OEM Hi Flow blade. Hi-Flow are also known as basic blades, regular blades, or 2-in-1 blades, Hi-Flow mower blades are the go-to blades for mowers with a bagger. The blades are designed to cut the grass and Flow the clippings, propelling them up and out of the discharge chute. This Toro blade has multiple applications. Be sure to verify model and serial number to ensure the correct part.
Please contact your local dealer
15.5 Inch Recycler Blade (Part # 92-7952-03)
Toro OEM Recycler blade. Recycler straight edge, standard discharge blade. The blade is designed for a High quality cut and long-lasting durability. These blades are designed with “wings,” called “accelerators” that kind of act like a fan — forcing the tiny bits of grass back into the earth. This Toro blade has multiple applications. Be sure to verify model and serial number to ensure the correct part.
18 Inch Recycler Blade (Part # 92-7961-03)
Toro18 Inch OEM Recycler blade. Recycler straight edge, standard discharge blade. The blade is designed for a High quality cut and long-lasting durability. These blades are designed with “wings,” called “accelerators” that kind of act like a fan — forcing the tiny bits of grass back into the earth. This Toro blade has multiple applications. Be sure to verify model and serial number to ensure the correct part.
-
Model #
30176 -
Serial #
590001 - 599999 -
Product Name
Mid-Size Proline Gear Traction Unit, 14 hp -
Product Brand
Toro -
Product Type
Walk Behind Mowers -
Product Series
Mid-Size ProLine Mower -
Swath
Deck Optional -
Discharge
Deck Optional -
Engine/Motor Manufacturer
Kohler -
Engine/Motor Size
14 hp -
Engine/Motor Type
4 Cycle -
Engine Starter
Recoil -
Transmission Type
Gear
-
Engine: Horsepower
14 -
Engine: Peak Torque
21.3 ft.-lbs @ 2500rpm's -
Engine: Bore
3.43" (87mm) -
Engine: Stroke
2.64" (67mm) -
Engine: Displacement
24.3 cu. in. (398cc) -
Engine: Compression Ratio
8.5:1 -
Engine: Weight (approx.)
87 lbs (39.54 kg) -
Engine: Oil Capacity (approx.)
2.0 qt. (1.9 L ) -
Engine: Balance Shaft End Play (Free)
0.0023/0.0143" (0.0575/0.3625mm) -
Engine: Balance Shaft Running Clearance
0.0009/0.0025" (0.025/0.063mm) -
Engine: Bore I.D. (New )
0.7874/0.7884" (20.000/20.025mm) -
Engine: Bore I.D. ( Max. Wear Limit)
0.7889" (20.038mm) -
Engine: Balance Shaft Bearing Surface O.D. (New)
0.7859/0.7864" (19.962/19.975mm) -
Engine: Balance Shaft Bearing Surface O.D. (Max. Wear )
0.7858" (19.959mm) -
Engine: Camshaft End Play ( with shims)
0.003/0.005" (0.076/0.127mm) -
Engine: Camshaft Running Clearance
0.0010/0.0025" (0.025/0.063mm) -
Engine: Camshaft Bore I.D. (New)
0.7874/0.7884" (20.000/20.025mm) -
Engine: Camshaft Bore I.D. (Max. Wear Limit)
0.7889" (20.038mm) -
Engine: Camshaft Bearing Surfasc O.D. (new)
0.7859/0.7864"(19.962/19.975mm) -
Engine: Camshaft Bearing Surfasc O.D. (Max Wear Limit)
0.7858" (19.959mm) -
Engine: Carburetor Preliminary Low Idle Fuel Needle Setting
1 Turn. -
Engine: Connecting Rod to Crankpin Running (new)
0.0012/0.0022" (0.030/0.055mm) -
Engine: Connecting Rod to Crankpin Running (Max.Wear )
0.0025" (0.07mm) -
Engine: Connecting Rod To Crankpin Side Clearance
0.007/0.016" (0.18/0.41mm) -
Engine: Connecting Rod To Piston pin Running Clearance
0.0006/0.0011" (0.015/0.028mm) -
Engine: Piston Pin End I.D. (new)
0.7486/0.7489" (19.015/19.023mm) -
Engine: Piston Pin End I.D. (Max.Wear Limit)
0.7495" (19.036mm) -
Engine: Crankcase Governor Cross Bore I.D. (New)
0.2372/0.2382" (6.025/6.050mm) -
Engine: Crankcase Governor Cross Bore I.D. (Max. Wear )
0.2387" (6.063mm) -
Engine: Crankshaft End Play (Free)
0.0023/0.0194" (0.0575/0.4925mm) -
Engine: Crankshaft Sleeve Bearing I.D. (New)
1.7703/1.7718" (44.965/45.003mm) -
Engine: Crankshaft Sleeve Bearing I.D. (Max. Wear Limit)
1.7723" (45.016mm) -
Engine: Crankshaft to Sleeve Bearing Running Clearance
New 0.0012/0.0035" (0.03/0.09mm) -
Engine: Crankshaft Bore To Crankshaft (In Oil Pan)
0.0012/0.0035" (0.03/0.09mm) -
Engine: Crankshaft Flywheel End Main Bearing Journal O.D. (new)
1.7682/1.7691" (44.913/44.935mm) -
Engine: Crankshaft Flywheel End Main Bearing Journal O.D. (Max. Wear)
1.765" (44.84mm) -
Engine: Crankshaft Flywheel End Main Bearing Journal Max. Taper
0.0009" (0.022mm) -
Engine: Crankshaft Flywheel End Main Bearing Journal Max.Out of Round
0.0010" (0.025mm) -
Engine: Crankshaft Oil Pan End Main Bearing Journal O.D. (new)
1.6502/1.6510" (41.915/41.935mm) -
Engine: Crankshaft Oil Pan End Main Bearing Journal O.D. (Max.Wear Limit )
1.648" (41.86mm) -
Engine: Crankshaft Oil Pan End Main Bearing Journal Max. Taper
0.0008" (0.020mm) -
Engine: Crankshaft Oil Pan End Main Bearing Journal Max. Out of Round
0.0010" (0.025mm) -
Engine: Crankshaft Connecting Rod Journal O.D. (new)
1.5338/1.5343" (38.958/30.970mm) -
Engine: Crankshaft Connecting Rod Journal O.D. (Max. Wear Limit)
1.5328" (38.94mm) -
Engine: Crankshaft Connecting Rod Journal Max. Taper
0.0005" (0.012mm) -
Engine: Crankshaft Connecting Rod Journal Max. Out of Round
0.0010" (0.025mm) -
Engine: Crankshaft T.I.R. PTO End Crank in Engine
0.0059" (0.15mm) -
Engine: Crankshaft T.I.R. Entire Crank,in V-Block
0.0039" (0.10mm) -
Engine: Cylinder Bore I.D. (new)
3.4262/3.4252" (87.000/87.025mm) -
Engine: Cylinder Bore I.D. (Max. Wear Limit )
3.4277" (87.063mm) -
Engine: Cylinder Bore I.D. Max. Out of Round
0.0047" (0.12mm) -
Engine: Cylinder Bore I.D. Max. Taper
0.0020" (0.05mm) -
Engine: Head, Out of Flatness
0.003" (0.076mm) -
Engine: Electric Starter, Drive Pinion to Flywheel Ring Gear Backlash
0.001/0.061" (0.025/1.56mm) -
Engine: Governor Cross Shaft To Crankcase Running Clearance
0.0010/0.0030" (0.025/0.075mm) -
Engine: Governor Gear Shaft to Governor Gear Running Clearance
0.0006/0.0055" (0.015/0.140mm) -
Engine: Governor Cross Shaft O.D. (new)
0.2352/0.2362" (5.975/6.000mm) -
Engine: Governor Cross Shaft O.D. (Max. Wear Limit)
0.2347" (5.962mm) -
Engine: Spark Plug Type
Champion RC12YC -
Engine: Ignition Module Air Gap
0.008/0.012" (0.203/0.305mm) -
Engine: Piston to Piston pin (Selective Fit )
0.0002/0.0007" (0.006/0.017mm) -
Engine: Piston Pin Bore I.D. (new)
0.7483/0.7485" (19.006/19.012mm) -
Engine: Piston Pin Bore I.D. (Max. Wear Limit)
0.7490" (19.025mm) -
Engine: Piston Pin O.D. (new)
0.7478/0.7480" (18.995/19.000mm) -
Engine: Piston Pin O.D. (Max. Wear Limit)
0.74779" (18.994mm) -
Engine: Top Compression Ring to Grove Side Clearance
0.0016/0.0041" (0.040/0.105mm) -
Engine: Middle Compression Ring to Grove Side Clearance
0.0016/0.0028" (0.040/0.072mm) -
Engine: Oil Control Ring to Grove Side Cearance
0.0217/0.0266" (0.551/0.675mm) -
Engine: Top & Center Compression Ring End Gap
0.012/0.020" (0.3/0.51mm) -
Engine: Piston Thrust Face O.D. (@D1) (new)
3.4229/3.4236" (86.941/86.959mm) -
Engine: Piston Thrust Face O.D. (@D1) (Max. Wear Limit)
3.4179" (86.814mm) -
Engine: Piston Thrust Face O.D. (@D1) to Cylinder Bore Running Clearance (new)
0.0016/0.0017" (0.041/0.044mm) -
Engine: Rocker Arm I.D. (new)
0.63/0.64" ( 15.837/16.127mm) -
Engine: Rocker Arm I.D. (Max. Wear Limit)
0.64" (16.13mm) -
Engine: Rocker Shaft O.D. (new)
0.63" (15.90/16.127mm) -
Engine: Rocker Shaft O.D. (Max. Wear Limit)
0.619" (15.727mm) -
Engine: Hydraulic Valve Lifter to Crankcase Running Clearance
0.0005/0.0020" (0.0124/0.0020mm) -
Engine: Intake Valve Stem to Valve Guide Running Clearance
0.0015/0.0030" (0.038/0.076mm) -
Engine: Exhaust Valve Stem to Valve Guide Running Clearance
0.0020/0.0035" (0.050/0.088mm) -
Engine: Intake Valve Guide I.D. (new)
0.2771/0.2779" (7.038/7.058mm) -
Engine: Intake Valve Guide I.D. (Max. Wear Limit)
0.2809" (7.134mm) -
Engine: Exhaust Valve Guide I.D. (new)
0.2771/0.2779" (7.038/7.058mm) -
Engine: Exhaust Valve Guide I.D. (Max. Wear Limit)
0.2819" (7.159mm) -
Engine: Valve Guide Reamer Size (STD)
0.2775" (7.048mm) -
Engine: Valve Guide Reamer Size (0.25mm O.S.)
0.2873" (7.298mm) -
Engine: Intake Valve Minimum Lift
0.353" (8.96mm) -
Engine: Exhuast Valve Minimum Lift
0.360" (9.14mm) -
Engine: Nominal Valve Seat Angle
45 Degrees -
Engine Torque: Fuel Bowl Nut
45/55 in.lbs. (5.1/6.2 N-m) -
Engine Torque: Stator Mounting Screws
35 in.lbs. (4.0 N-m ) -
Engine Torque: Connecting Rod Cap Fastener (Straight Shank Bolt )
200 in. lbs. (22.6 N-m ) -
Engine Torque: Connecting Rod Cap Fastener (Step Down Type Bolt )
130 in. lbs. (14.7 N-m ) -
Engine Torque: Air Cleaner Base Nut
88 in. lbs. (9.9 N-m) -
Engine Torque: Cylinder Head Fastener
30 ft. lbs (40.7 N-m) -
Engine Torque: Rocker Pedestal Fastener
88 in. lbs. (9.9 N-m) -
Engine Torque: Drive Pinion Fastener
135 in. lbs. (15.3 N-m ) -
Engine Torque: Fan Fastener
88 in. lbs. (9.9 N-m) -
Engine Torque: Flywheel Retaining Screw
49 ft. lbs. (66.4 N-m) -
Engine Torque: Fuel Pump / Cover Fastener Screw
65/80 in. lbs. (7.3/9.0 N-m) -
Engine Torque: Spark Plug Torque
28/32 ft. lbs. (38.0/43.4 N-m) -
Engine Torque: Ignition Module Fastener
35/55 in. lbs. (4.0/6.2 N-m) -
Engine Torque: Muffler Retaining Nuts
216 in.lbs. (24.4 N-m) -
Engine Torque: Oil Fliter
50/80 in. lbs. (5.7/9.0 N-m) -
Engine Torque: Oil Fliter Drain Plug
65/80 in. lbs. (7.3/9.0 N-m) -
Engine Torque: Oil Pan Fastener
216 in.lbs. (24.4 N-m) -
Engine Torque: Oil Sentry Pressure Switch
70 in. lbs. (7.9 N-m) -
Engine Torque: Oil Pump Cover Fastener
35/55 in. lbs. (4.0/6.2 N-m) -
Engine Torque: Retractable Starter Center Screw
65/95 in.lbs. (7.4/8.5 N-m) -
Engine Torque: Governor Control Lever Fastener
88 in. lbs. ( 9.9 N-m) -
Engine Torque: Speed Control Bracket Assembly Fastener
65/95 in. lbs. (7.3/10.7 N-m) -
Engine Torque: Valve Cover Fastener
65/95 in. lbs. (7.3/10.7 N-m) -
Engine: Engine Speed
3600±100 RPM -
Engine: Spark Plug
Champion RC12YC -
Drive System: Gearbox Lubricant
Peerless Bentonite Grease -
Engine: Spark Plug Gap
.040"/ 1.02mm -
Engine: Ignition Coil Air Gap
.0078-.0118" / .2-.3mm -
Chassis: Tire Pressure
15 psi -
Drive System: Ground Speed
Fwd. 2.2 / 3.5 / 4.5 / 5.2 Rev. 2.2 mph -
Engine: Engine Oil Type
64 oz. (1.9 Liter) SAE 30















