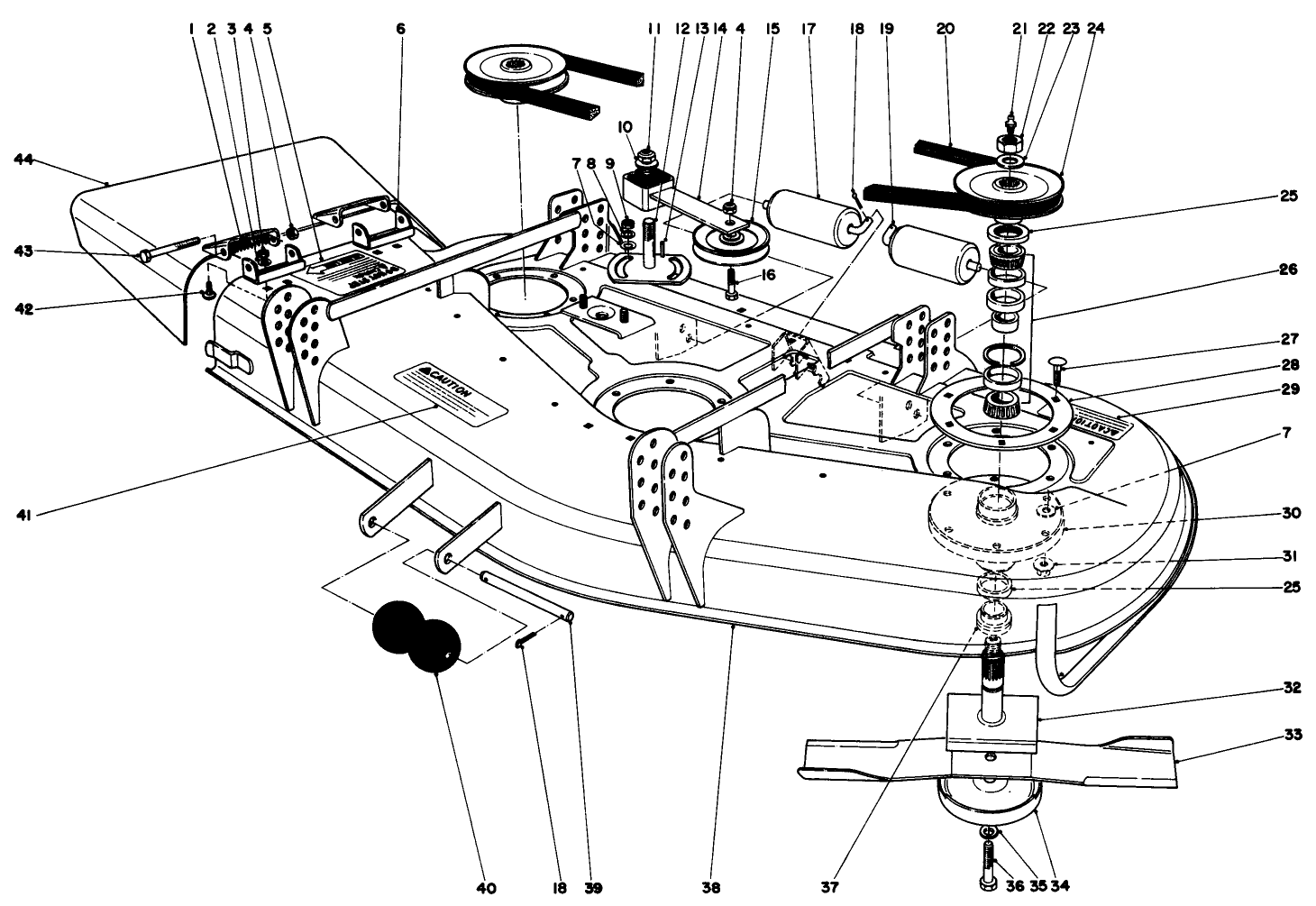
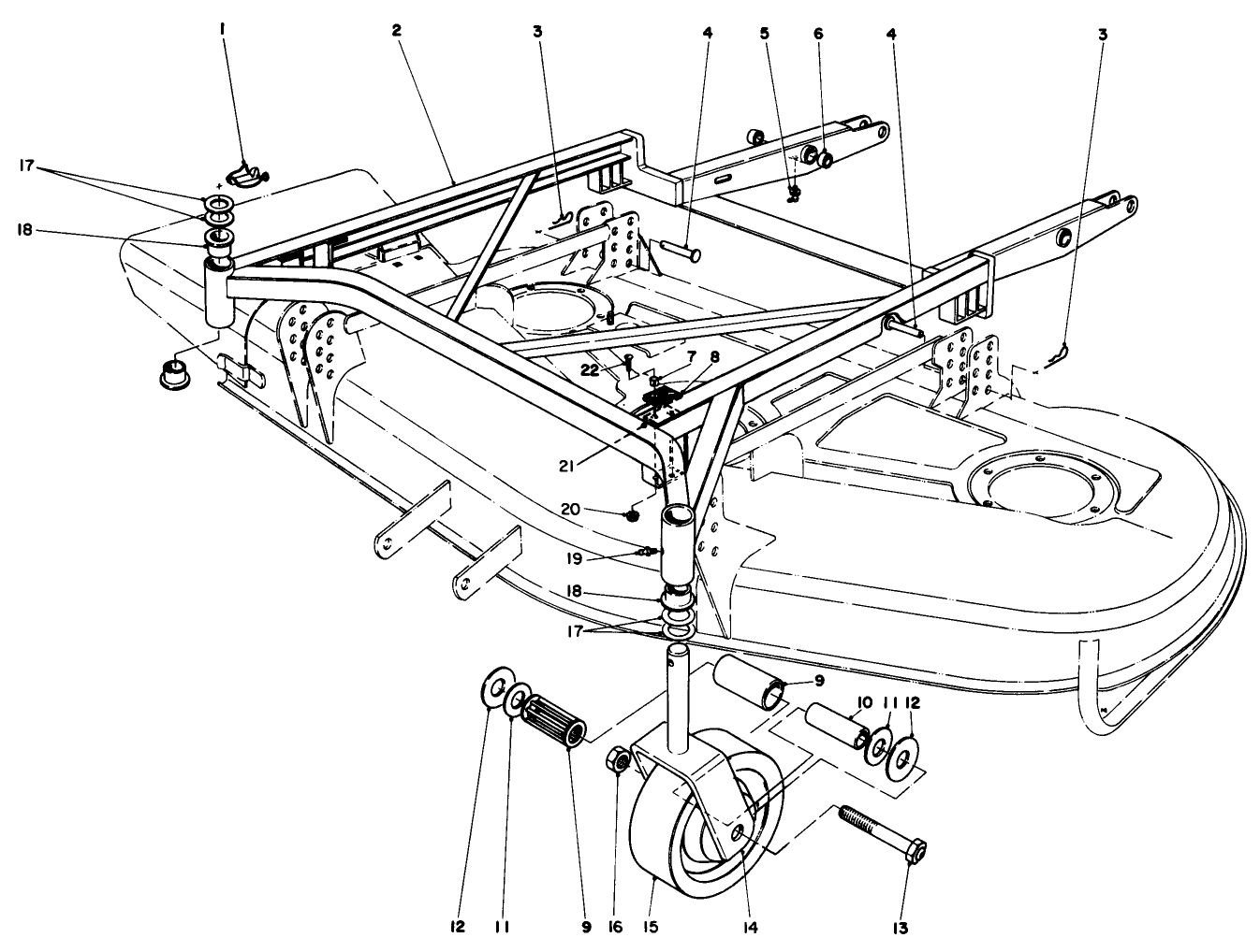
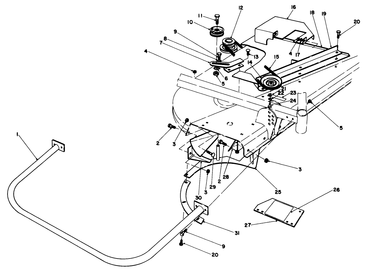
52" Side Discharge Mower, Groundsmaster 200 Series
Product Information
- Model #: 30555
- Serial #: 4000001 - 4999999
- Product Type: Attachments
Loading...
Assembly Drawings
Search for a part within assembly drawings:
-
Operator's Manual
-
Parts Catalog
-
Service Bulletin
-
Model #
30555 -
Serial #
4000001 - 4999999 -
Product Name
52" Side Discharge Mower, Groundsmaster 200 Series -
Product Brand
Toro -
Product Type
Attachments -
Product Series
Attachments & Kits, Groundsmaster -
Swath
52 inch -
Discharge
Side








