52" Side Discharge Mower, Groundsmaster 200 Series
Product Information
- Model #: 30555
- Serial #: 3900001 - 3999999
- Product Type: Attachments
Loading...
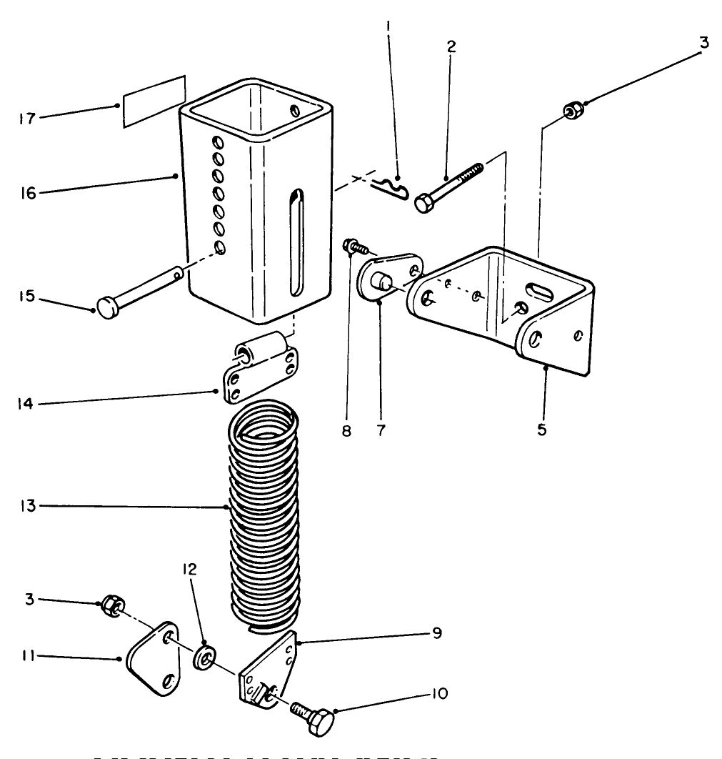
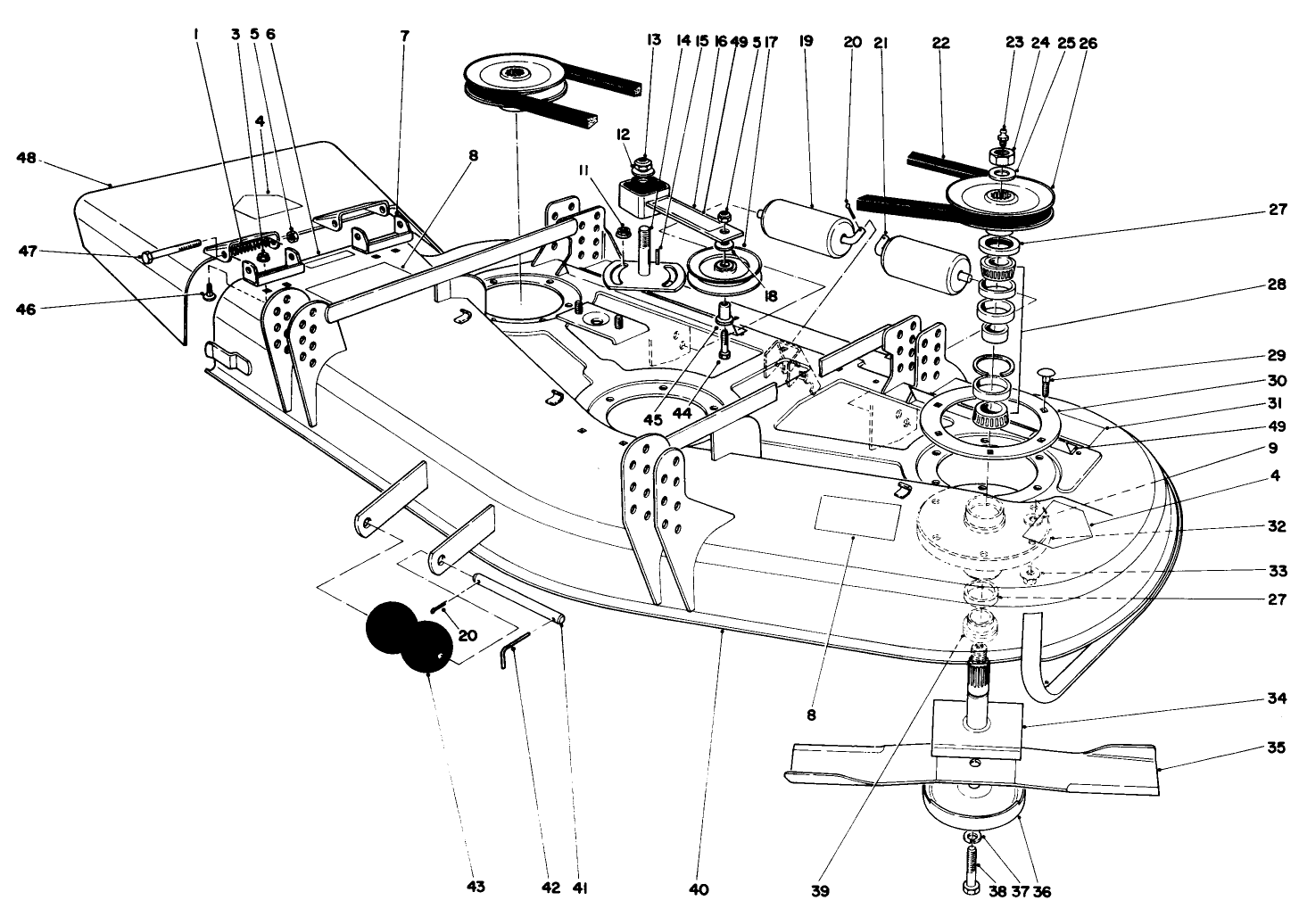
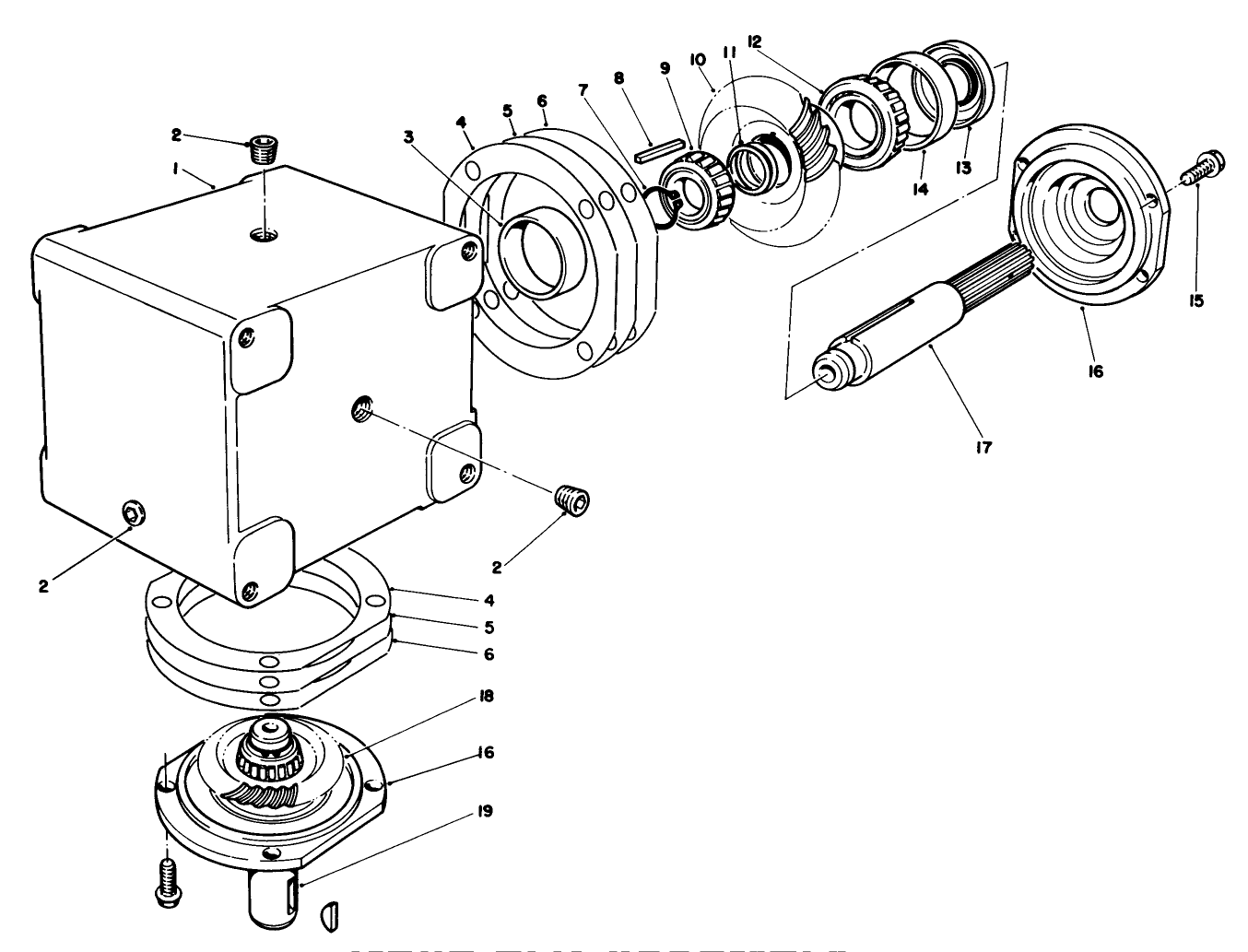
Assembly Drawings
Search for a part within assembly drawings:
-
Operator's Manual
-
Parts Catalog
-
Service Bulletin
-
Model #
30555 -
Serial #
3900001 - 3999999 -
Product Name
52" Side Discharge Mower, Groundsmaster 200 Series -
Product Brand
Toro -
Product Type
Attachments -
Product Series
Attachments & Kits, Groundsmaster -
Swath
52 inch -
Discharge
Side




