Z16-44 TimeCutter Z Riding Mower
Product Information
- Model #: 74501
- Serial #: 210000001 - 210999999
- Product Type: Riding Products
Loading...
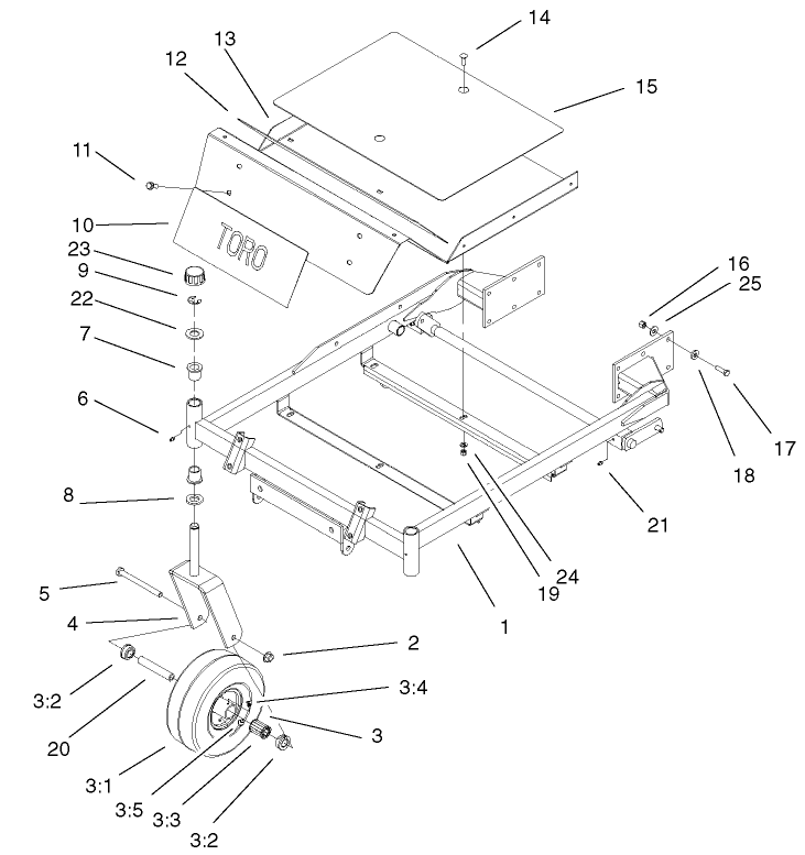
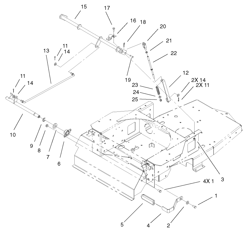
Assembly Drawings
Search for a part within assembly drawings:
-
Service Manual
-
Operator's Manual
-
Parts Catalog
-
Setup Instructions
18x8-10 Tire Chain Kit (Part # 105-1855)
Genuine OEM Part
Smooth Caster Wheel Kit (Part # 105-1856)
Genuine OEM Part
Please contact your local dealer
Toro Red 12or aerosol can. (Part # 361-10)
Genuine OEM Part
Red Paint (Gallon) (Part # 361-11)
Genuine OEM Part
Red Paint (Part # 5340)
Genuine OEM Part
44" Vac Bagger (Part # 79160)
56" Snow blade (Part # 79165)
Please contact your local dealer
-
Model #
74501 -
Serial #
210000001 - 210999999 -
Product Name
Z16-44 TimeCutter Z Riding Mower -
Product Brand
Toro -
Product Type
Riding Products -
Product Series
Zero Radius Turn, Consumer -
Chassis Type
ZRT - Consumer -
Swath
44 inch -
Discharge
Side -
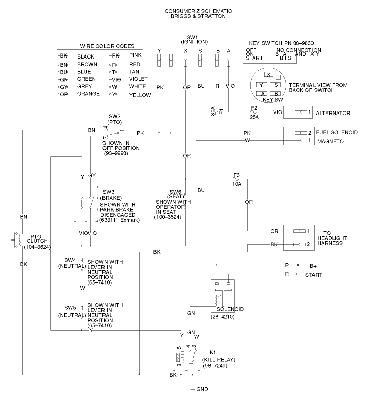
Engine/Motor Manufacturer
Briggs & Stratton -
Engine/Motor Size
16.5 hp -
Engine/Motor Type
4 Cycle CARB1, EPA1 -
Engine Starter
Electric -
Transmission Type
Hydrostatic
-
Chassis: Tire Pressure
Front 35 PSI / 2.5kg sq. cm, Rear 13 PSI / .9kg sq. cm -
Drive System: Ground Speed
Fwd. 0 - 6.5 Rev. 0 - 3.4 mph -
Engine: Battery
12V 260CCA -
Engine: Engine Speed
High 3400, Low 1400 RPM -
Engine: Spark Plug
Champion RC12YC -
Engine: Spark Plug Gap
.030"/ .76mm



























