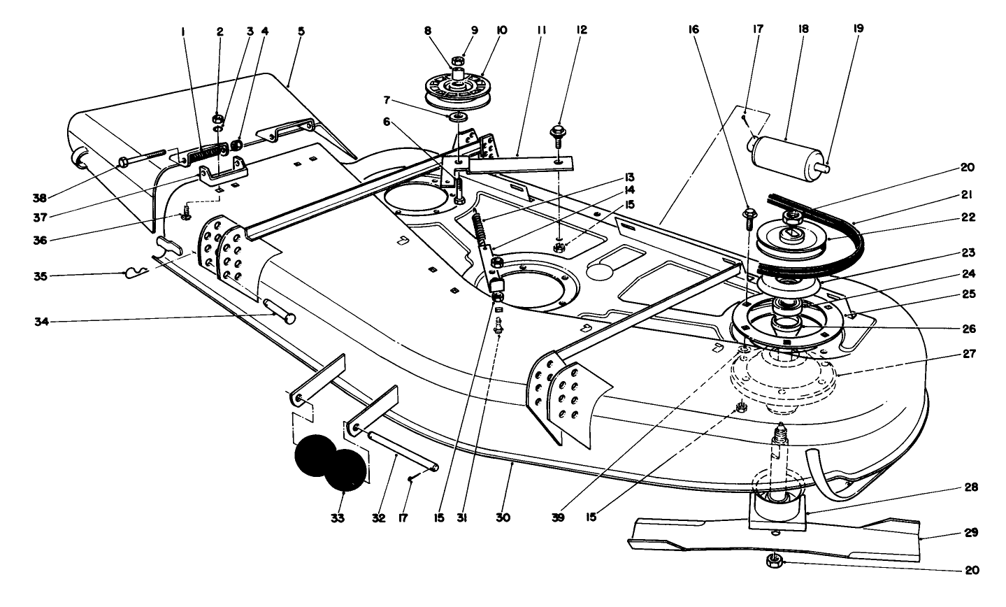
52" Side Discharge Mower, Groundsmaster 100 Series
Product Information
- Model #: 30753
- Serial #: 70001 - 79999
- Product Type: Attachments
Loading...
Assembly Drawings
Search for a part within assembly drawings:
-
Parts Catalog
-
Model #
30753 -
Serial #
70001 - 79999 -
Product Name
52" Side Discharge Mower, Groundsmaster 100 Series -
Product Brand
Toro -
Product Type
Attachments -
Product Series
Attachments & Kits, Groundsmaster -
Swath
52 inch -
Discharge
Side




