52" Side Discharge Mower, Groundsmaster 100 Series
Product Information
- Model #: 30753
- Serial #: 000001 - 099999
- Product Type: Attachments
Loading...
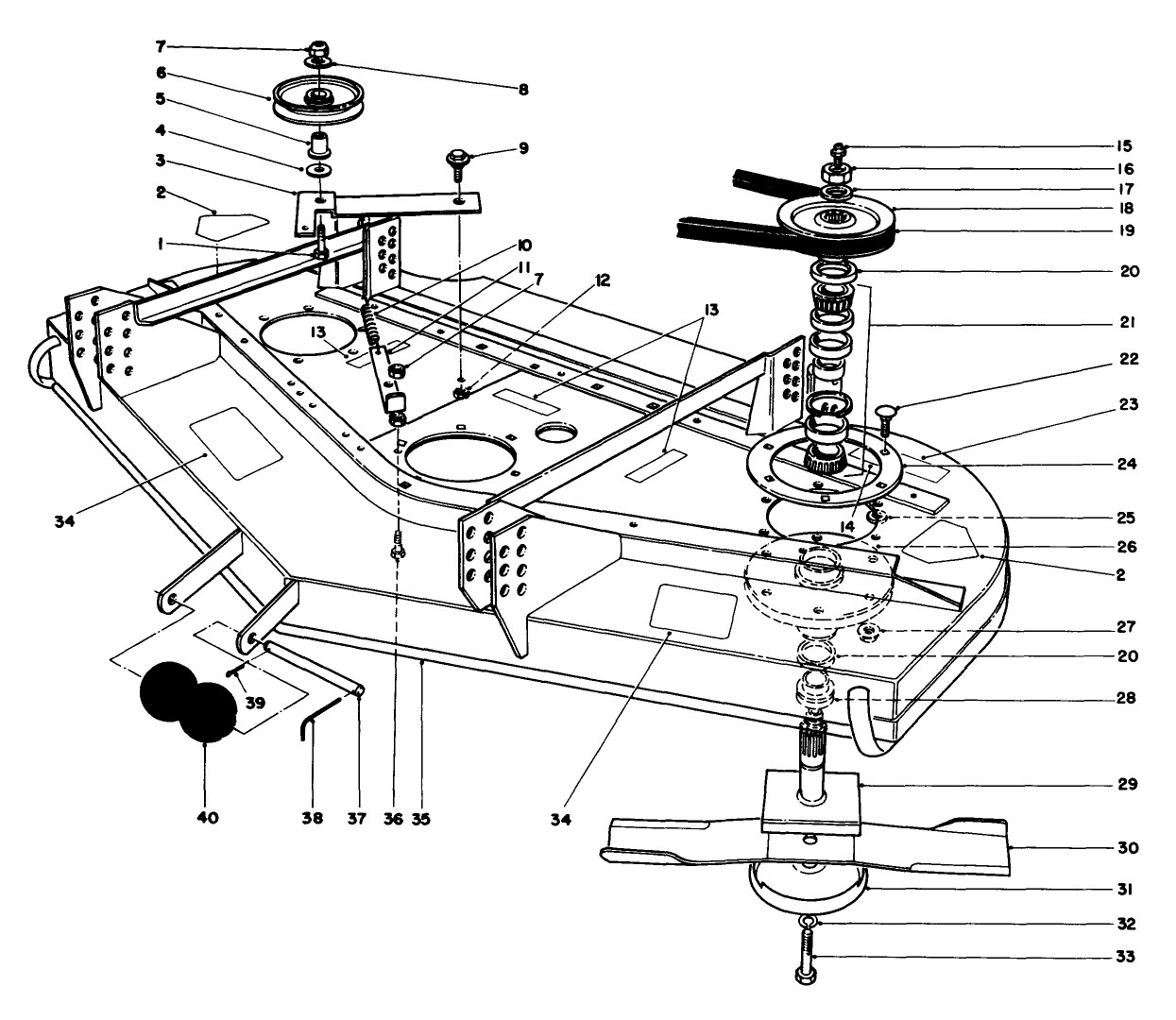
Assembly Drawings
Search for a part within assembly drawings:
-
Operator's Manual
-
Parts Catalog
-
Service Bulletin
-
Model #
30753 -
Serial #
000001 - 099999 -
Product Name
52" Side Discharge Mower, Groundsmaster 100 Series -
Product Brand
Toro -
Product Type
Attachments -
Product Series
Attachments & Kits, Groundsmaster -
Swath
52 inch -
Discharge
Side





