41cc Back Pack Blower
Product Information
- Model #: 30941
- Serial #: 1000001 - 1999999
- Product Type: Blowers/Vacuums
Loading...
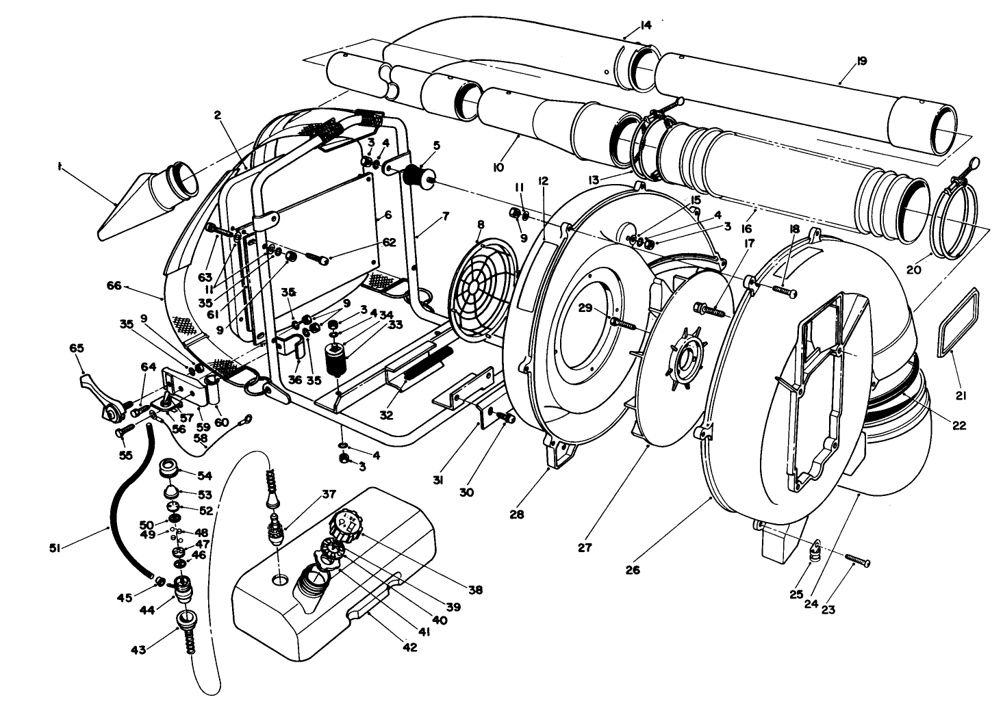
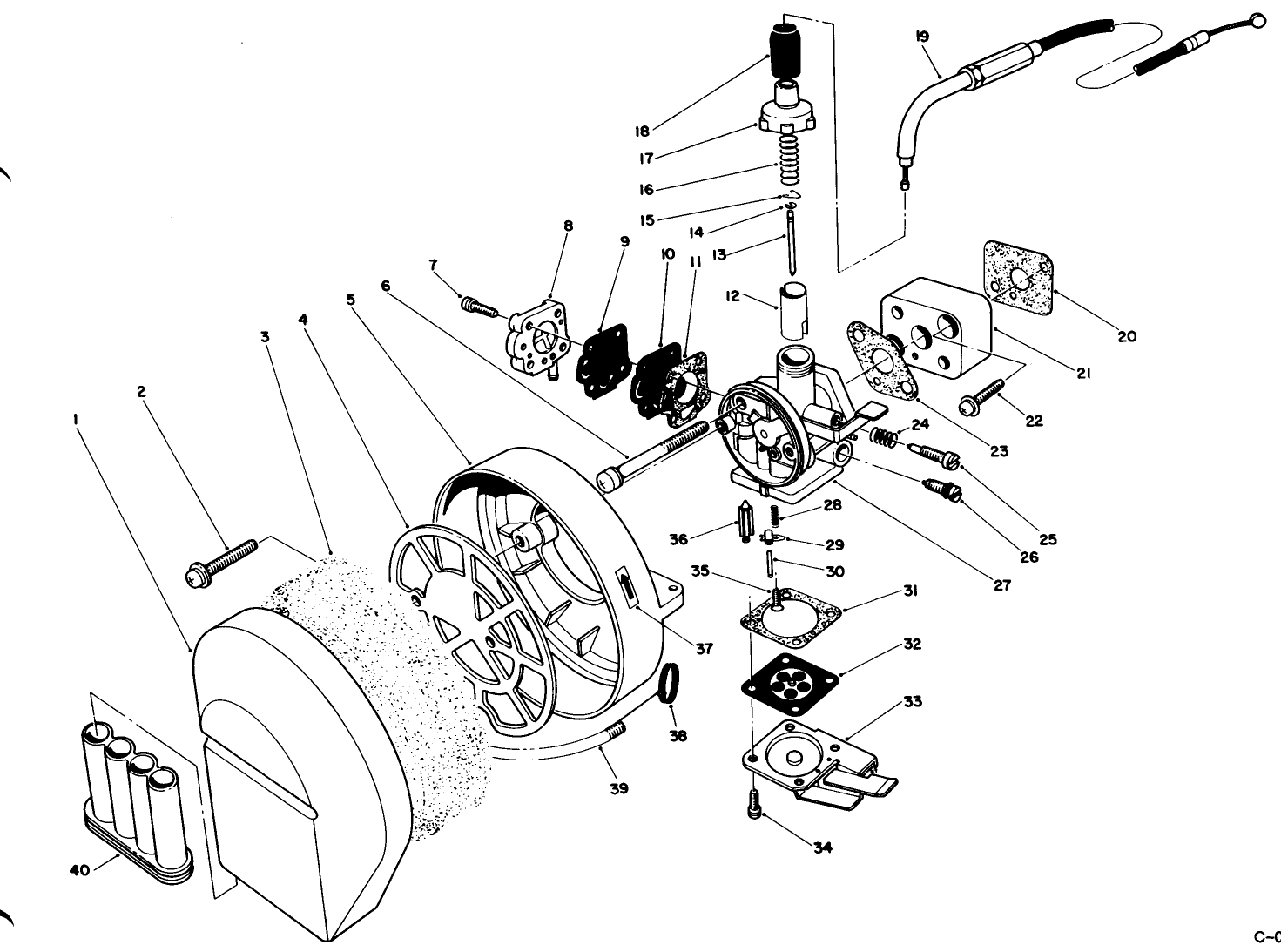
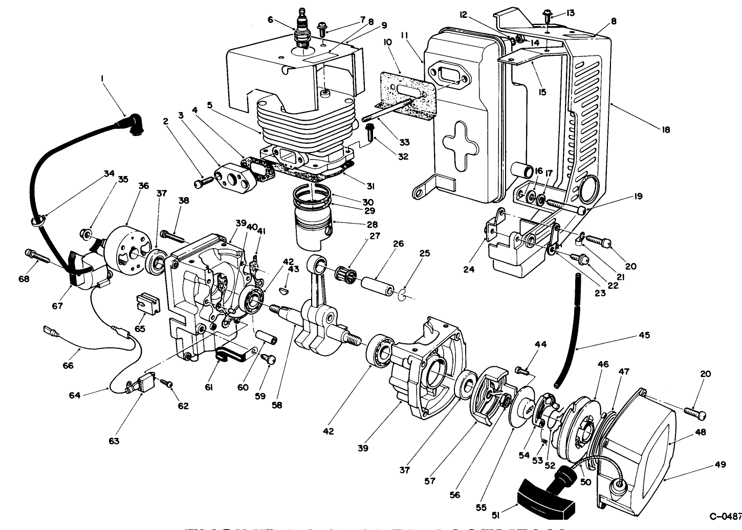
Assembly Drawings
Search for a part within assembly drawings:
-
Operator's Manual
-
Parts Catalog
-
Service Bulletin
-
Model #
30941 -
Serial #
1000001 - 1999999 -
Product Name
41cc Back Pack Blower -
Product Brand
Toro -
Product Type
Blowers/Vacuums -
Product Series
Blower, Gas Powered -
Engine/Motor Manufacturer
Mitsubishi -
Engine/Motor Size
41cc -
Engine/Motor Type
2 Cycle -
Engine Starter
Recoil
-
Engine: Spark Plug Gap
.024-.028" (.6-.7mm) -
Engine: Bore
1.54" (39 mm) -
Engine: Stroke
1.34" (34 mm) -
Engine: Displacement
2.48 cu in (40.6 cc) -
Engine: Engine Rotation
counterclockwise (as viewed from PTO end) -
Engine: Carburator
diaphragm type with primer and choke -
Engine: Clutch Type
none -
Engine: Crankshaft Bearing (Magneto)
ball -
Engine: Crankshaft Bearing (PTO)
ball -
Engine: Connecting Rod Bearing (Lower)
needle -
Engine: Cylinder Material
chrome plated -
Engine: Fuel
32:1 (40:1 is acceptable) unleaded gas to B.I.A./N.M.M.A. certified oil -
Engine: Fuel Tank Capacity
33.8 oz. (1.1 liter) -
Engine: Lubrication
oil mixed directly with gasoline -
Engine: Recommended Oil
B.I.A./N.M.M.A. certified TC-W oil -
Engine: Ignition System
transistorized -
Engine: Spark Plug
NGK BM-7A -
Engine: Starting System
recoil -
Engine: Full Throttle Speed
7800 +/- 300 rpm -
Engine: Low Throttle Speed
2500 +/- 200 rpm -
Engine: Air Cleaner
oiled foam -
Engine: Ignition Coil Air Gap
.012-.016" / .30-.40mm -
Engine: Crankshaft Runout
0 to .0020" (0 to .050 mm) Allowable Limit: .0025 " (.060 mm) -
Engine: Crankshaft Axial (End) Play
0 to .012" (0 to .30 mm) Allowable Limit: .020" (.50 mm) -
Engine: Cylinder Diameter
1.5354 to 1.5362" (39.00 to 39.02 mm) Allowable Limit: until plating wears away -
Engine: Piston Diameter
1.5335 to 1.5341" (38.950 to 38.965 mm) Allowable Limit: see piston to cylinder clearance -
Engine: Piston to Cylinder Clearance
.0014 to .0028" (.035 to .070 mm) Allowable Limit: .0039" (.100 mm) -
Engine: Piston Ring End Gap
.004 to .012" (.10 to .30 mm) Allowable Limit: .028" (.70 mm) -
Engine: Piston Ring Side Clearance
.001 to .003" (.03 to .07 mm) Allowable Limit: .006" (.15 mm) -
Engine: Piston Mark
intake side



