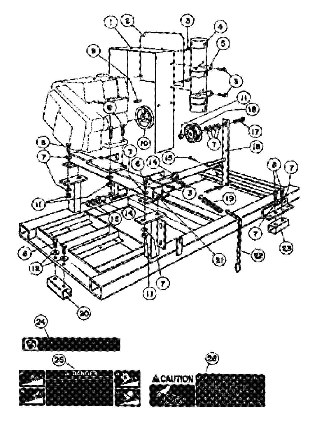
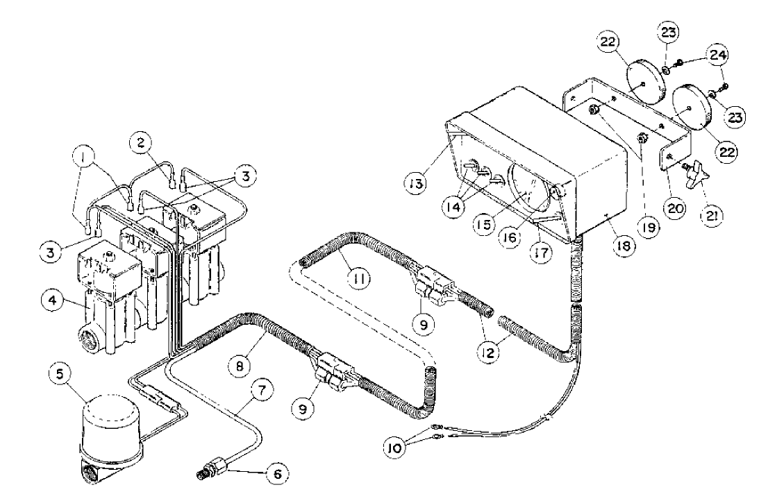
Skid Sprayer
Product Information
- Model #: 41411
- Serial #: 80001 - 89999
- Product Type: Attachments
Loading...
Assembly Drawings
Search for a part within assembly drawings:
-
Installation Instructions
-
Service Bulletin
-
Model #
41411 -
Serial #
80001 - 89999 -
Product Name
Skid Sprayer -
Product Brand
Toro -
Product Type
Attachments -
Product Series
Turf Maintenance Equipment







