824 Snowthrower
Product Information
- Model #: 38080
- Serial #: 2000001 - 2999999
- Product Type: Snowthrowers
Loading...
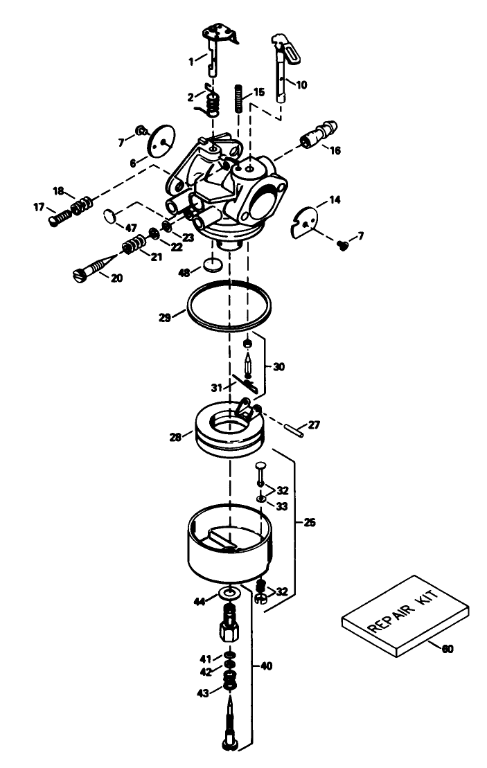
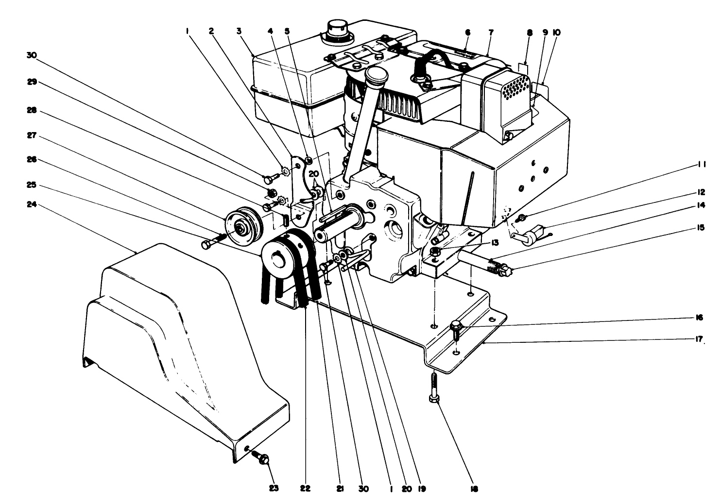
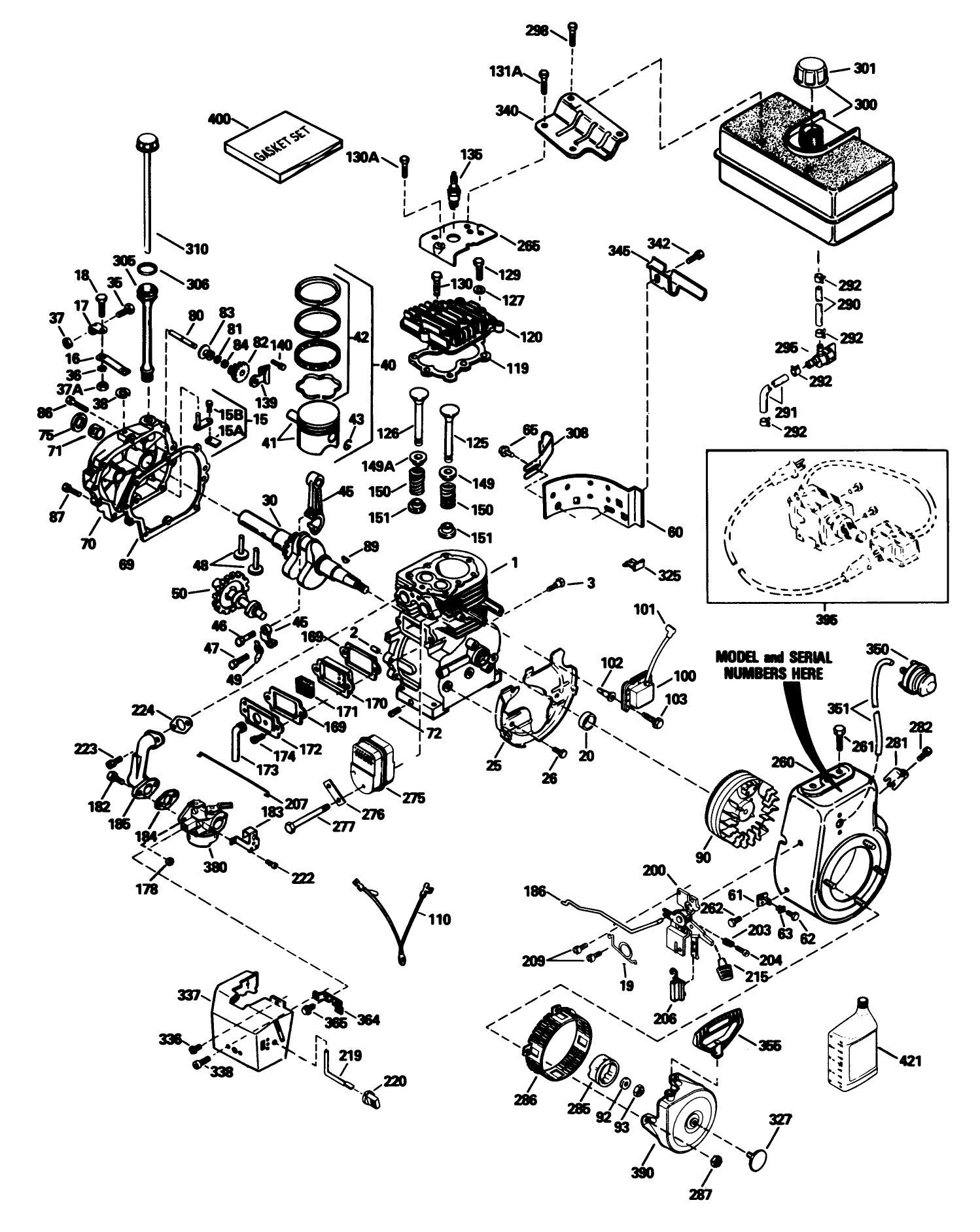
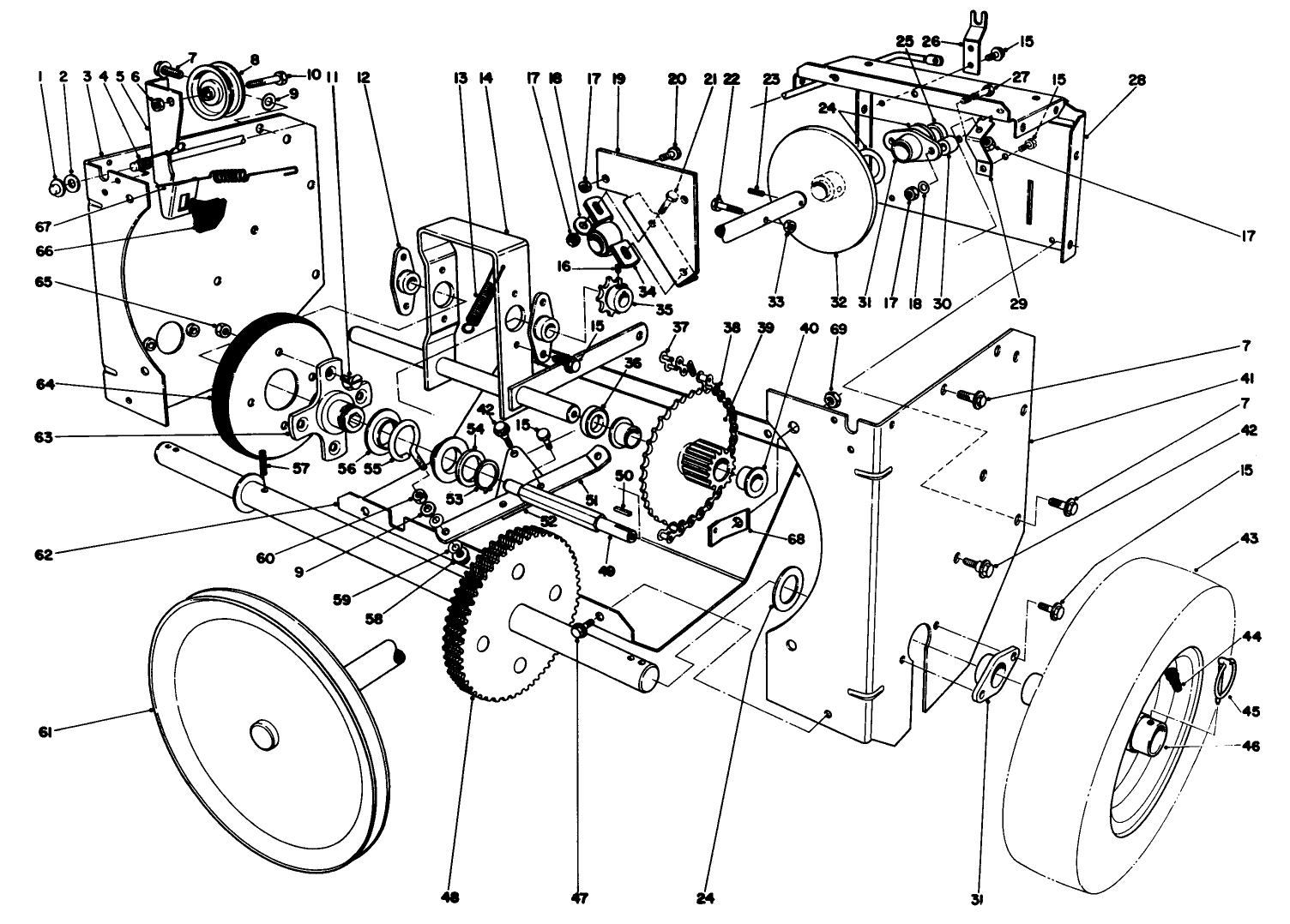
Assembly Drawings
Search for a part within assembly drawings:
-
Service Manual
-
Operator's Manual
-
Parts Catalog
Please contact your local dealer
Please contact your local dealer
Snowthrower Tire Chains (Part # 56-2700)
Genuine OEM Part
Cover (Part # 59115)
-
Model #
38080 -
Serial #
2000001 - 2999999 -
Product Name
824 Snowthrower -
Product Brand
Toro -
Product Type
Snowthrowers -
Product Series
Snowthrower, Two Stage Intermediate Frame -
Swath
24 inch -
Discharge
Two Stage -
Engine/Motor Manufacturer
Tecumseh -
Engine/Motor Size
8 hp -
Engine/Motor Type
4 Cycle -
Engine Starter
Recoil -
Transmission Type
Friction Disc
-
Chassis: Tire Pressure
7-15 PSI / .5-1kg sq. cm -
Drive System: Gearbox Lubricant
4.5 oz. (133ml) SAE 90 GL5 or higher -
Drive System: Ground Speed
Fwd. .9 / 1.2 / 2.2 Rev. 1.0 / 1.8 mph -
Engine: Engine Oil Type
24 oz. (.7l) 5w-30 or 10w / API SH or higher -
Engine: Engine Speed
High 3300, Low 2000±150 RPM -
Engine: Ignition Coil Air Gap
.013" / .33mm -
Engine: Spark Plug
Champion RJ19LM -
Engine: Spark Plug Gap
.030"/ .76mm










