Reelmaster 5400-D 2-Wheel Drive
Product Information
- Model #: 03543
- Serial #: 260000001 - 260000200
- Product Type: Riding Products
Loading...
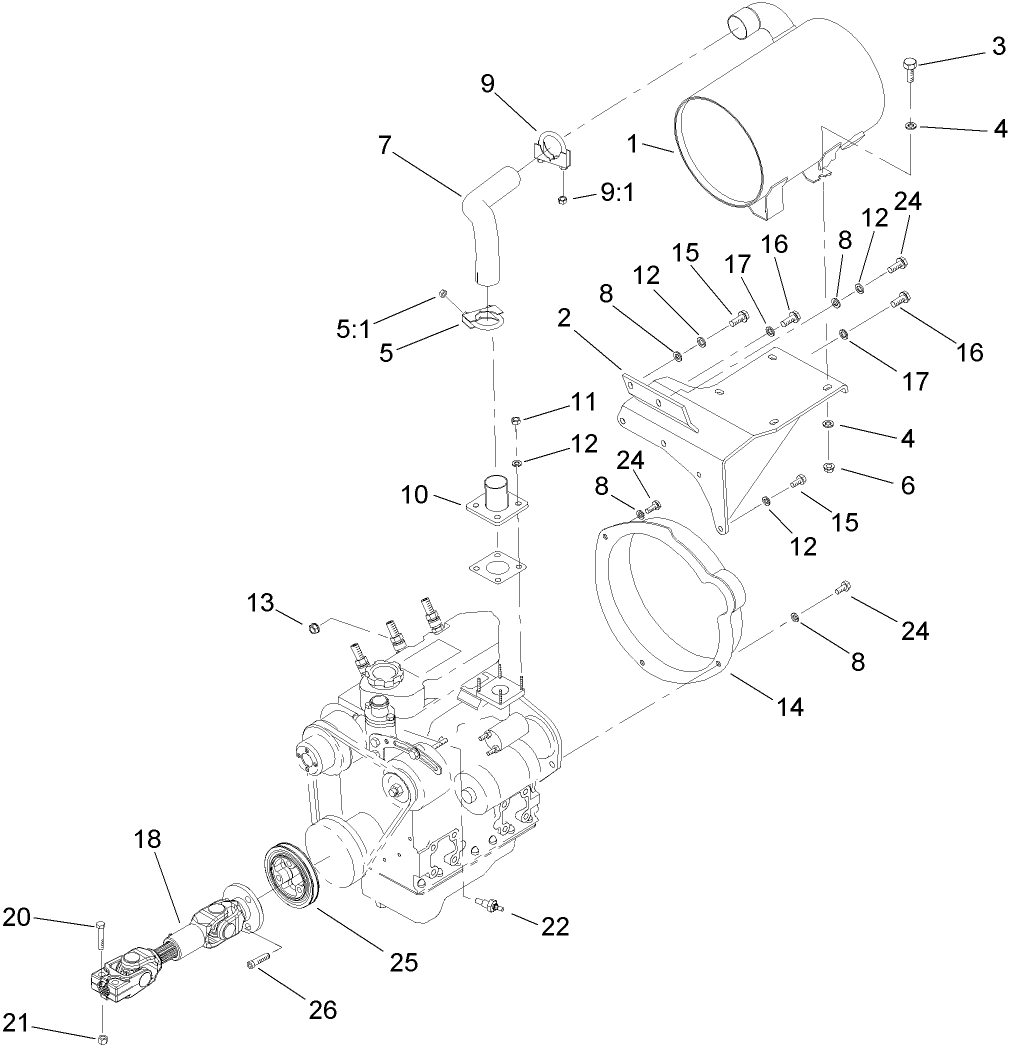
Assembly Drawings
Search for a part within assembly drawings:
-
Service Manual
-
Operator's Manual
-
Parts Catalog
-
EU Declaration of Conformity
-
Service Bulletin
Dethatching Reel, Reelmaster 5100-D and 5300-D (Part # 03516)
Leak Detector Kit, Reelmaster (Part # 03521)
5-Blade Cutting Unit, Reelmaster 5200-D and 5400-D (Part # 03527)
8-Blade Cutting Unit, Reelmaster 5200-D and 5400-D (Part # 03528)
RM 5000 BASKET KIT (Part # 03532)
RM5000 ROLLER BRUSH KIT (Part # 03533)
Four Wheel Drive Kit, Reelmaster 5200-D, 5400-D and 5500-D (Part # 03539)
Wheel Weight Kit (Part # 104-1478)
Shoulder Roller Assembly, Reelmaster 5000 (Part # 104-3369)
COMB KIT-RM5000 (Part # 104-3385)
REAR ROLLER SCRAPER KIT-RM5000 (Part # 104-3395)
FRONT HOC ADJ KIT-RM5000 (Part # 104-8205)
SHOULDER ROLLER SCRAPER ASM (Part # 104-8208-03)
Collar Kit (Part # 104-8215)
Contains 100-4959 @ 2, 104-1835 @ 2
SWITCH-LIFT,BACK BIASED (Part # 105-3367)
Step Kit, Reelmaster 5200-D and 5400-D (Part # 107-8820)
Roll-Over Protection System, Reelmaster 5200-D, 5400-D and 5500-D (Part # 108-4445)
Arm Rest Kit (Part # 30707)
Built for comfort.
Tube Air Cleaner (Part # 43-3810)
Rear Weight Kit, Reelmaster 5100 Series (Part # 75-6690)
FULL ROLLER ASM (Part # 82-6680)
High Height-Of-Cut Kit, Reelmaster 5100 (Part # 83-5300)
Diagnostic Display Box (Part # 85-4750)
25 lb Weight, Reelmaster 5200 & 5400 2 WD (Part # 98-9780)
-
Model #
03543 -
Serial #
260000001 - 260000200 -
Product Name
Reelmaster 5400-D 2-Wheel Drive -
Product Brand
Toro -
Product Type
Riding Products -
Product Series
RM 5000 Series










































































