TimeCutter Z530 Riding Mower
Product Information
- Model #: 74425
- Serial #: 260000001 - 260999999
- Product Type: Riding Products
Loading...
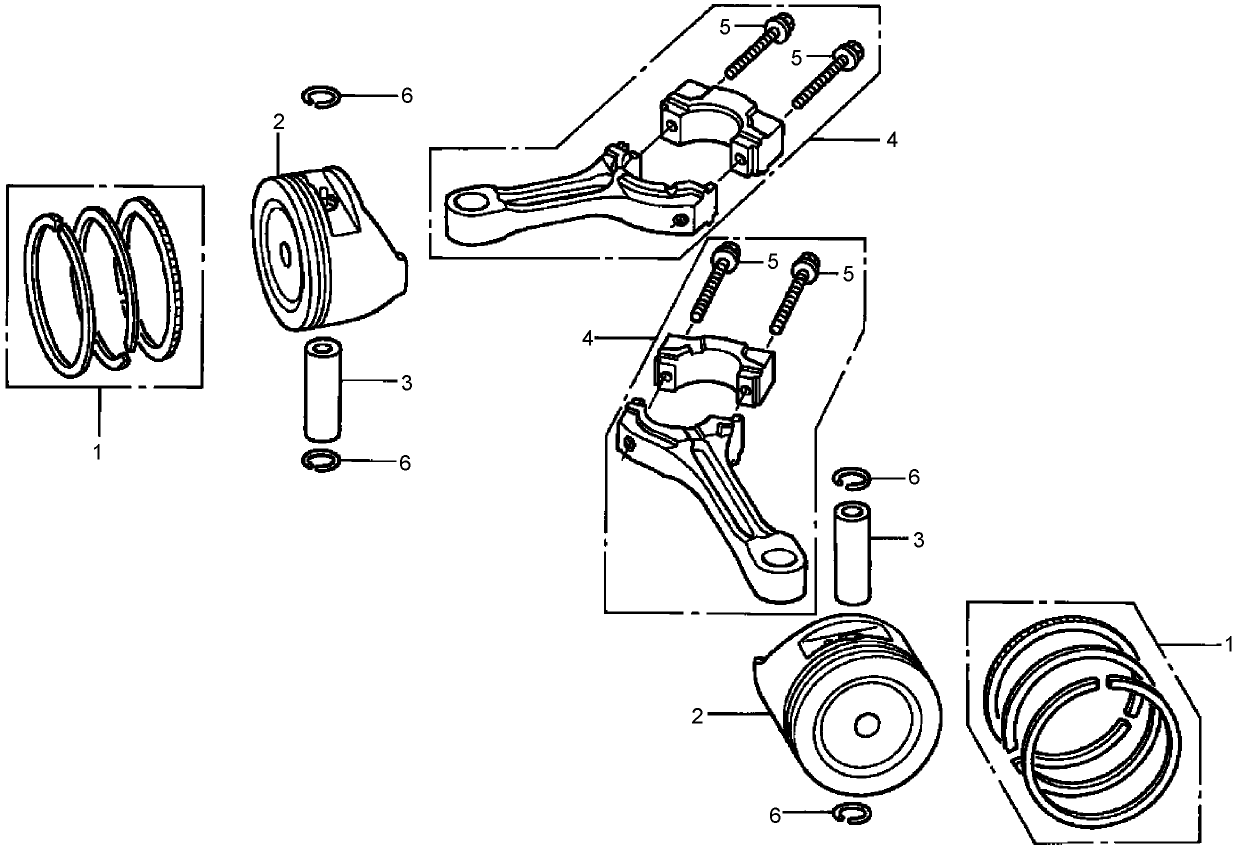
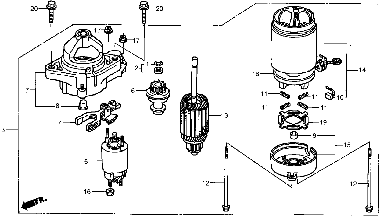
Assembly Drawings
Search for a part within assembly drawings:
-
Service Manual
-
Operator's Manual
-
Parts Catalog
-
EU Declaration of Conformity
-
Setup Instructions
Smooth Caster Wheel Kit (Part # 105-1856)
Genuine OEM Part
Please contact your local dealer
18x7.5-8 Tire Chain Kit (Part # 107-1738)
Genuine OEM Part
Armrest Kit (Part # 108-6163)
Genuine OEM Part
Ring Blowout Ring Kit (Part # 110-6509)
Genuine OEM Part
42 Inch Twin Bagger (Part # 79214)
48" Snow Blade (Part # 79216)
-
Model #
74425 -
Serial #
260000001 - 260999999 -
Product Name
TimeCutter Z530 Riding Mower -
Product Brand
Toro -
Product Type
Riding Products -
Product Series
Zero Radius Turn, Consumer -
Chassis Type
ZRT - Consumer -
Swath
107cm -
Discharge
Side -
Engine/Motor Manufacturer
Honda -
Engine/Motor Size
530cc -
Engine/Motor Type
4 Cycle CARB2, EPA2 -
Engine Starter
Electric -
Transmission Type
Hydrostatic
-
Chassis: Tire Pressure
Front 35 PSI / 2.5kg sq. cm, Rear 13 PSI / .9kg sq. cm -
Drive System: Ground Speed
Fwd. 0 - 5.6 Rev. 0 - 2.2 mph -
Engine: Engine Speed
3000±100 RPM -
Engine: Spark Plug
NGK BPR5ES -
Engine: Spark Plug Gap
.028-.032"/ .7-.8mm -
Engine: Battery
12V -
Chassis: Height of Cut Range
1.5-4.5"; 1/2" increments





























